LEMON Manuals: Even more car manuals for everyone: 1960-2025
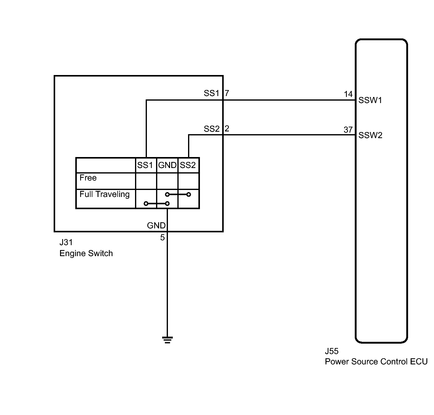
Home >> Lexus >> 2012 >> IS 250C Standard Trans >> Repair and Diagnosis >> Electrical >> Starter >> Smart Access System With Push-Button Start (For Start Function) (Diagnostic Codes & Symptom Tests) >> SMART ACCESS SYSTEM WITH PUSH-BUTTON START (for Start Function) >> DTC B2278: Engine Switch Circuit Malfunction >> Wiring Diagram
April 5, 2026: LEMON Manuals is launched! Read the announcement.

DTC B2278: Engine Switch Circuit Malfunction: Wiring Diagram

Fig 1: Engine Switch Circuit Wiring Diagram
GTY272476Courtesy of © TOYOTA, LICENSE AGREEMENT TMS1002