LEMON Manuals: Even more car manuals for everyone: 1960-2025
Home >> Lexus >> 2012 >> IS 350 Base, AWD >> Repair and Diagnosis (Single Page) >> Electrical >> Body Electrical >> OEM System Circuits >> Combination Meter >> Notes
April 5, 2026: LEMON Manuals is launched! Read the announcement.

Combination Meter: Notes

Fig 1: Combination Meter - Wiring Diagram (1 Of 7)
G08935682Courtesy of © TOYOTA, LICENSE AGREEMENT TMS1002
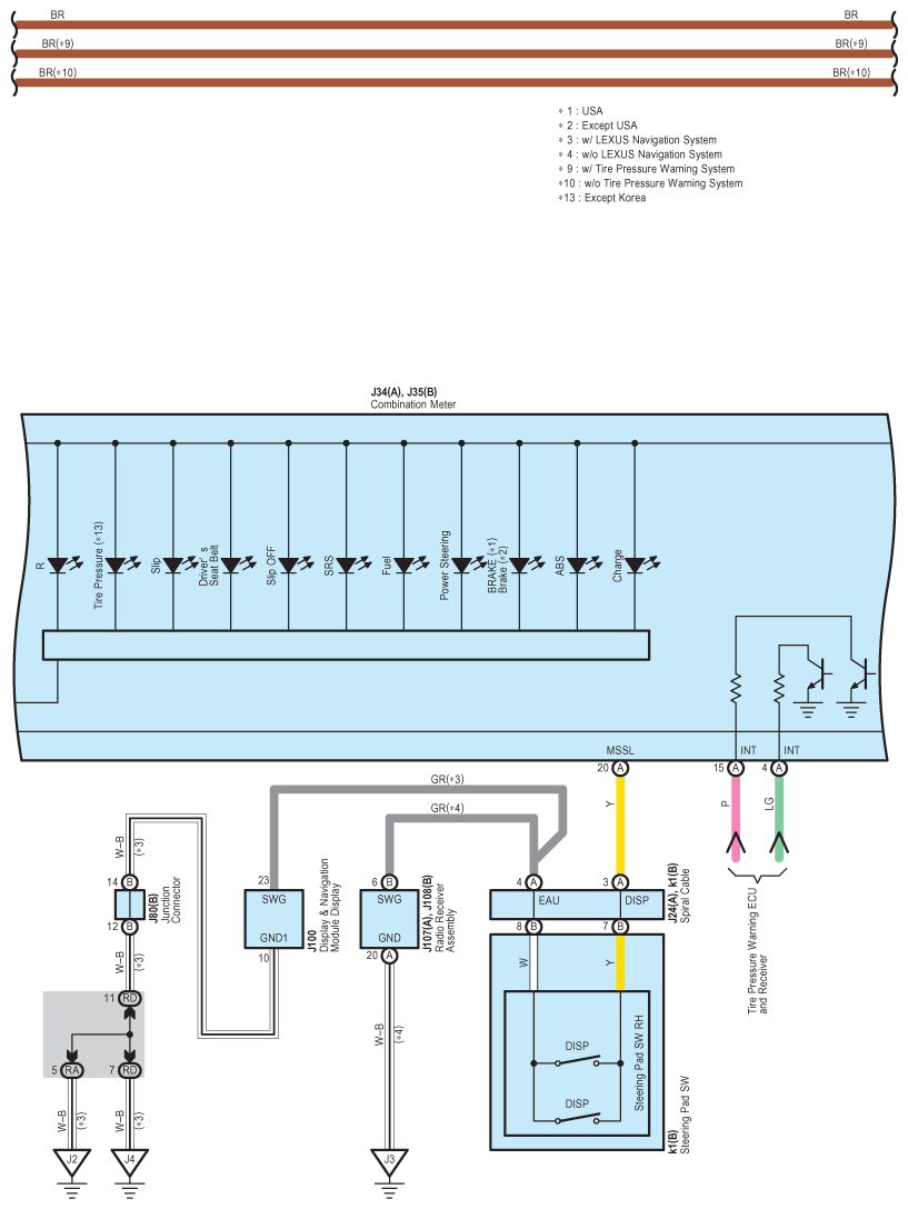
Fig 2: Combination Meter - Wiring Diagram (2 Of 7)
G08935683Courtesy of © TOYOTA, LICENSE AGREEMENT TMS1002
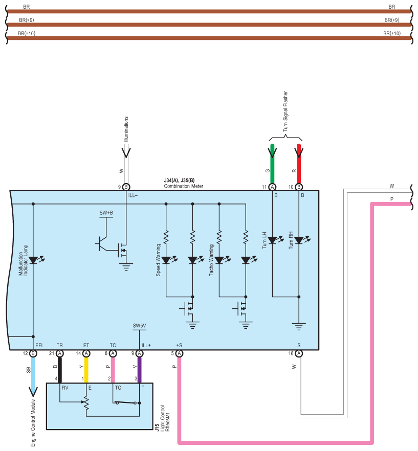
Fig 3: Combination Meter - Wiring Diagram (3 Of 7)
G08935684Courtesy of © TOYOTA, LICENSE AGREEMENT TMS1002
Fig 4: Combination Meter - Wiring Diagram (4 Of 7)
G08935685Courtesy of © TOYOTA, LICENSE AGREEMENT TMS1002
Fig 5: Combination Meter - Wiring Diagram (5 Of 7)
G08935686Courtesy of © TOYOTA, LICENSE AGREEMENT TMS1002
Fig 6: Combination Meter - Wiring Diagram (6 Of 7)
G08935687Courtesy of © TOYOTA, LICENSE AGREEMENT TMS1002
Fig 7: Combination Meter - Wiring Diagram (7 Of 7)
G08935688Courtesy of © TOYOTA, LICENSE AGREEMENT TMS1002