LEMON Manuals: Even more car manuals for everyone: 1960-2025
Home >> Lexus >> 2012 >> IS 350 Base, AWD >> Repair and Diagnosis (Single Page) >> External Pages >> Different car >> Section 20 (Engine Intake System (Inspection)) >> Intake System >> System Diagram >> System Diagram
April 5, 2026: LEMON Manuals is launched! Read the announcement.

System Diagram

WARNING: This page is about a different car, the 2012 Lexus IS 250. However, it is still accessible from the selected car via links, so may be relevant.
  1. INTAKE CONTROL SYSTEM VALVE DIAGRAM 
    Fig 1: Intake Control System Valve Diagram
    GTY145465Courtesy of © TOYOTA, LICENSE AGREEMENT TMS1002
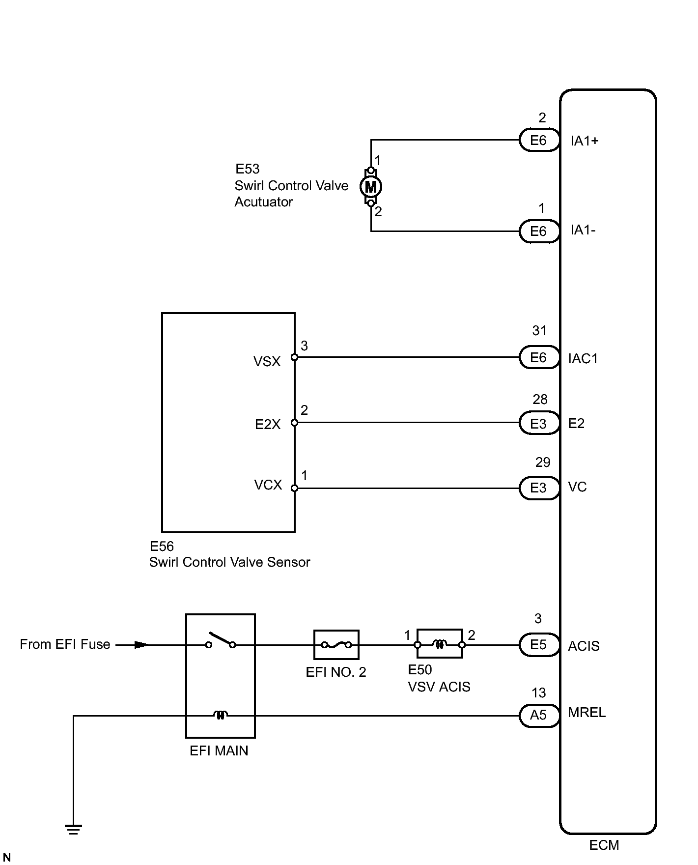
  2. ELECTRICAL WIRING DIAGRAM 
    Fig 2: Electrical Wiring Diagram
    GTY395007Courtesy of © TOYOTA, LICENSE AGREEMENT TMS1002