LEMON Manuals: Even more car manuals for everyone: 1960-2025
Home >> Lexus >> 2012 >> IS 350 Base, AWD >> Repair and Diagnosis >> Electrical >> Body Electrical >> OEM System Circuits >> Cruise Control (4GR-FSE) >> Notes
April 5, 2026: LEMON Manuals is launched! Read the announcement.

Cruise Control (4GR-FSE): Notes

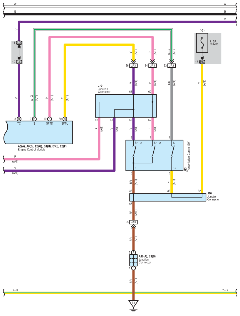
Fig 1: Cruise Control (4GR-FSE) - Wiring Diagram (1 Of 7)
G08935558Courtesy of © TOYOTA, LICENSE AGREEMENT TMS1002
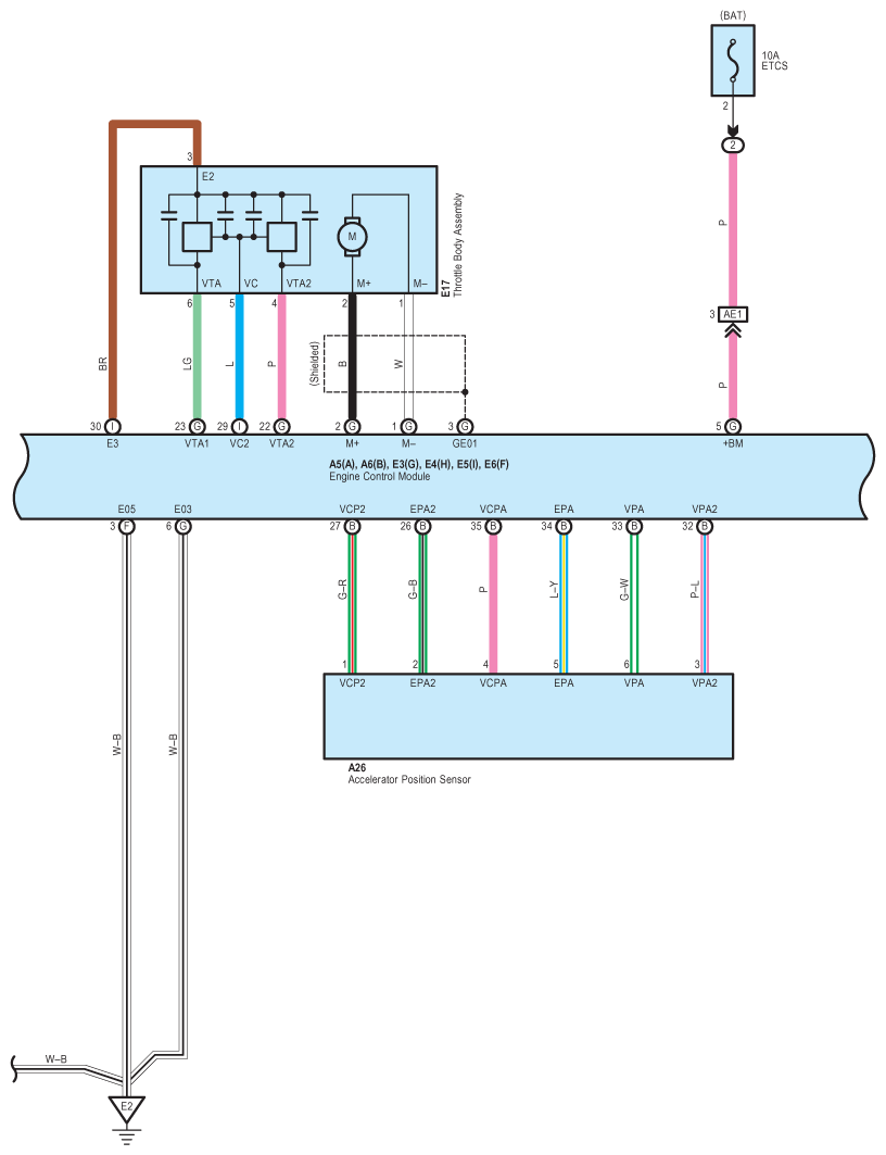
Fig 2: Cruise Control (4GR-FSE) - Wiring Diagram (2 Of 7)
G08935559Courtesy of © TOYOTA, LICENSE AGREEMENT TMS1002
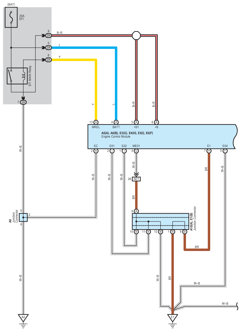
Fig 3: Cruise Control (4GR-FSE) - Wiring Diagram (3 Of 7)
G08935560Courtesy of © TOYOTA, LICENSE AGREEMENT TMS1002
Fig 4: Cruise Control (4GR-FSE) - Wiring Diagram (4 Of 7)
G08935561Courtesy of © TOYOTA, LICENSE AGREEMENT TMS1002
Fig 5: Cruise Control (4GR-FSE) - Wiring Diagram (5 Of 7)
G08935562Courtesy of © TOYOTA, LICENSE AGREEMENT TMS1002
Fig 6: Cruise Control (4GR-FSE) - Wiring Diagram (6 Of 7)
G08935563Courtesy of © TOYOTA, LICENSE AGREEMENT TMS1002
Fig 7: Cruise Control (4GR-FSE) - Wiring Diagram (7 Of 7)
G08935564Courtesy of © TOYOTA, LICENSE AGREEMENT TMS1002