LEMON Manuals: Even more car manuals for everyone: 1960-2025
Home >> Lexus >> 2012 >> IS 350 Base, AWD >> Repair and Diagnosis >> Electrical >> Body Electrical >> OEM System Circuits >> Seat Belt Warning >> Notes
April 5, 2026: LEMON Manuals is launched! Read the announcement.

Seat Belt Warning: Notes

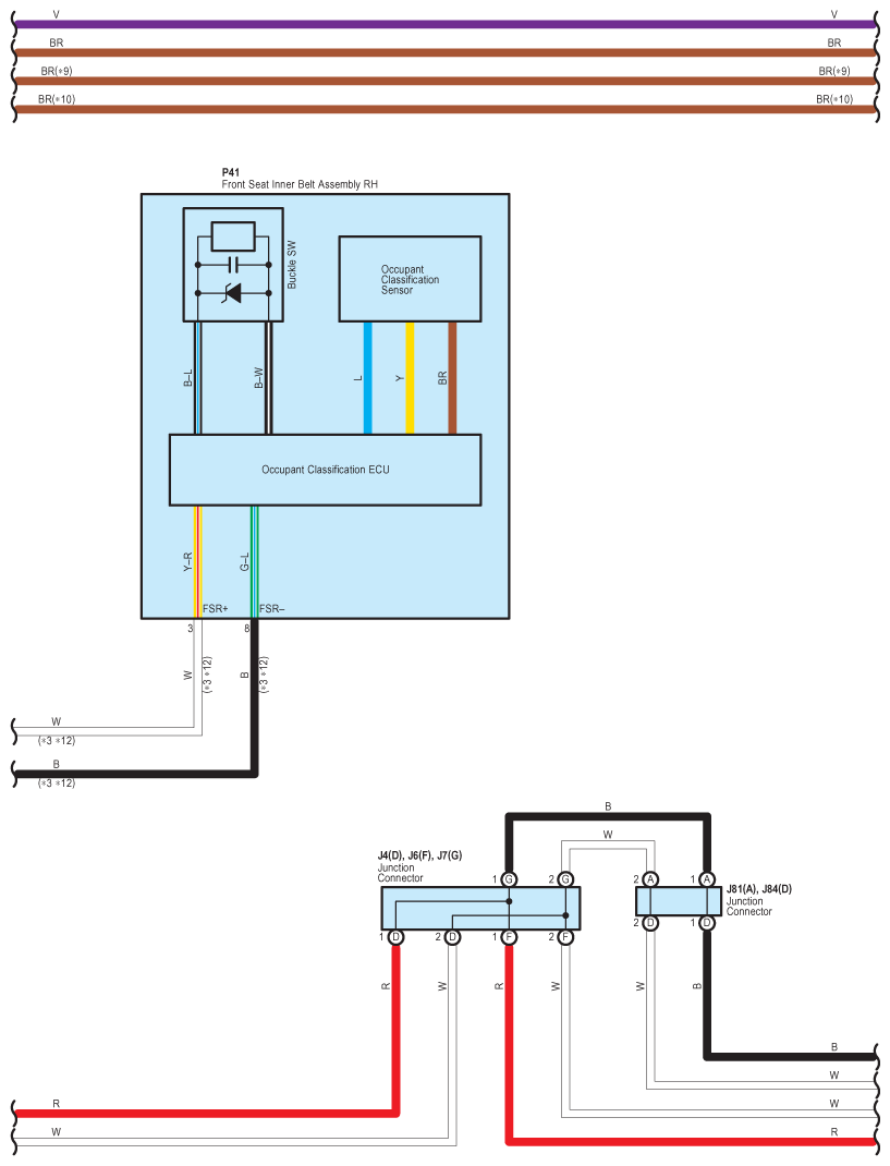
Fig 1: Seat Belt Warning - Wiring Diagram (1 Of 4)
G08935609Courtesy of © TOYOTA, LICENSE AGREEMENT TMS1002
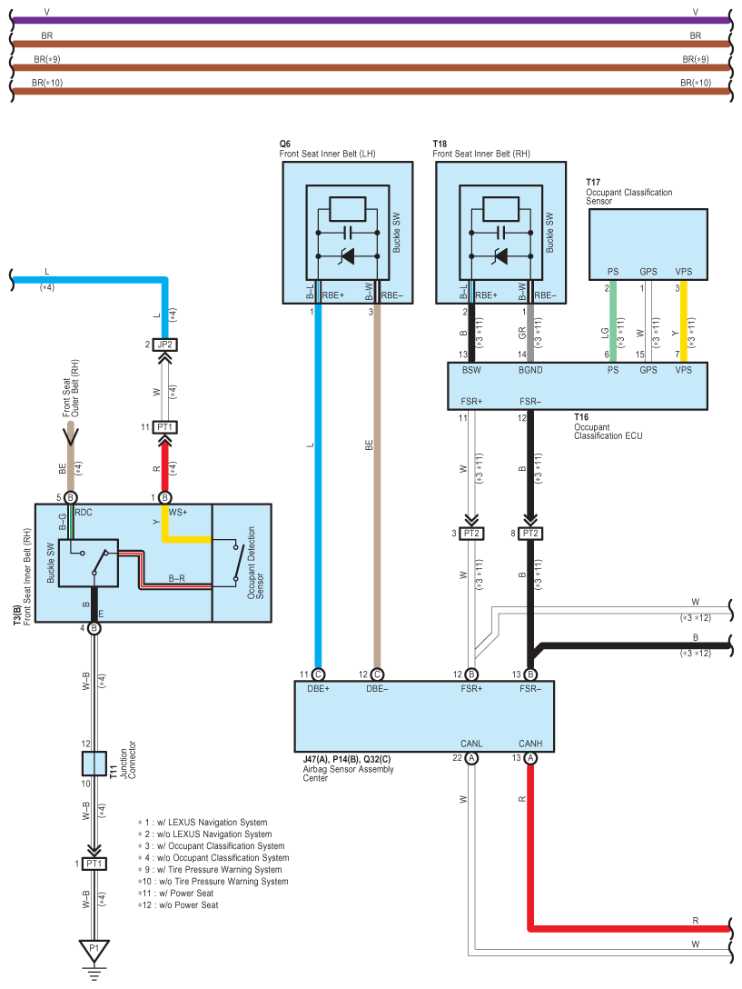
Fig 2: Seat Belt Warning - Wiring Diagram (2 Of 4)
G08935610Courtesy of © TOYOTA, LICENSE AGREEMENT TMS1002
Fig 3: Seat Belt Warning - Wiring Diagram (3 Of 4)
G08935611Courtesy of © TOYOTA, LICENSE AGREEMENT TMS1002
Fig 4: Seat Belt Warning - Wiring Diagram (4 Of 4)
G08935612Courtesy of © TOYOTA, LICENSE AGREEMENT TMS1002