LEMON Manuals: Even more car manuals for everyone: 1960-2025
Home >> Lexus >> 2012 >> IS 350 Base, AWD >> Repair and Diagnosis >> Electrical >> Charging Systems >> Charging System (Diagnostics & Symptom Tests) >> Charging System >> System Diagram >> System Diagram
April 5, 2026: LEMON Manuals is launched! Read the announcement.

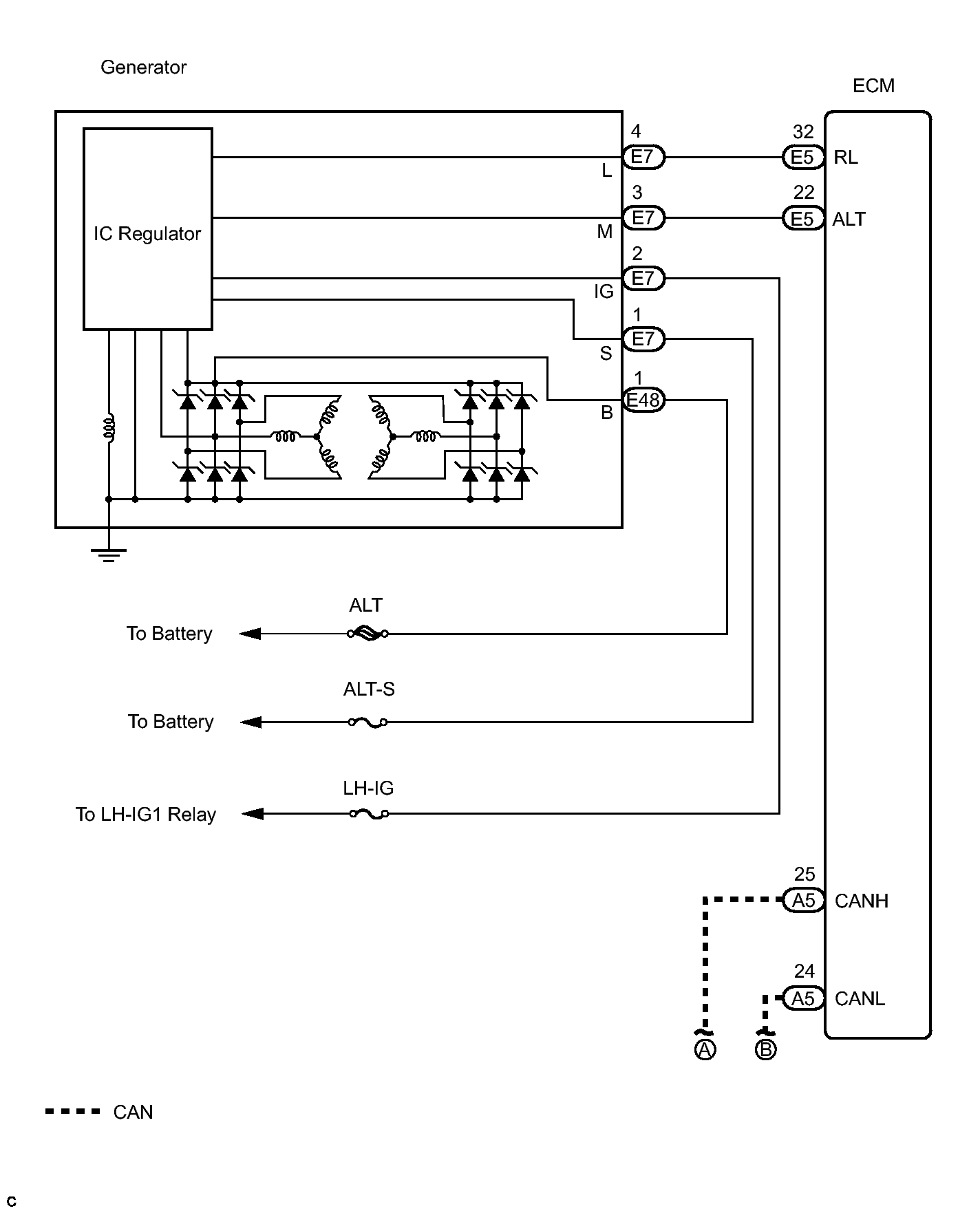
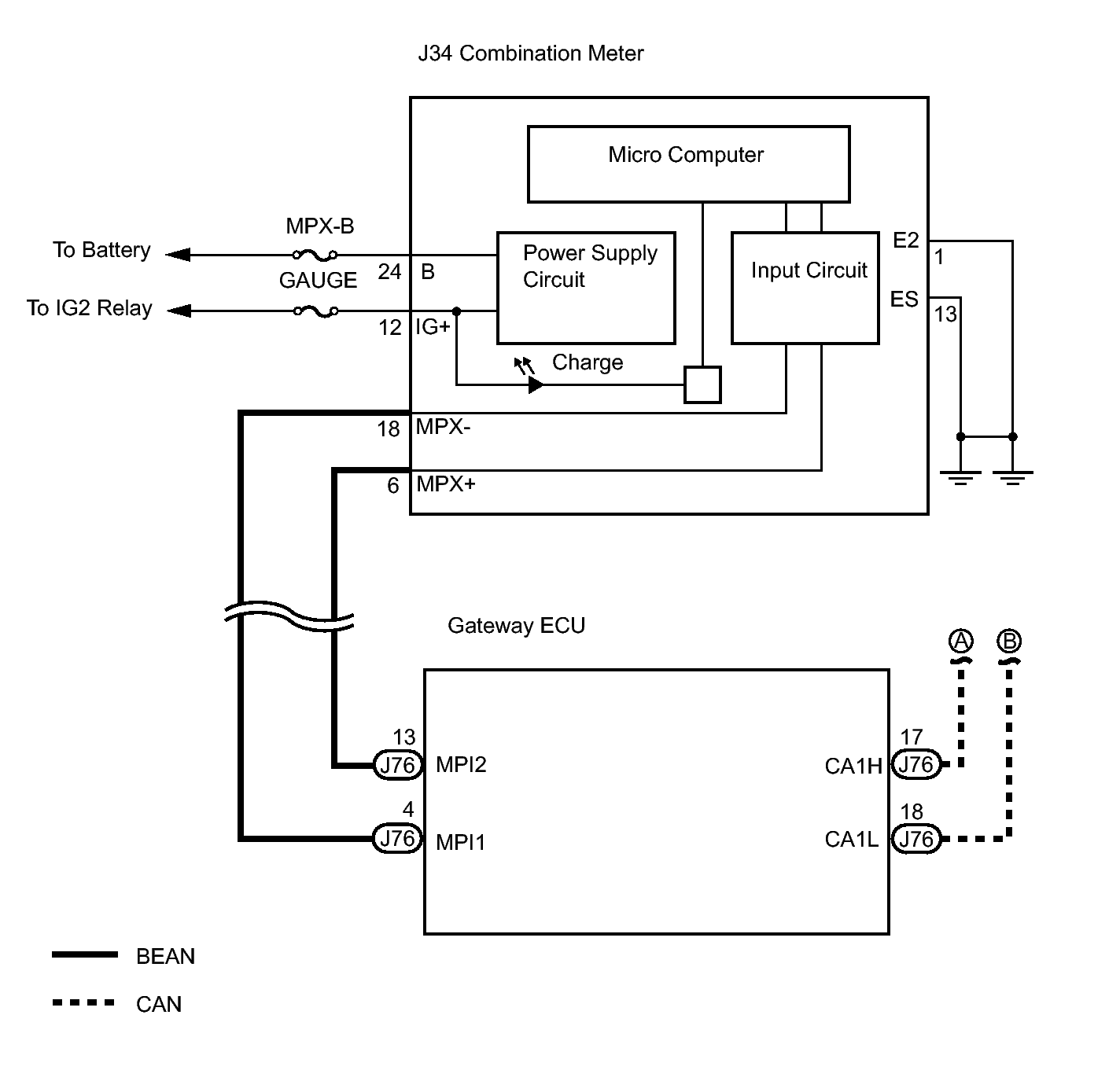
System Diagram

Fig 1: Charging System Diagram (1 Of 2)
GTY142665Courtesy of © TOYOTA, LICENSE AGREEMENT TMS1002
Fig 2: Charging System Diagram (2 Of 2)
GTY394345Courtesy of © TOYOTA, LICENSE AGREEMENT TMS1002