LEMON Manuals: Even more car manuals for everyone: 1960-2025
Home >> Lexus >> 2012 >> IS 350 Base, RWD >> Repair and Diagnosis >> Electrical >> Body Electrical >> OEM System Circuits >> Engine Control (4GR-FSE) >> Notes
April 5, 2026: LEMON Manuals is launched! Read the announcement.

Engine Control (4GR-FSE): Notes

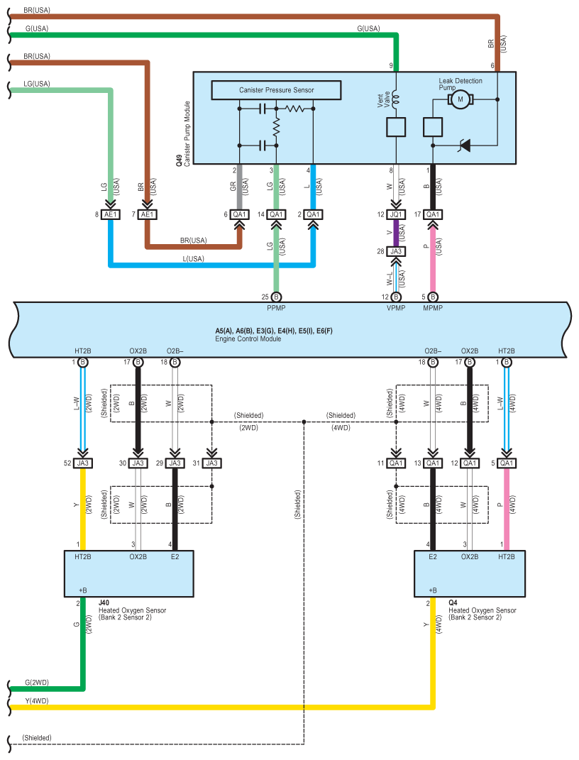
Fig 1: Engine Control (4GR-FSE) - Wiring Diagram (1 Of 17)
G08935407Courtesy of © TOYOTA, LICENSE AGREEMENT TMS1002
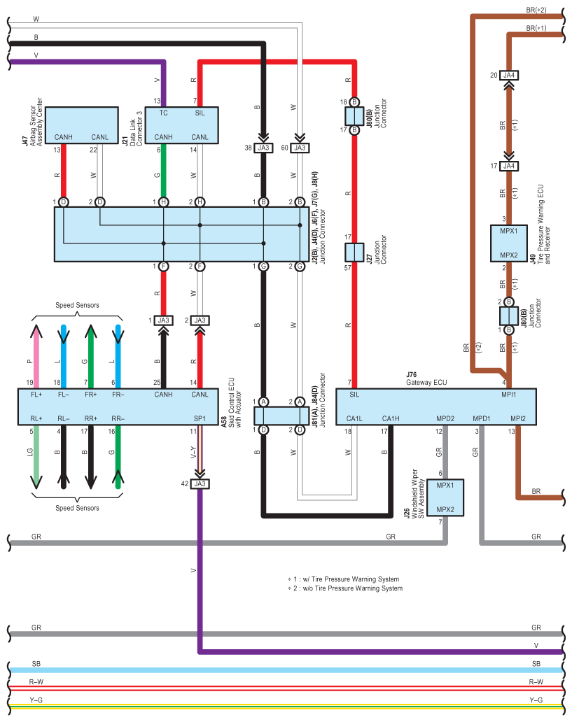
Fig 2: Engine Control (4GR-FSE) - Wiring Diagram (2 Of 17)
G08935408Courtesy of © TOYOTA, LICENSE AGREEMENT TMS1002
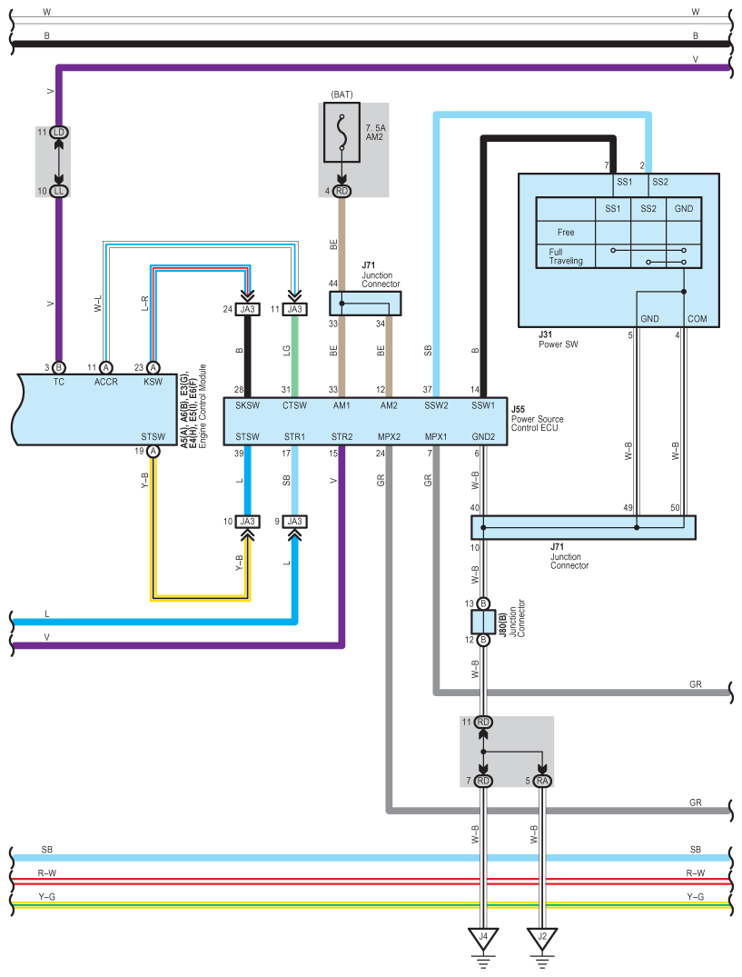
Fig 3: Engine Control (4GR-FSE) - Wiring Diagram (3 Of 17)
G08935409Courtesy of © TOYOTA, LICENSE AGREEMENT TMS1002
Fig 4: Engine Control (4GR-FSE) - Wiring Diagram (4 Of 17)
G08935410Courtesy of © TOYOTA, LICENSE AGREEMENT TMS1002
Fig 5: Engine Control (4GR-FSE) - Wiring Diagram (5 Of 17)
G08935411Courtesy of © TOYOTA, LICENSE AGREEMENT TMS1002
Fig 6: Engine Control (4GR-FSE) - Wiring Diagram (6 Of 17)
G08935412Courtesy of © TOYOTA, LICENSE AGREEMENT TMS1002
Fig 7: Engine Control (4GR-FSE) - Wiring Diagram (7 Of 17)
G08935413Courtesy of © TOYOTA, LICENSE AGREEMENT TMS1002
Fig 8: Engine Control (4GR-FSE) - Wiring Diagram (8 Of 17)
G08935414Courtesy of © TOYOTA, LICENSE AGREEMENT TMS1002
Fig 9: Engine Control (4GR-FSE) - Wiring Diagram (9 Of 17)
G08935415Courtesy of © TOYOTA, LICENSE AGREEMENT TMS1002
Fig 10: Engine Control (4GR-FSE) - Wiring Diagram (10 Of 17)
G08935416Courtesy of © TOYOTA, LICENSE AGREEMENT TMS1002
Fig 11: Engine Control (4GR-FSE) - Wiring Diagram (11 Of 17)
G08935417Courtesy of © TOYOTA, LICENSE AGREEMENT TMS1002
Fig 12: Engine Control (4GR-FSE) - Wiring Diagram (12 Of 17)
G08935418Courtesy of © TOYOTA, LICENSE AGREEMENT TMS1002
Fig 13: Engine Control (4GR-FSE) - Wiring Diagram (13 Of 17)
G08935419Courtesy of © TOYOTA, LICENSE AGREEMENT TMS1002
Fig 14: Engine Control (4GR-FSE) - Wiring Diagram (14 Of 17)
G08935420Courtesy of © TOYOTA, LICENSE AGREEMENT TMS1002
Fig 15: Engine Control (4GR-FSE) - Wiring Diagram (15 Of 17)
G08935421Courtesy of © TOYOTA, LICENSE AGREEMENT TMS1002
Fig 16: Engine Control (4GR-FSE) - Wiring Diagram (16 Of 17)
G08935422Courtesy of © TOYOTA, LICENSE AGREEMENT TMS1002
Fig 17: Engine Control (4GR-FSE) - Wiring Diagram (17 Of 17)
G08935423Courtesy of © TOYOTA, LICENSE AGREEMENT TMS1002