LEMON Manuals: Even more car manuals for everyone: 1960-2025
Home >> Lexus >> 2012 >> IS 350C >> Repair and Diagnosis >> Electrical >> Body Electrical >> OEM System Circuits >> Ignition (2GR-FSE) >> Notes
April 5, 2026: LEMON Manuals is launched! Read the announcement.

Ignition (2GR-FSE): Notes

Fig 1: Ignition (2GR-FSE) - Wiring Diagram (1 Of 2)
G08938579Courtesy of © TOYOTA, LICENSE AGREEMENT TMS1002
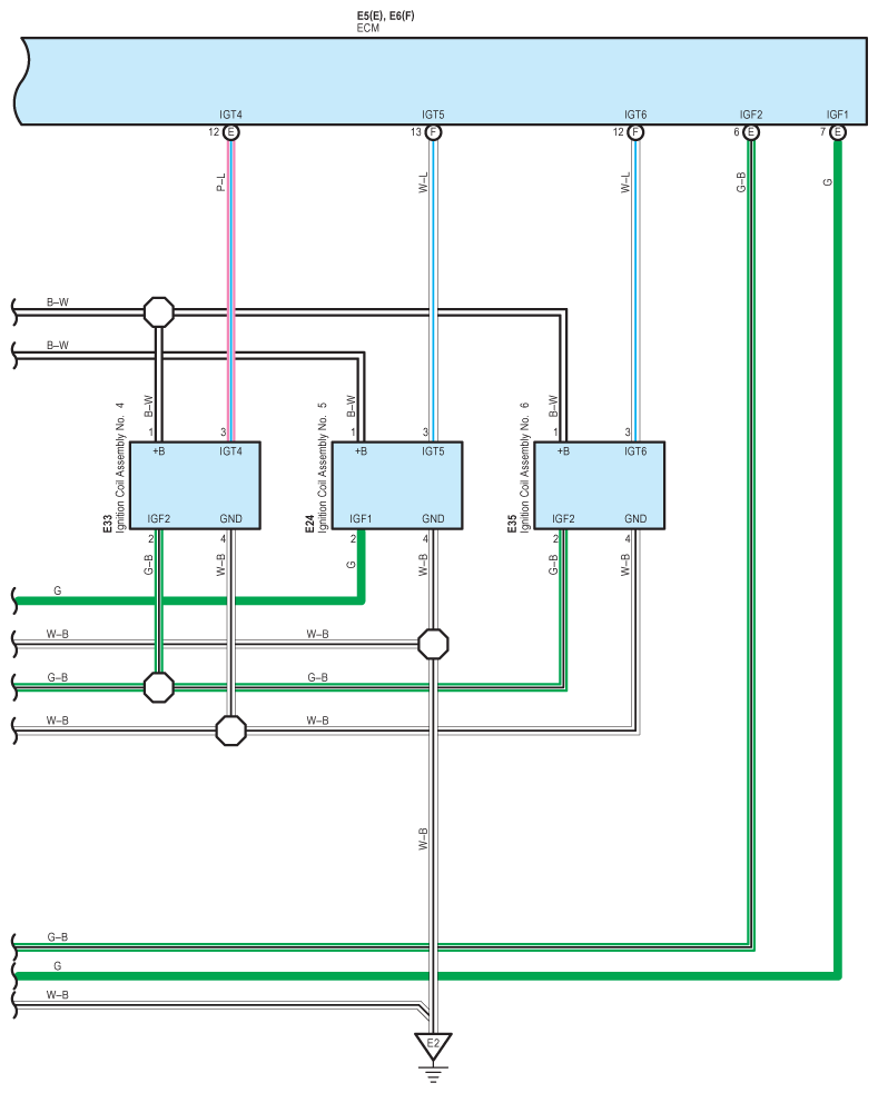
Fig 2: Ignition (2GR-FSE) - Wiring Diagram (2 Of 2)
G08938580Courtesy of © TOYOTA, LICENSE AGREEMENT TMS1002