LEMON Manuals: Even more car manuals for everyone: 1960-2025
Home >> Lexus >> 2012 >> IS 350C >> Repair and Diagnosis >> Electrical >> Starter >> Smart Access System With Push-Button Start (For Start Function) (Diagnostic Codes & Symptom Tests) >> SMART ACCESS SYSTEM WITH PUSH-BUTTON START (for Start Function) >> Symptom Tests >> Power Source Mode does not Change >> Wiring Diagram
April 5, 2026: LEMON Manuals is launched! Read the announcement.

Power Source Mode does not Change: Wiring Diagram

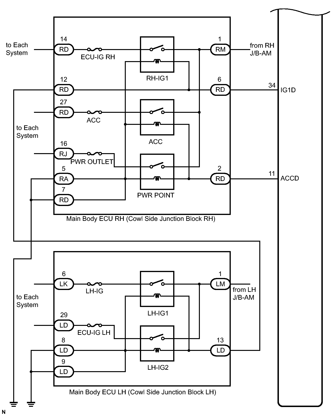
Fig 1: Main Body ECU And Power Source Control ECU Wiring Diagram (1 Of 2)
GTY114763Courtesy of © TOYOTA, LICENSE AGREEMENT TMS1002
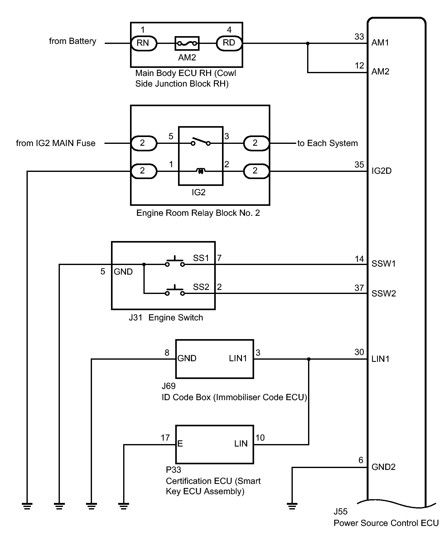
Fig 2: Main Body ECU And Power Source Control ECU Wiring Diagram (2 Of 2)
GTY256308Courtesy of © TOYOTA, LICENSE AGREEMENT TMS1002