LEMON Manuals: Even more car manuals for everyone: 1960-2025
Home >> Lexus >> 2012 >> IS F V8-5.0L (2UR-GSE) >> Repair and Diagnosis >> Powertrain Management >> Computers and Control Systems >> Main Relay (Computer/Fuel System) >> Testing and Inspection >> Integration Relay
April 5, 2026: LEMON Manuals is launched! Read the announcement.

Integration Relay





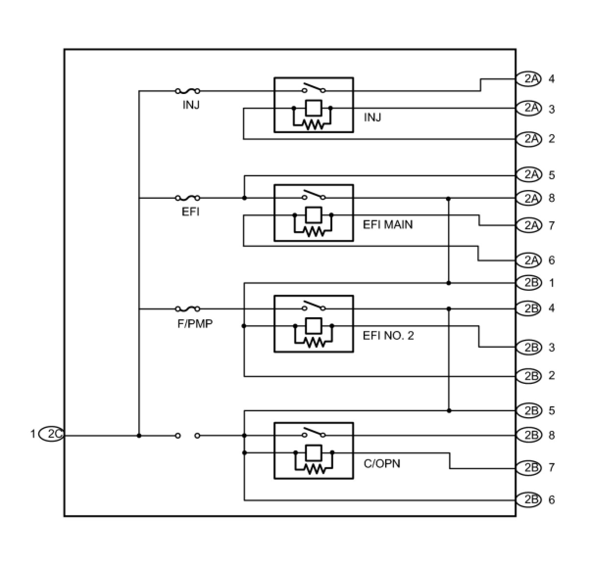
2UR-GSE ENGINE CONTROL: INTEGRATION RELAY: INSPECTION

1. INSPECT INTEGRATION RELAY





(a) EFI MAIN relay:

(1) Measure the resistance according to the value(s) in the table below.





Standard Resistance:





If the resistance is not as specified, replace the integration relay.

(b) EFI No. 2 relay:

(1) Measure the resistance according to the value(s) in the table below.





Standard Resistance:





If the resistance is not as specified, replace the integration relay.

(c) INJ relay:

(1) Measure the resistance according to the value(s) in the table below.





Standard Resistance:





If the resistance is not as specified, replace the integration relay.

(d) C/OPN relay:

(1) Measure the resistance according to the value(s) in the table below.





Standard Resistance:





If the resistance is not as specified, replace the integration relay.