LEMON Manuals: Even more car manuals for everyone: 1960-2025
Home >> Lexus >> 2012 >> IS F >> Repair and Diagnosis (Single Page) >> Electrical >> Body Electrical >> OEM System Circuits >> SRS >> Notes
April 5, 2026: LEMON Manuals is launched! Read the announcement.

OEM System Circuits: SRS: Notes

NOTE: When inspecting or repairing the SRS, perform service in accordance with the following precautionary instructions and the procedures.
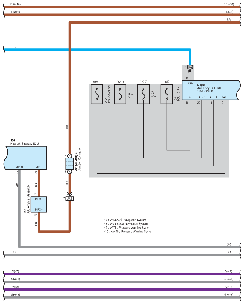
Fig 2: SRS - Wiring Diagram (1 Of 8)
G08939781Courtesy of © TOYOTA, LICENSE AGREEMENT TMS1002
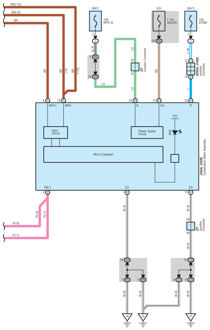
Fig 3: SRS - Wiring Diagram (2 Of 8)
G08939782Courtesy of © TOYOTA, LICENSE AGREEMENT TMS1002
Fig 4: SRS - Wiring Diagram (3 Of 8)
G08939783Courtesy of © TOYOTA, LICENSE AGREEMENT TMS1002
Fig 5: SRS - Wiring Diagram (4 Of 8)
G08939784Courtesy of © TOYOTA, LICENSE AGREEMENT TMS1002
Fig 6: SRS - Wiring Diagram (5 Of 8)
G08939785Courtesy of © TOYOTA, LICENSE AGREEMENT TMS1002
Fig 7: SRS - Wiring Diagram (6 Of 8)
G08939786Courtesy of © TOYOTA, LICENSE AGREEMENT TMS1002
Fig 8: SRS - Wiring Diagram (7 Of 8)
G08939787Courtesy of © TOYOTA, LICENSE AGREEMENT TMS1002
Fig 9: SRS - Wiring Diagram (8 Of 8)
G08939788Courtesy of © TOYOTA, LICENSE AGREEMENT TMS1002