LEMON Manuals: Even more car manuals for everyone: 1960-2025
Home >> Lexus >> 2012 >> IS F >> Repair and Diagnosis (Single Page) >> Engine Performance >> Ignition System (Inspection) >> Ignition System >> System Diagram >> System Diagram
April 5, 2026: LEMON Manuals is launched! Read the announcement.

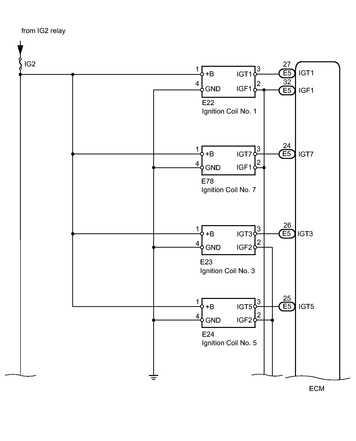
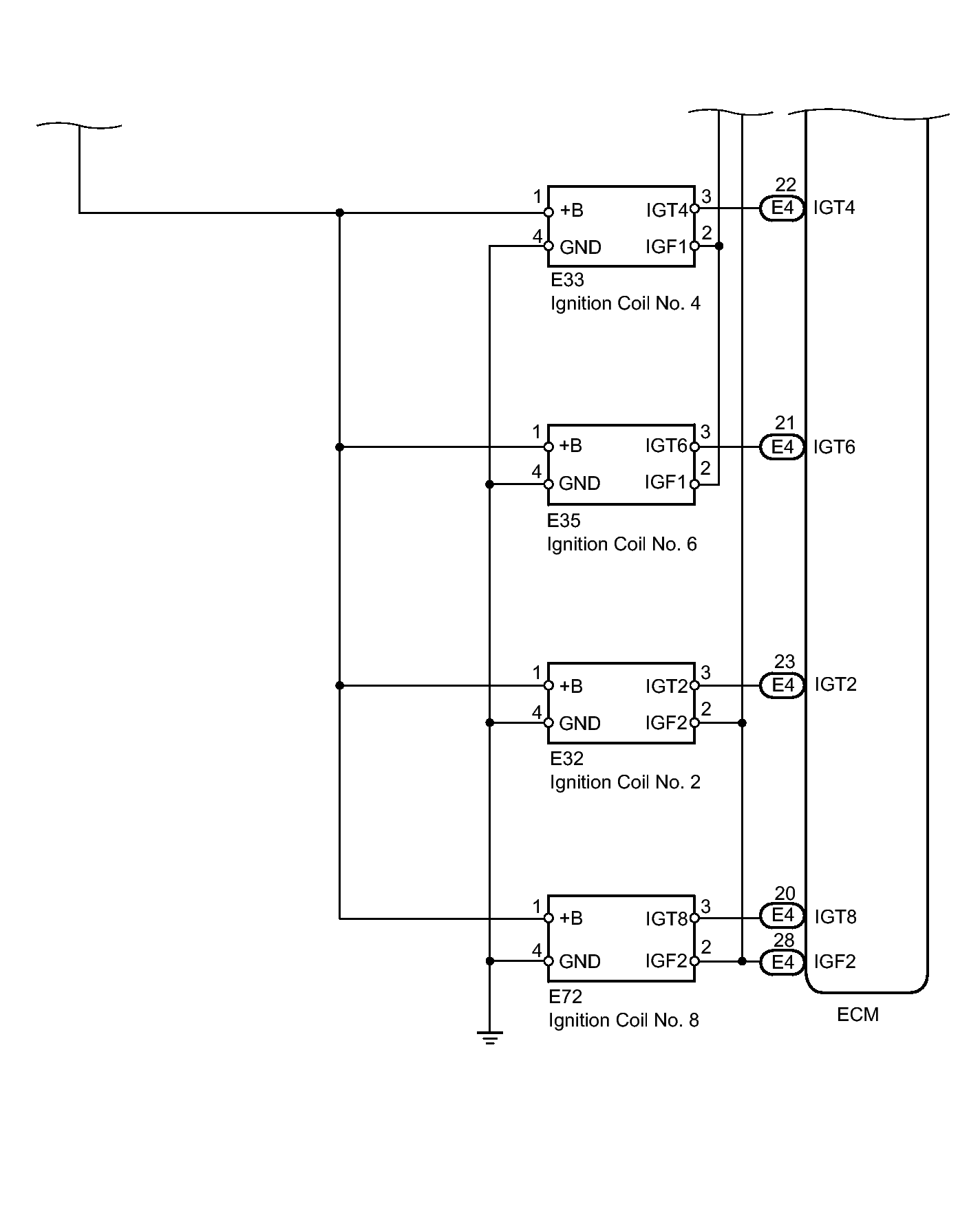
System Diagram

Fig 1: Identifying Ignition System Wiring Diagram
GTY351942Courtesy of © TOYOTA, LICENSE AGREEMENT TMS1002
Fig 2: Identifying Ignition System Wiring Diagram
GTY347734Courtesy of © TOYOTA, LICENSE AGREEMENT TMS1002