LEMON Manuals: Even more car manuals for everyone: 1960-2025
Home >> Lexus >> 2012 >> IS F >> Repair and Diagnosis >> Accessories & Equipment >> Cruise Control Systems >> Dynamic Radar Cruise Control System (Diagnostics & Circuit Tests) >> Dynamic Radar Cruise Control System >> Circuit Tests >> Cruise Control Switch Circuit >> Wiring Diagram
April 5, 2026: LEMON Manuals is launched! Read the announcement.

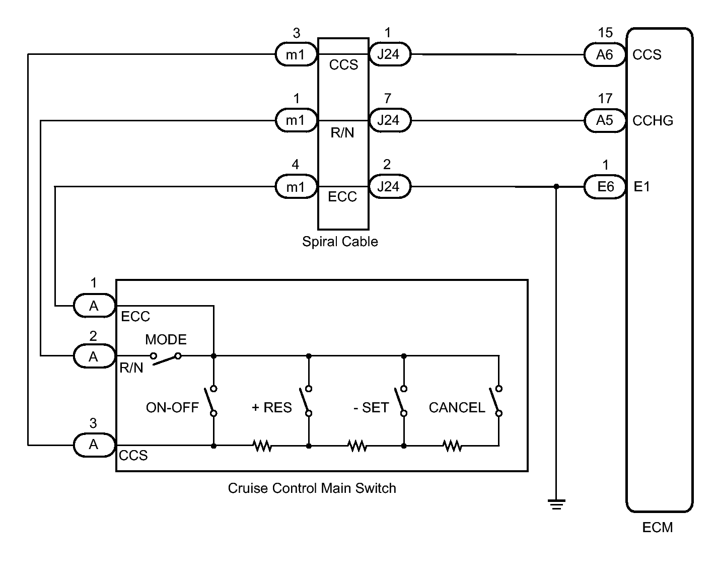
Cruise Control Switch Circuit: Wiring Diagram

Fig 1: Identifying Cruise Control Switch -- Wiring Diagram
GTY154027Courtesy of © TOYOTA, LICENSE AGREEMENT TMS1002