LEMON Manuals: Even more car manuals for everyone: 1960-2025
Home >> Lexus >> 2012 >> IS F >> Repair and Diagnosis >> Electrical >> Body Electrical >> OEM System Circuits >> Electronically Controlled Transmission and A/T Indicator and Engine Control >> Notes
April 5, 2026: LEMON Manuals is launched! Read the announcement.

Electronically Controlled Transmission and A/T Indicator and Engine Control: Notes

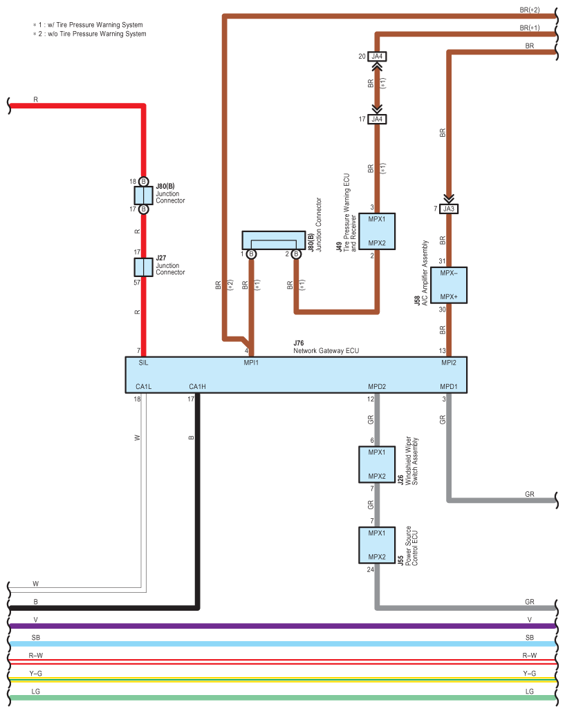
Fig 1: Electronically Controlled Transmission And A/T Indicator And Engine Control - Wiring Diagram (1 Of 30)
G08939615Courtesy of © TOYOTA, LICENSE AGREEMENT TMS1002
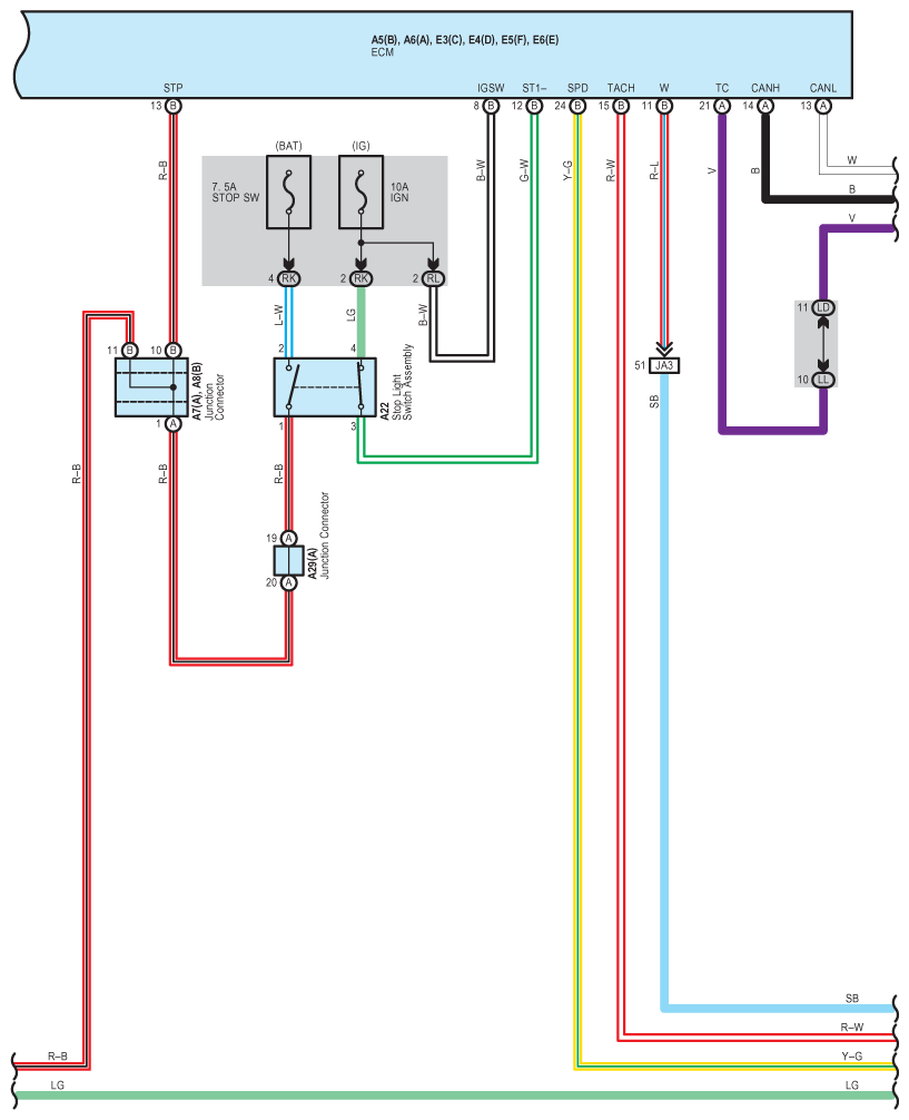
Fig 2: Electronically Controlled Transmission And A/T Indicator And Engine Control - Wiring Diagram (2 Of 30)
G08939616Courtesy of © TOYOTA, LICENSE AGREEMENT TMS1002
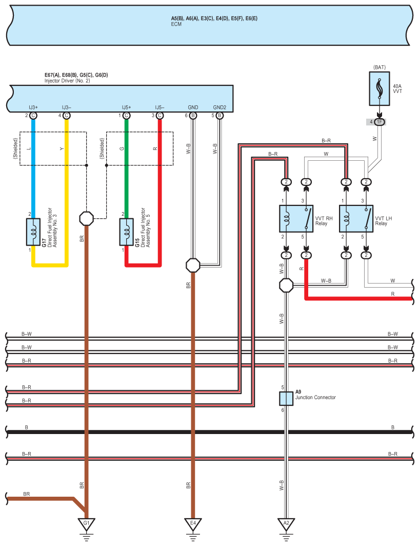
Fig 3: Electronically Controlled Transmission And A/T Indicator And Engine Control - Wiring Diagram (3 Of 30)
G08939617Courtesy of © TOYOTA, LICENSE AGREEMENT TMS1002
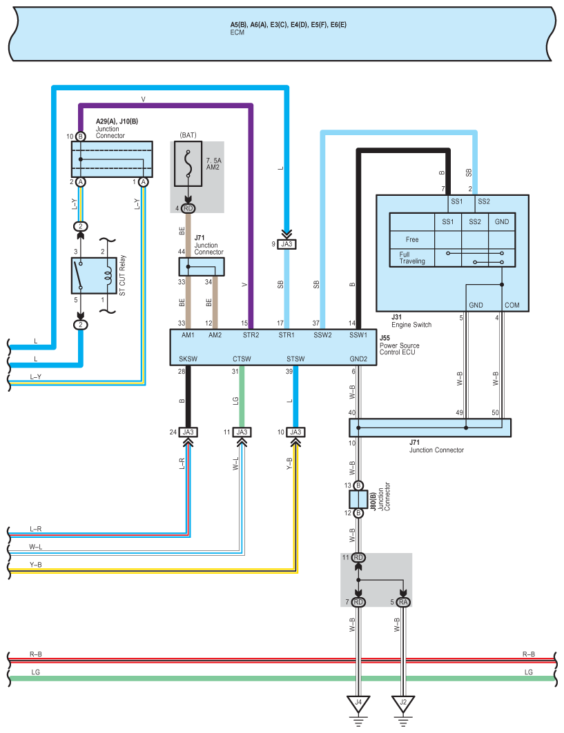
Fig 4: Electronically Controlled Transmission And A/T Indicator And Engine Control - Wiring Diagram (4 Of 30)
G08939618Courtesy of © TOYOTA, LICENSE AGREEMENT TMS1002
Fig 5: Electronically Controlled Transmission And A/T Indicator And Engine Control - Wiring Diagram (5 Of 30)
G08939619Courtesy of © TOYOTA, LICENSE AGREEMENT TMS1002
Fig 6: Electronically Controlled Transmission And A/T Indicator And Engine Control - Wiring Diagram (6 Of 30)
G08939620Courtesy of © TOYOTA, LICENSE AGREEMENT TMS1002
Fig 7: Electronically Controlled Transmission And A/T Indicator And Engine Control - Wiring Diagram (7 Of 30)
G08939621Courtesy of © TOYOTA, LICENSE AGREEMENT TMS1002
Fig 8: Electronically Controlled Transmission And A/T Indicator And Engine Control - Wiring Diagram (8 Of 30)
G08939622Courtesy of © TOYOTA, LICENSE AGREEMENT TMS1002
Fig 9: Electronically Controlled Transmission And A/T Indicator And Engine Control - Wiring Diagram (9 Of 30)
G08939623Courtesy of © TOYOTA, LICENSE AGREEMENT TMS1002
Fig 10: Electronically Controlled Transmission And A/T Indicator And Engine Control - Wiring Diagram (10 Of 30)
G08939624Courtesy of © TOYOTA, LICENSE AGREEMENT TMS1002
Fig 11: Electronically Controlled Transmission And A/T Indicator And Engine Control - Wiring Diagram (11 Of 30)
G08939625Courtesy of © TOYOTA, LICENSE AGREEMENT TMS1002
Fig 12: Electronically Controlled Transmission And A/T Indicator And Engine Control - Wiring Diagram (12 Of 30)
G08939626Courtesy of © TOYOTA, LICENSE AGREEMENT TMS1002
Fig 13: Electronically Controlled Transmission And A/T Indicator And Engine Control - Wiring Diagram (13 Of 30)
G08939627Courtesy of © TOYOTA, LICENSE AGREEMENT TMS1002
Fig 14: Electronically Controlled Transmission And A/T Indicator And Engine Control - Wiring Diagram (14 Of 30)
G08939628Courtesy of © TOYOTA, LICENSE AGREEMENT TMS1002
Fig 15: Electronically Controlled Transmission And A/T Indicator And Engine Control - Wiring Diagram (15 Of 30)
G08939629Courtesy of © TOYOTA, LICENSE AGREEMENT TMS1002
Fig 16: Electronically Controlled Transmission And A/T Indicator And Engine Control - Wiring Diagram (16 Of 30)
G08939630Courtesy of © TOYOTA, LICENSE AGREEMENT TMS1002
Fig 17: Electronically Controlled Transmission And A/T Indicator And Engine Control - Wiring Diagram (17 Of 30)
G08939631Courtesy of © TOYOTA, LICENSE AGREEMENT TMS1002
Fig 18: Electronically Controlled Transmission And A/T Indicator And Engine Control - Wiring Diagram (18 Of 30)
G08939632Courtesy of © TOYOTA, LICENSE AGREEMENT TMS1002
Fig 19: Electronically Controlled Transmission And A/T Indicator And Engine Control - Wiring Diagram (19 Of 30)
G08939633Courtesy of © TOYOTA, LICENSE AGREEMENT TMS1002
Fig 20: Electronically Controlled Transmission And A/T Indicator And Engine Control - Wiring Diagram (20 Of 30)
G08939634Courtesy of © TOYOTA, LICENSE AGREEMENT TMS1002
Fig 21: Electronically Controlled Transmission And A/T Indicator And Engine Control - Wiring Diagram (21 Of 30)
G08939635Courtesy of © TOYOTA, LICENSE AGREEMENT TMS1002
Fig 22: Electronically Controlled Transmission And A/T Indicator And Engine Control - Wiring Diagram (22 Of 30)
G08939636Courtesy of © TOYOTA, LICENSE AGREEMENT TMS1002
Fig 23: Electronically Controlled Transmission And A/T Indicator And Engine Control - Wiring Diagram (23 Of 30)
G08939637Courtesy of © TOYOTA, LICENSE AGREEMENT TMS1002
Fig 24: Electronically Controlled Transmission And A/T Indicator And Engine Control - Wiring Diagram (24 Of 30)
G08939638Courtesy of © TOYOTA, LICENSE AGREEMENT TMS1002
Fig 25: Electronically Controlled Transmission And A/T Indicator And Engine Control - Wiring Diagram (25 Of 30)
G08939639Courtesy of © TOYOTA, LICENSE AGREEMENT TMS1002
Fig 26: Electronically Controlled Transmission And A/T Indicator And Engine Control - Wiring Diagram (26 Of 30)
G08939640Courtesy of © TOYOTA, LICENSE AGREEMENT TMS1002
Fig 27: Electronically Controlled Transmission And A/T Indicator And Engine Control - Wiring Diagram (27 Of 30)
G08939641Courtesy of © TOYOTA, LICENSE AGREEMENT TMS1002
Fig 28: Electronically Controlled Transmission And A/T Indicator And Engine Control - Wiring Diagram (28 Of 30)
G08939642Courtesy of © TOYOTA, LICENSE AGREEMENT TMS1002
Fig 29: Electronically Controlled Transmission And A/T Indicator And Engine Control - Wiring Diagram (29 Of 30)
G08939643Courtesy of © TOYOTA, LICENSE AGREEMENT TMS1002
Fig 30: Electronically Controlled Transmission And A/T Indicator And Engine Control - Wiring Diagram (30 Of 30)
G08939644Courtesy of © TOYOTA, LICENSE AGREEMENT TMS1002