LEMON Manuals: Even more car manuals for everyone: 1960-2025
Home >> Lexus >> 2012 >> IS F >> Repair and Diagnosis >> Electrical >> Body Electrical >> OEM System Circuits >> LEXUS ENFORM or Safety Connect >> Notes
April 5, 2026: LEMON Manuals is launched! Read the announcement.

LEXUS ENFORM or Safety Connect: Notes

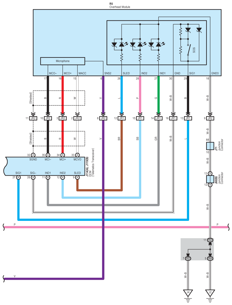
Fig 1: LEXUS ENFORM Or Safety Connect - Wiring Diagram (1 Of 4)
G08939849Courtesy of © TOYOTA, LICENSE AGREEMENT TMS1002
Fig 2: LEXUS ENFORM Or Safety Connect - Wiring Diagram (2 Of 4)
G08939850Courtesy of © TOYOTA, LICENSE AGREEMENT TMS1002
Fig 3: LEXUS ENFORM Or Safety Connect - Wiring Diagram (3 Of 4)
G08939851Courtesy of © TOYOTA, LICENSE AGREEMENT TMS1002
Fig 4: LEXUS ENFORM Or Safety Connect - Wiring Diagram (4 Of 4)
G08939852Courtesy of © TOYOTA, LICENSE AGREEMENT TMS1002