LEMON Manuals: Even more car manuals for everyone: 1960-2025
Home >> Lexus >> 2012 >> IS F >> Repair and Diagnosis >> Electrical >> Body Electrical >> OEM System Circuits >> Parking Assist (Intuitive Parking Assist) >> Notes
April 5, 2026: LEMON Manuals is launched! Read the announcement.

Parking Assist (Intuitive Parking Assist): Notes

Fig 1: Parking Assist (Intuitive Parking Assist) - Wiring Diagram (1 Of 7)
G08939842Courtesy of © TOYOTA, LICENSE AGREEMENT TMS1002
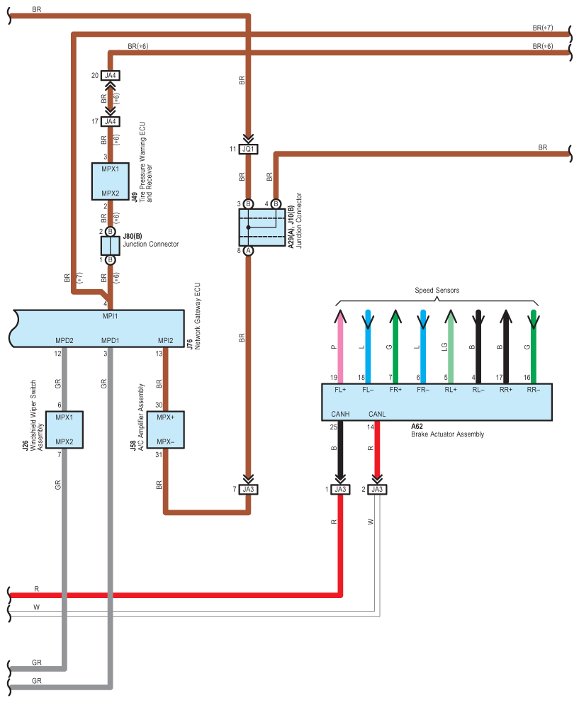
Fig 2: Parking Assist (Intuitive Parking Assist) - Wiring Diagram (2 Of 7)
G08939843Courtesy of © TOYOTA, LICENSE AGREEMENT TMS1002
Fig 3: Parking Assist (Intuitive Parking Assist) - Wiring Diagram (3 Of 7)
G08939844Courtesy of © TOYOTA, LICENSE AGREEMENT TMS1002
Fig 4: Parking Assist (Intuitive Parking Assist) - Wiring Diagram (4 Of 7)
G08939845Courtesy of © TOYOTA, LICENSE AGREEMENT TMS1002
Fig 5: Parking Assist (Intuitive Parking Assist) - Wiring Diagram (5 Of 7)
G08939846Courtesy of © TOYOTA, LICENSE AGREEMENT TMS1002
Fig 6: Parking Assist (Intuitive Parking Assist) - Wiring Diagram (6 Of 7)
G08939847Courtesy of © TOYOTA, LICENSE AGREEMENT TMS1002
Fig 7: Parking Assist (Intuitive Parking Assist) - Wiring Diagram (7 Of 7)
G08939848Courtesy of © TOYOTA, LICENSE AGREEMENT TMS1002