LEMON Manuals: Even more car manuals for everyone: 1960-2025
Home >> Lexus >> 2012 >> IS F >> Repair and Diagnosis >> Electrical >> Body Electrical >> OEM System Circuits >> Power Tilt and Power Telescopic >> Notes
April 5, 2026: LEMON Manuals is launched! Read the announcement.

Power Tilt and Power Telescopic: Notes

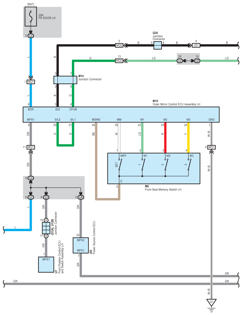
Fig 1: Power Tilt And Power Telescopic - Wiring Diagram (1 Of 6)
G08939795Courtesy of © TOYOTA, LICENSE AGREEMENT TMS1002
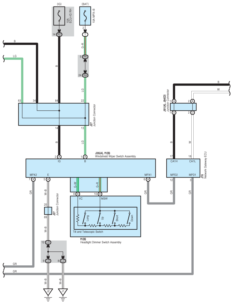
Fig 2: Power Tilt And Power Telescopic - Wiring Diagram (2 Of 6)
G08939796Courtesy of © TOYOTA, LICENSE AGREEMENT TMS1002
Fig 3: Power Tilt And Power Telescopic - Wiring Diagram (3 Of 6)
G08939797Courtesy of © TOYOTA, LICENSE AGREEMENT TMS1002
Fig 4: Power Tilt And Power Telescopic - Wiring Diagram (4 Of 6)
G08939798Courtesy of © TOYOTA, LICENSE AGREEMENT TMS1002
Fig 5: Power Tilt And Power Telescopic - Wiring Diagram (5 Of 6)
G08939799Courtesy of © TOYOTA, LICENSE AGREEMENT TMS1002
Fig 6: Power Tilt And Power Telescopic - Wiring Diagram (6 Of 6)
G08939800Courtesy of © TOYOTA, LICENSE AGREEMENT TMS1002