LEMON Manuals: Even more car manuals for everyone: 1960-2025
Home >> Lexus >> 2012 >> IS F >> Repair and Diagnosis >> Electrical >> Body Electrical >> OEM System Circuits >> Turn Signal and Hazard Warning Light >> Notes
April 5, 2026: LEMON Manuals is launched! Read the announcement.

Turn Signal and Hazard Warning Light: Notes

Fig 1: Turn Signal And Hazard Warning Light - Wiring Diagram (1 Of 6)
G08939671Courtesy of © TOYOTA, LICENSE AGREEMENT TMS1002
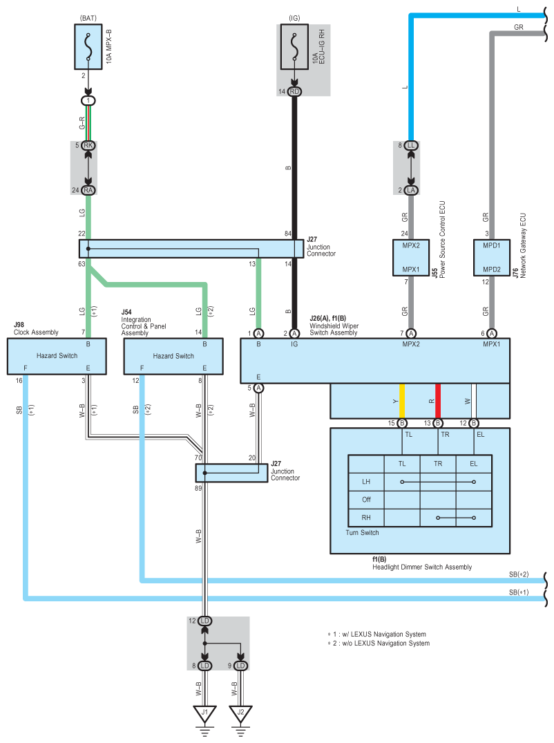
Fig 2: Turn Signal And Hazard Warning Light - Wiring Diagram (2 Of 6)
G08939672Courtesy of © TOYOTA, LICENSE AGREEMENT TMS1002
Fig 3: Turn Signal And Hazard Warning Light - Wiring Diagram (3 Of 6)
G08939673Courtesy of © TOYOTA, LICENSE AGREEMENT TMS1002
Fig 4: Turn Signal And Hazard Warning Light - Wiring Diagram (4 Of 6)
G08939674Courtesy of © TOYOTA, LICENSE AGREEMENT TMS1002
Fig 5: Turn Signal And Hazard Warning Light - Wiring Diagram (5 Of 6)
G08939675Courtesy of © TOYOTA, LICENSE AGREEMENT TMS1002
Fig 6: Turn Signal And Hazard Warning Light - Wiring Diagram (6 Of 6)
G08939676Courtesy of © TOYOTA, LICENSE AGREEMENT TMS1002