LEMON Manuals: Even more car manuals for everyone: 1960-2025
Home >> Lexus >> 2012 >> IS F >> Repair and Diagnosis >> Engine Performance >> System >> Engine Control System (Diagnostic Codes (P1604-U0101) & Circuit Tests)) >> SFI System >> Circuit Tests >> VC Output Circuit >> Wiring Diagram
April 5, 2026: LEMON Manuals is launched! Read the announcement.

VC Output Circuit: Wiring Diagram

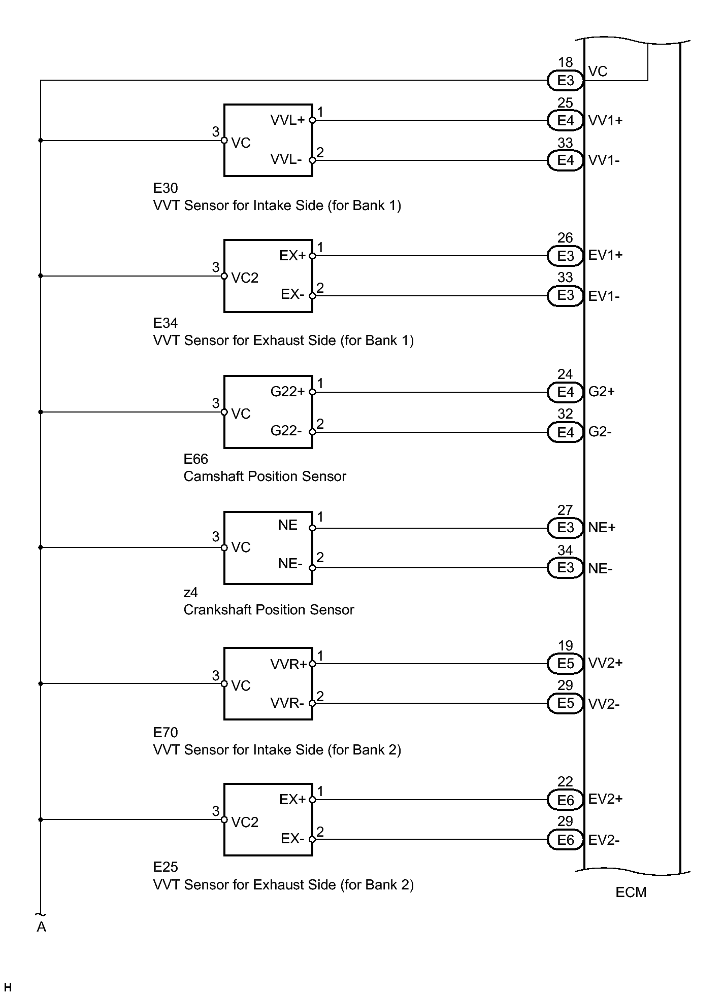
Fig 1: VC Output - Wiring Diagram (1 Of 3)
GTY260107Courtesy of © TOYOTA, LICENSE AGREEMENT TMS1002
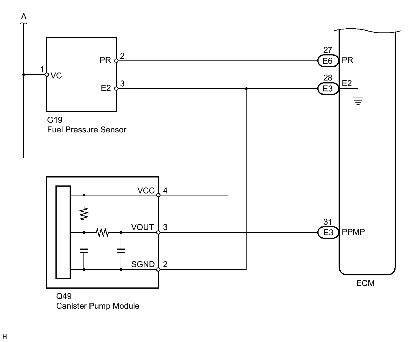
Fig 2: VC Output - Wiring Diagram (2 Of 3)
GTY266069Courtesy of © TOYOTA, LICENSE AGREEMENT TMS1002
Fig 3: VC Output Circuit - Wiring Diagram (3 Of 3)
GTY147444Courtesy of © TOYOTA, LICENSE AGREEMENT TMS1002