LEMON Manuals: Even more car manuals for everyone: 1960-2025
Home >> Lexus >> 2012 >> LS 460 AWD >> Repair and Diagnosis (Single Page) >> Electrical >> Body Electrical >> OEM System Circuits >> Power Window >> Notes
April 5, 2026: LEMON Manuals is launched! Read the announcement.

Power Window: Notes

Fig 1: Power Window - Wiring Diagram (1 Of 8)
G08940696Courtesy of © TOYOTA, LICENSE AGREEMENT TMS1002
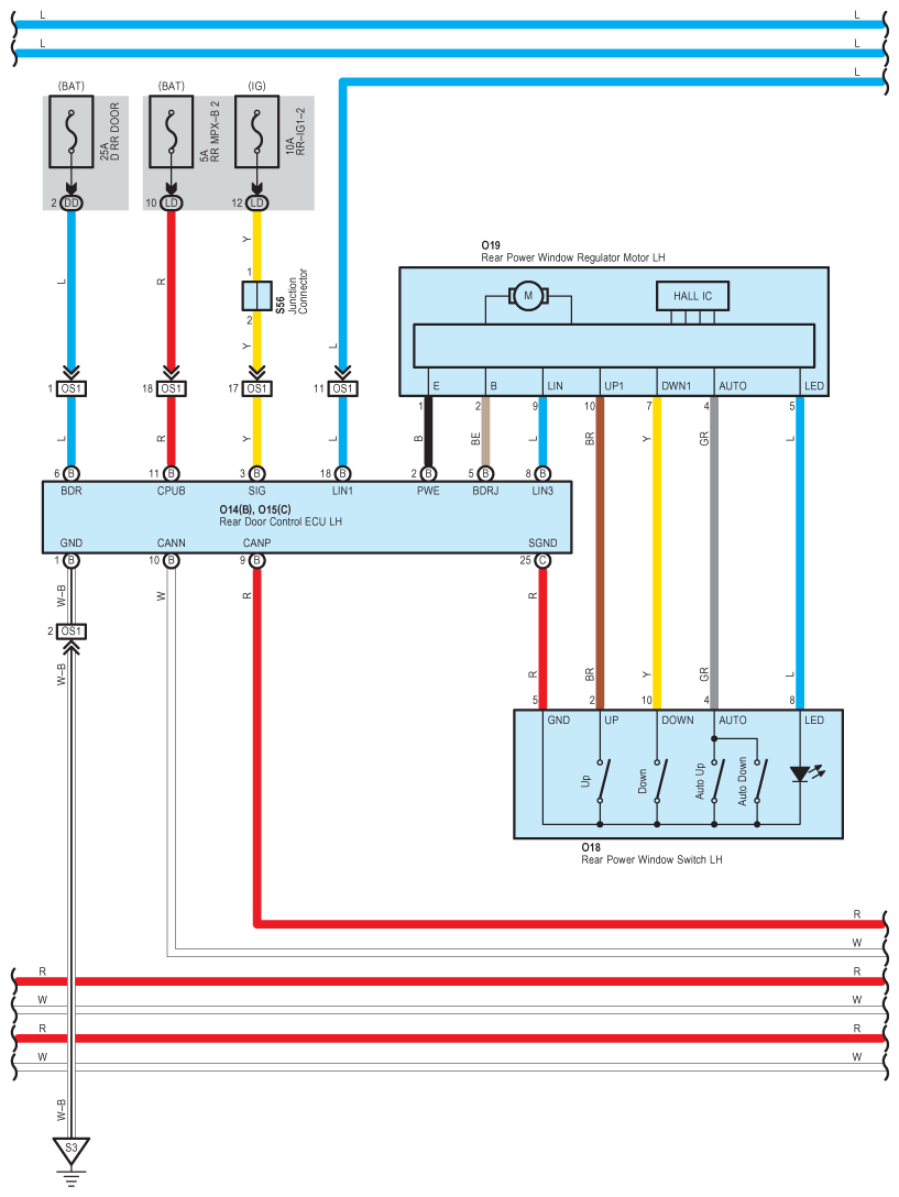
Fig 2: Power Window - Wiring Diagram (2 Of 8)
G08940697Courtesy of © TOYOTA, LICENSE AGREEMENT TMS1002
Fig 3: Power Window - Wiring Diagram (3 Of 8)
G08940698Courtesy of © TOYOTA, LICENSE AGREEMENT TMS1002
Fig 4: Power Window - Wiring Diagram (4 Of 8)
G08940699Courtesy of © TOYOTA, LICENSE AGREEMENT TMS1002
Fig 5: Power Window - Wiring Diagram (5 Of 8)
G08940700Courtesy of © TOYOTA, LICENSE AGREEMENT TMS1002
Fig 6: Power Window - Wiring Diagram (6 Of 8)
G08940701Courtesy of © TOYOTA, LICENSE AGREEMENT TMS1002
Fig 7: Power Window - Wiring Diagram (7 Of 8)
G08940702Courtesy of © TOYOTA, LICENSE AGREEMENT TMS1002
Fig 8: Power Window - Wiring Diagram (8 Of 8)
G08940703Courtesy of © TOYOTA, LICENSE AGREEMENT TMS1002