LEMON Manuals: Even more car manuals for everyone: 1960-2025
Home >> Lexus >> 2012 >> LS 460 AWD >> Repair and Diagnosis >> Electrical >> Body Electrical >> OEM Ground Points >> Ground Point >> Notes
April 5, 2026: LEMON Manuals is launched! Read the announcement.

Ground Point: Notes

Fig 1: Ground Point System Wiring Diagram (1 Of 10)
G08941057Courtesy of © TOYOTA, LICENSE AGREEMENT TMS1002
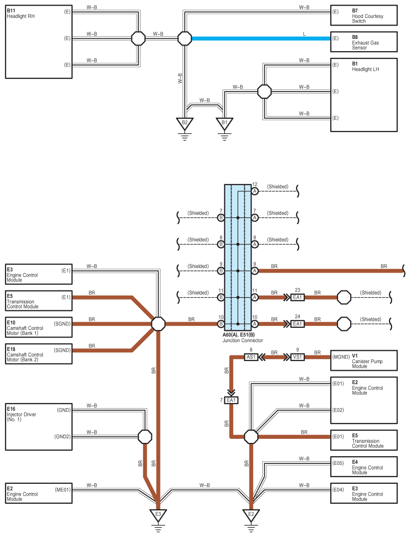
Fig 2: Ground Point System Wiring Diagram (2 Of 10)
G08941058Courtesy of © TOYOTA, LICENSE AGREEMENT TMS1002
Fig 3: Ground Point System Wiring Diagram (3 Of 10)
G08941059Courtesy of © TOYOTA, LICENSE AGREEMENT TMS1002
Fig 4: Ground Point System Wiring Diagram (4 Of 10)
G08941060Courtesy of © TOYOTA, LICENSE AGREEMENT TMS1002
Fig 5: Ground Point System Wiring Diagram (5 Of 10)
G08941061Courtesy of © TOYOTA, LICENSE AGREEMENT TMS1002
Fig 6: Ground Point System Wiring Diagram (6 Of 10)
G08941062Courtesy of © TOYOTA, LICENSE AGREEMENT TMS1002
Fig 7: Ground Point System Wiring Diagram (7 Of 10)
G08941063Courtesy of © TOYOTA, LICENSE AGREEMENT TMS1002
Fig 8: Ground Point System Wiring Diagram (8 Of 10)
G08941064Courtesy of © TOYOTA, LICENSE AGREEMENT TMS1002
Fig 9: Ground Point System Wiring Diagram (9 Of 10)
G08941065Courtesy of © TOYOTA, LICENSE AGREEMENT TMS1002
Fig 10: Ground Point System Wiring Diagram (10 Of 10)
G08941066Courtesy of © TOYOTA, LICENSE AGREEMENT TMS1002