LEMON Manuals: Even more car manuals for everyone: 1960-2025
Home >> Lexus >> 2012 >> LS 460 AWD >> Repair and Diagnosis >> Electrical >> Body Electrical >> OEM System Circuits >> Power Tilt and Power Telescopic >> Notes
April 5, 2026: LEMON Manuals is launched! Read the announcement.

Power Tilt and Power Telescopic: Notes

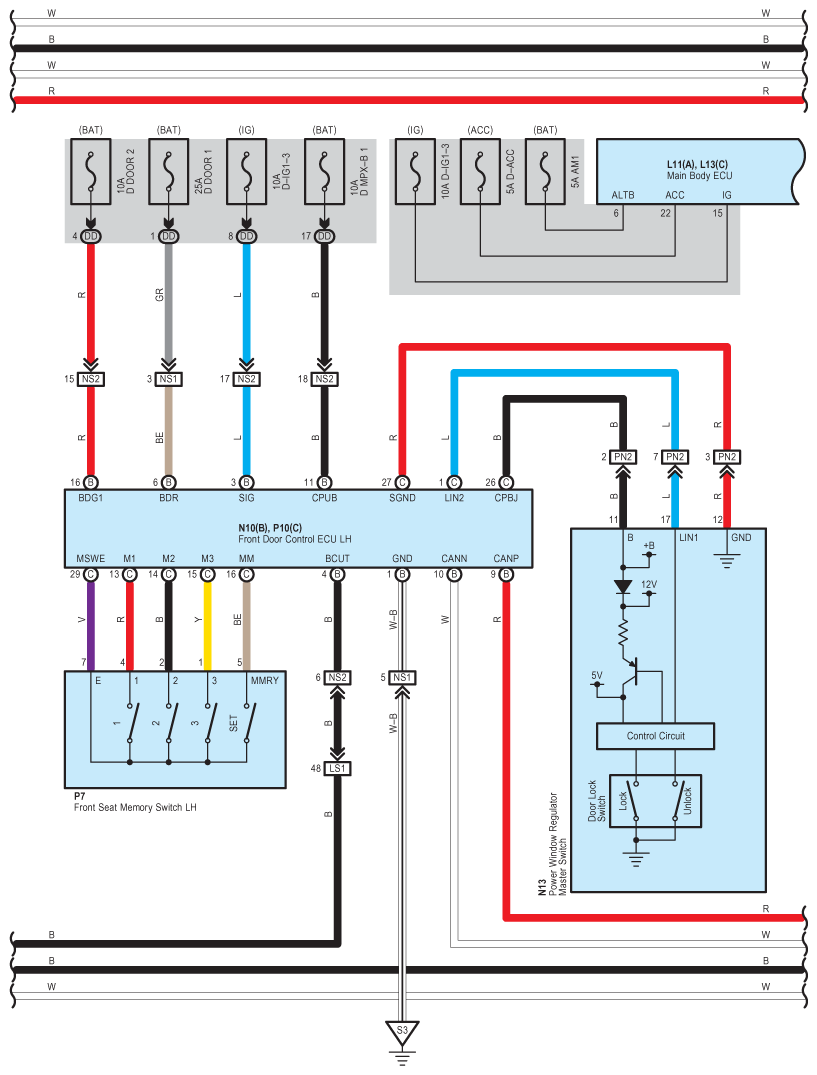
Fig 1: Power Tilt And Power Telescopic - Wiring Diagram (1 Of 8)
G08940929Courtesy of © TOYOTA, LICENSE AGREEMENT TMS1002
Fig 2: Power Tilt And Power Telescopic - Wiring Diagram (2 Of 8)
G08940930Courtesy of © TOYOTA, LICENSE AGREEMENT TMS1002
Fig 3: Power Tilt And Power Telescopic - Wiring Diagram (3 Of 8)
G08940931Courtesy of © TOYOTA, LICENSE AGREEMENT TMS1002
Fig 4: Power Tilt And Power Telescopic - Wiring Diagram (4 Of 8)
G08940932Courtesy of © TOYOTA, LICENSE AGREEMENT TMS1002
Fig 5: Power Tilt And Power Telescopic - Wiring Diagram (5 Of 8)
G08940933Courtesy of © TOYOTA, LICENSE AGREEMENT TMS1002
Fig 6: Power Tilt And Power Telescopic - Wiring Diagram (6 Of 8)
G08940934Courtesy of © TOYOTA, LICENSE AGREEMENT TMS1002
Fig 7: Power Tilt And Power Telescopic - Wiring Diagram (7 Of 8)
G08940935Courtesy of © TOYOTA, LICENSE AGREEMENT TMS1002
Fig 8: Power Tilt And Power Telescopic - Wiring Diagram (8 Of 8)
G08940936Courtesy of © TOYOTA, LICENSE AGREEMENT TMS1002