LEMON Manuals: Even more car manuals for everyone: 1960-2025
Home >> Lexus >> 2012 >> LS 460 AWD >> Repair and Diagnosis >> Electrical >> Body Electrical >> OEM System Circuits >> Rear Door Sunshade >> Notes
April 5, 2026: LEMON Manuals is launched! Read the announcement.

Rear Door Sunshade: Notes

Fig 1: Rear Door Sunshade - Wiring Diagram (1 Of 4)
G08940866Courtesy of © TOYOTA, LICENSE AGREEMENT TMS1002
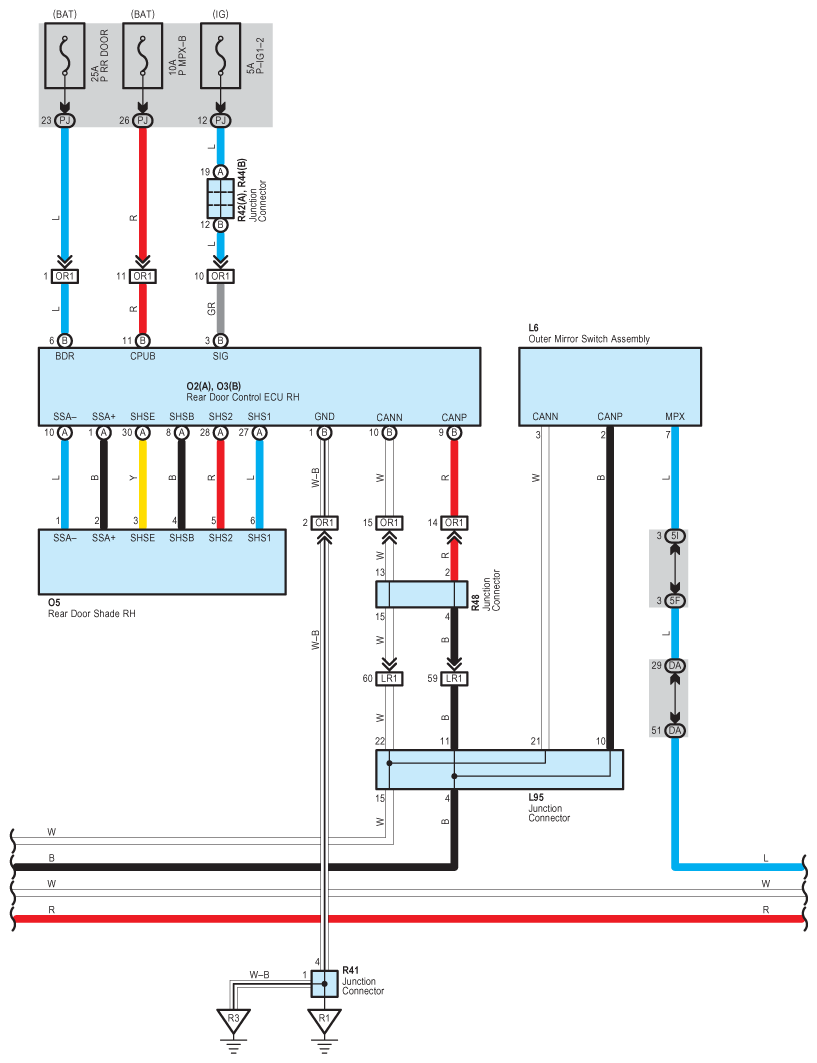
Fig 2: Rear Door Sunshade - Wiring Diagram (2 Of 4)
G08940867Courtesy of © TOYOTA, LICENSE AGREEMENT TMS1002
Fig 3: Rear Door Sunshade - Wiring Diagram (3 Of 4)
G08940868Courtesy of © TOYOTA, LICENSE AGREEMENT TMS1002
Fig 4: Rear Door Sunshade - Wiring Diagram (4 Of 4)
G08940869Courtesy of © TOYOTA, LICENSE AGREEMENT TMS1002