LEMON Manuals: Even more car manuals for everyone: 1960-2025
Home >> Lexus >> 2012 >> LS 460 AWD >> Repair and Diagnosis >> Electrical >> Body Electrical >> OEM System Circuits >> Taillight >> Notes
April 5, 2026: LEMON Manuals is launched! Read the announcement.

OEM System Circuits: Taillight: Notes

Fig 1: Taillight - Wiring Diagram (1 Of 5)
G08940665Courtesy of © TOYOTA, LICENSE AGREEMENT TMS1002
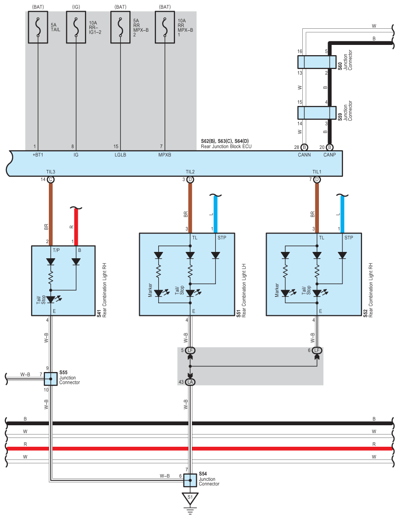
Fig 2: Taillight - Wiring Diagram (2 Of 5)
G08940666Courtesy of © TOYOTA, LICENSE AGREEMENT TMS1002
Fig 3: Taillight - Wiring Diagram (3 Of 5)
G08940667Courtesy of © TOYOTA, LICENSE AGREEMENT TMS1002
Fig 4: Taillight - Wiring Diagram (4 Of 5)
G08940668Courtesy of © TOYOTA, LICENSE AGREEMENT TMS1002
Fig 5: Taillight - Wiring Diagram (5 Of 5)
G08940669Courtesy of © TOYOTA, LICENSE AGREEMENT TMS1002