LEMON Manuals: Even more car manuals for everyone: 1960-2025
Home >> Lexus >> 2012 >> LS 460 AWD >> Repair and Diagnosis >> Electrical >> Body Electrical >> OEM System Circuits >> Wiper and Washer >> Notes
April 5, 2026: LEMON Manuals is launched! Read the announcement.

Wiper and Washer: Notes

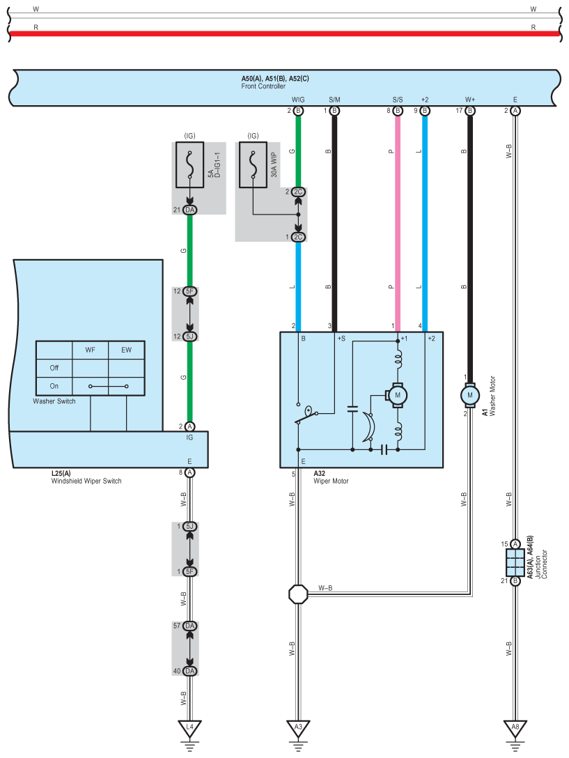
Fig 1: Wiper And Washer - Wiring Diagram (1 Of 5)
G08940691Courtesy of © TOYOTA, LICENSE AGREEMENT TMS1002
Fig 2: Wiper And Washer - Wiring Diagram (2 Of 5)
G08940692Courtesy of © TOYOTA, LICENSE AGREEMENT TMS1002
Fig 3: Wiper And Washer - Wiring Diagram (3 Of 5)
G08940693Courtesy of © TOYOTA, LICENSE AGREEMENT TMS1002
Fig 4: Wiper And Washer - Wiring Diagram (4 Of 5)
G08940694Courtesy of © TOYOTA, LICENSE AGREEMENT TMS1002
Fig 5: Wiper And Washer - Wiring Diagram (5 Of 5)
G08940695Courtesy of © TOYOTA, LICENSE AGREEMENT TMS1002