LEMON Manuals: Even more car manuals for everyone: 1960-2025
Home >> Lexus >> 2012 >> LS 460 AWD >> Repair and Diagnosis >> Engine Performance >> System >> Engine Control System (Diagnostics - Introduction) >> SFI System >> System Diagram >> System Diagram
April 5, 2026: LEMON Manuals is launched! Read the announcement.

System Diagram

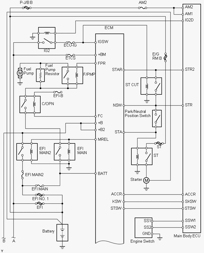
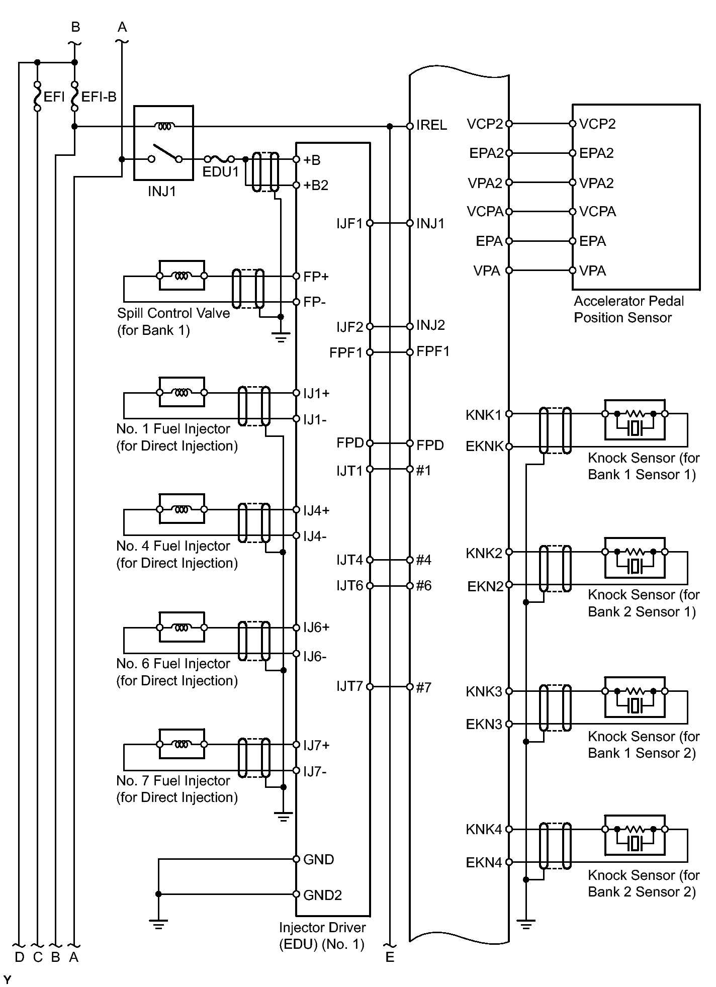
Fig 1: SFI System Diagram (1 Of 7)
GTY393171Courtesy of © TOYOTA, LICENSE AGREEMENT TMS1002
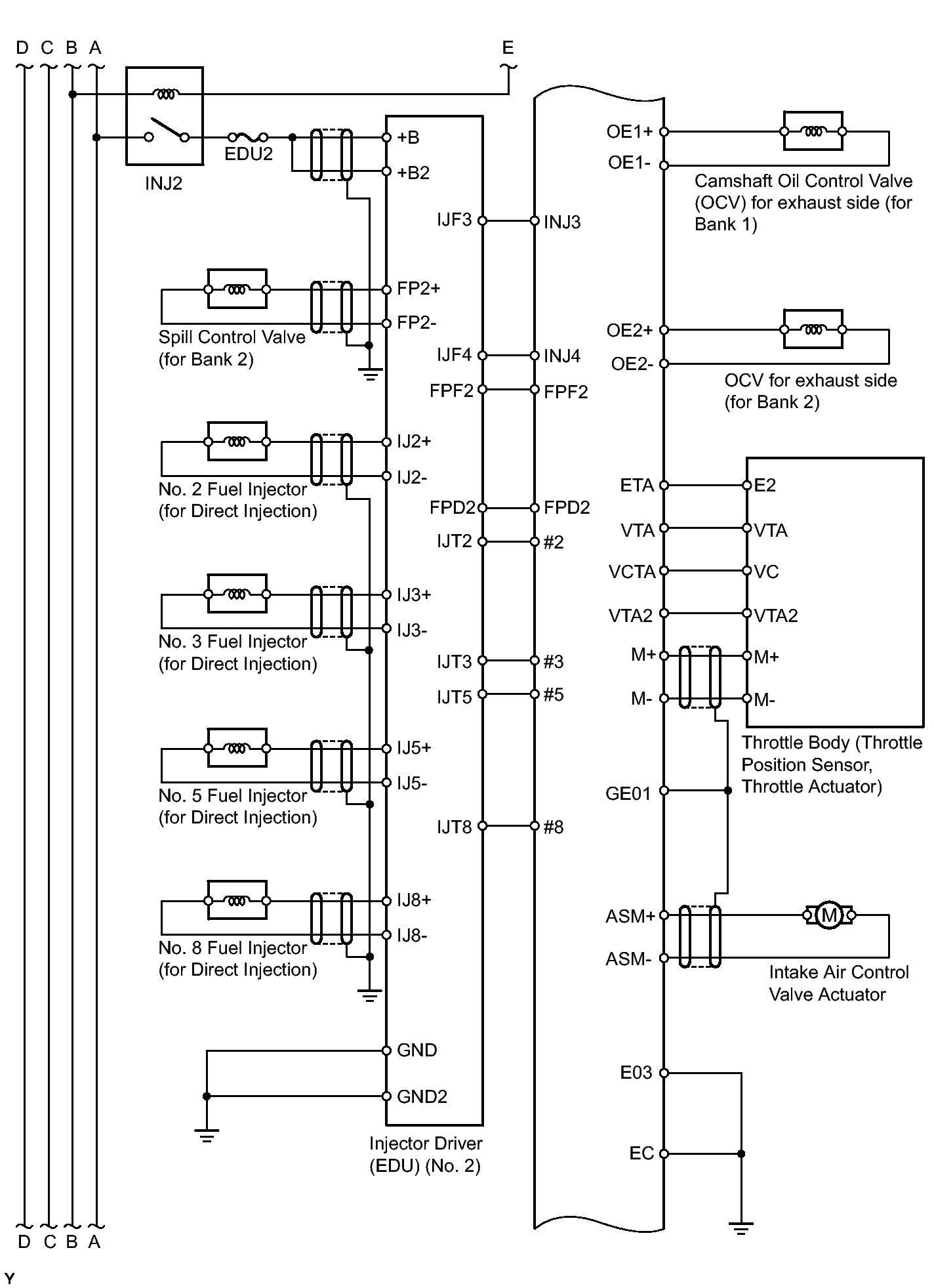
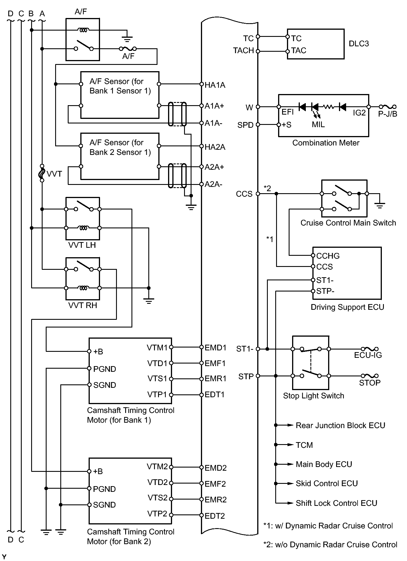
Fig 2: SFI System Diagram (2 Of 7)
GTY261655Courtesy of © TOYOTA, LICENSE AGREEMENT TMS1002
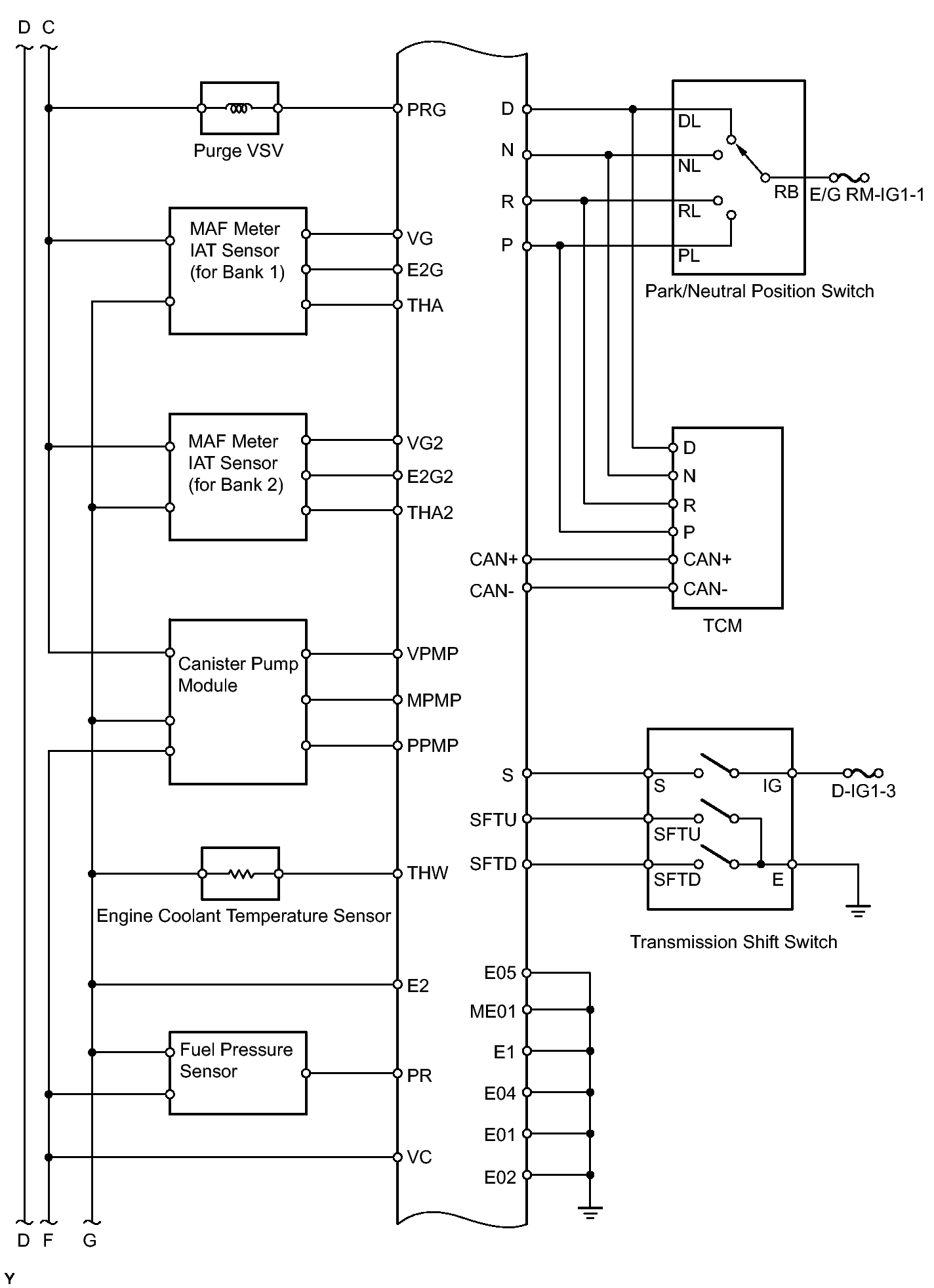
Fig 3: SFI System Diagram (3 Of 7)
GTY288147Courtesy of © TOYOTA, LICENSE AGREEMENT TMS1002
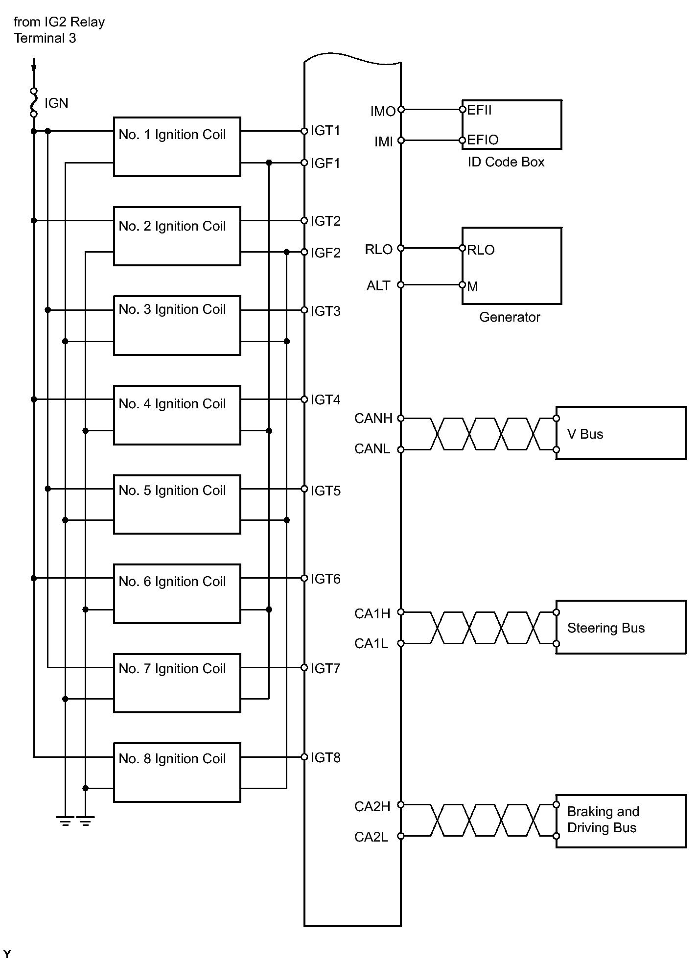
Fig 4: SFI System Diagram (4 Of 7)
GTY277682Courtesy of © TOYOTA, LICENSE AGREEMENT TMS1002
Fig 5: SFI System Diagram (5 Of 7)
GTY268179Courtesy of © TOYOTA, LICENSE AGREEMENT TMS1002
Fig 6: SFI System Diagram (6 Of 7)
GTY288148Courtesy of © TOYOTA, LICENSE AGREEMENT TMS1002
Fig 7: SFI System Diagram (7 Of 7)
GTY261440Courtesy of © TOYOTA, LICENSE AGREEMENT TMS1002