LEMON Manuals: Even more car manuals for everyone: 1960-2025
Home >> Lexus >> 2012 >> LS 460 RWD >> Repair and Diagnosis (Single Page) >> Electrical >> Body Electrical >> OEM System Circuits >> Electric Power Control System >> Notes
April 5, 2026: LEMON Manuals is launched! Read the announcement.

Electric Power Control System: Notes

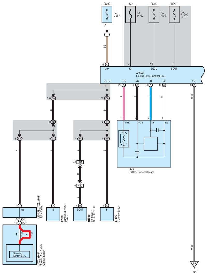
Fig 1: Electric Power Control System - Wiring Diagram (1 Of 2)
G08940624Courtesy of © TOYOTA, LICENSE AGREEMENT TMS1002
Fig 2: Electric Power Control System - Wiring Diagram (2 Of 2)
G08940625Courtesy of © TOYOTA, LICENSE AGREEMENT TMS1002