LEMON Manuals: Even more car manuals for everyone: 1960-2025
Home >> Lexus >> 2012 >> LS 460L AWD >> Repair and Diagnosis >> Electrical >> Body Electrical >> OEM System Circuits >> Electric Parking Brake >> Notes
April 5, 2026: LEMON Manuals is launched! Read the announcement.

Electric Parking Brake: Notes

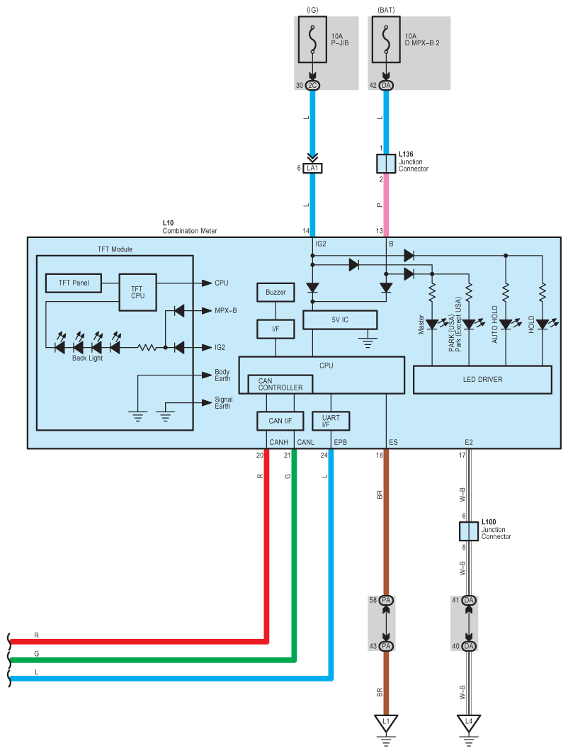
Fig 1: Electric Parking Brake - Wiring Diagram (1 Of 5)
G08940805Courtesy of © TOYOTA, LICENSE AGREEMENT TMS1002
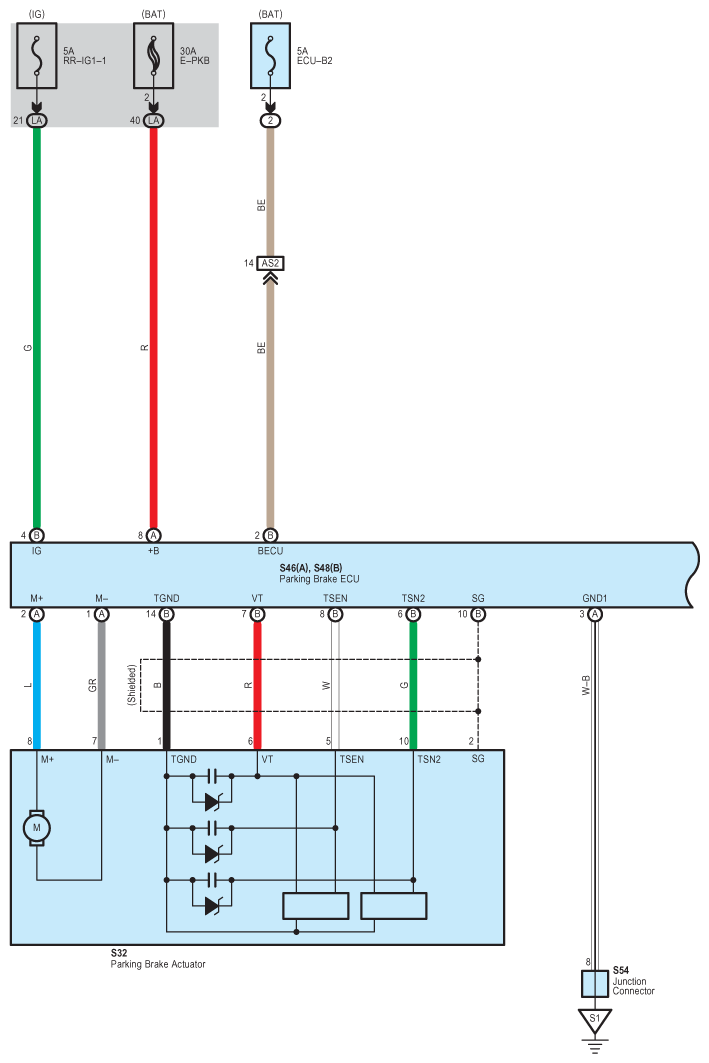
Fig 2: Electric Parking Brake - Wiring Diagram (2 Of 5)
G08940806Courtesy of © TOYOTA, LICENSE AGREEMENT TMS1002
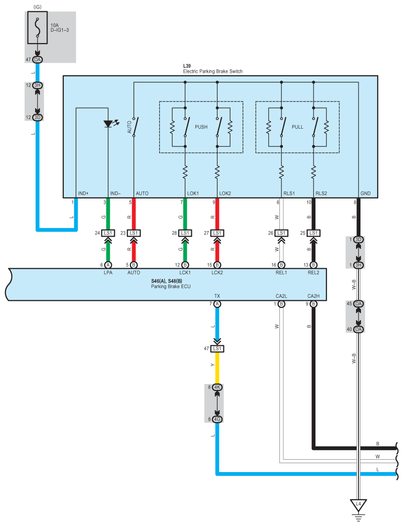
Fig 3: Electric Parking Brake - Wiring Diagram (3 Of 5)
G08940807Courtesy of © TOYOTA, LICENSE AGREEMENT TMS1002
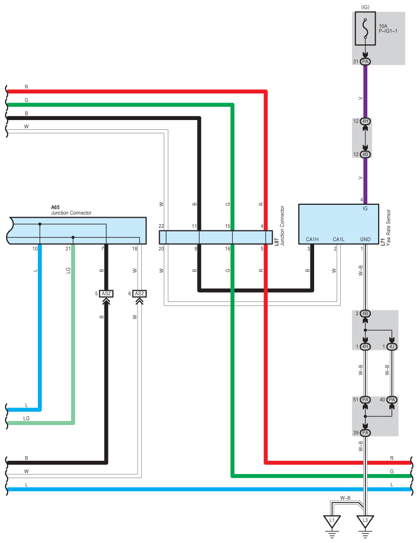
Fig 4: Electric Parking Brake - Wiring Diagram (4 Of 5)
G08940808Courtesy of © TOYOTA, LICENSE AGREEMENT TMS1002
Fig 5: Electric Parking Brake - Wiring Diagram (5 Of 5)
G08940809Courtesy of © TOYOTA, LICENSE AGREEMENT TMS1002