LEMON Manuals: Even more car manuals for everyone: 1960-2025
Home >> Lexus >> 2012 >> LS 460L AWD >> Repair and Diagnosis >> Electrical >> Body Electrical >> OEM System Circuits >> Engine Immobiliser System, Smart Access System with Push-Button Start, Starting, Steering Lock and Wireless Door Lock Control >> Notes
April 5, 2026: LEMON Manuals is launched! Read the announcement.

Engine Immobiliser System, Smart Access System with Push-Button Start, Starting, Steering Lock and Wireless Door Lock Control: Notes

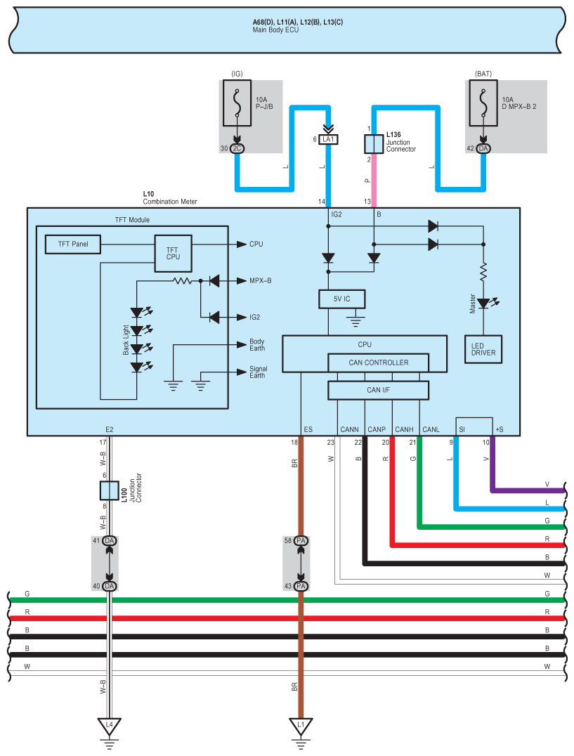
Fig 1: Engine Immobiliser System, Smart Access System With Push-Button Start, Starting, Steering Lock And Wireless Door Lock Control - Wiring Diagram (1 Of 25)
G08940555Courtesy of © TOYOTA, LICENSE AGREEMENT TMS1002
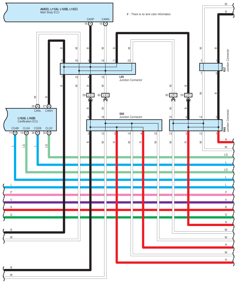
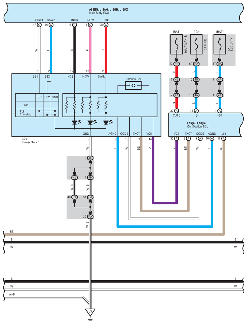
Fig 2: Engine Immobiliser System, Smart Access System With Push-Button Start, Starting, Steering Lock And Wireless Door Lock Control - Wiring Diagram (2 Of 25)
G08940556Courtesy of © TOYOTA, LICENSE AGREEMENT TMS1002
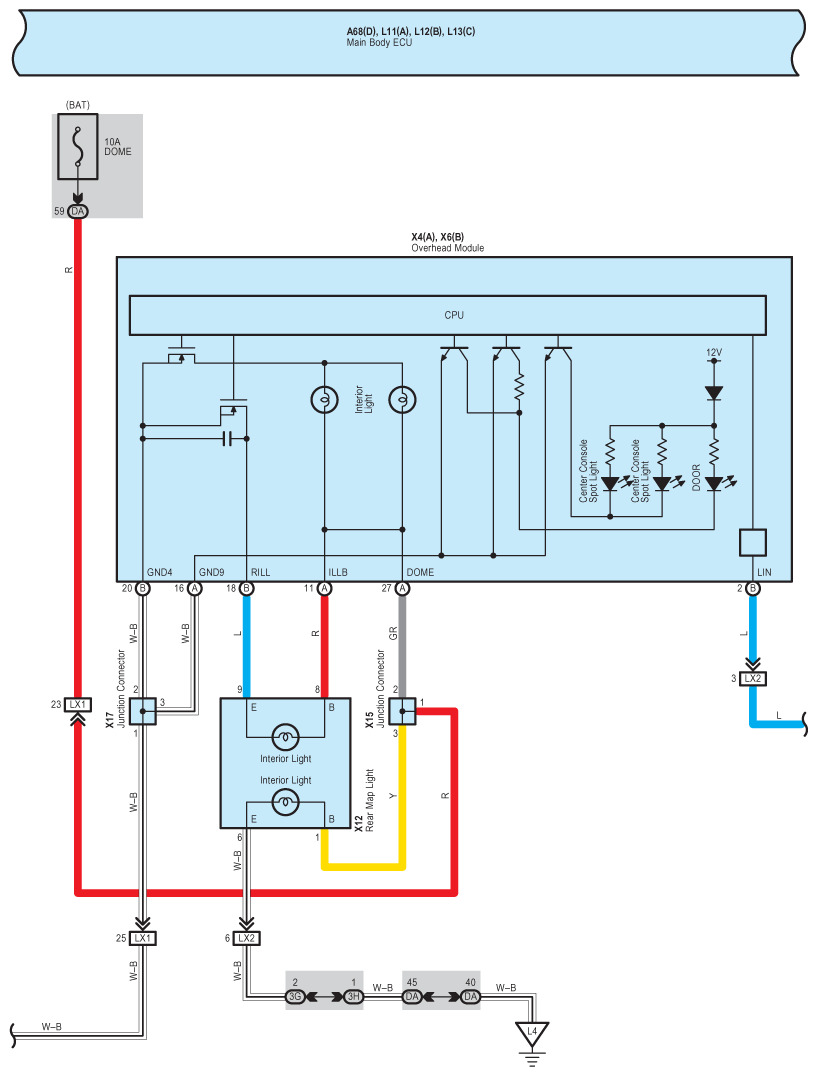
Fig 3: Engine Immobiliser System, Smart Access System With Push-Button Start, Starting, Steering Lock And Wireless Door Lock Control - Wiring Diagram (3 Of 25)
G08940557Courtesy of © TOYOTA, LICENSE AGREEMENT TMS1002
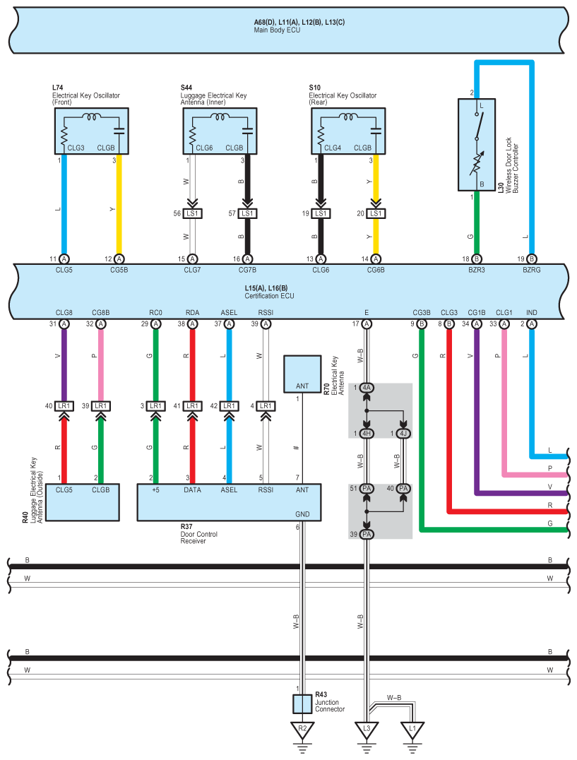
Fig 4: Engine Immobiliser System, Smart Access System With Push-Button Start, Starting, Steering Lock And Wireless Door Lock Control - Wiring Diagram (4 Of 25)
G08940558Courtesy of © TOYOTA, LICENSE AGREEMENT TMS1002
Fig 5: Engine Immobiliser System, Smart Access System With Push-Button Start, Starting, Steering Lock And Wireless Door Lock Control - Wiring Diagram (5 Of 25)
G08940559Courtesy of © TOYOTA, LICENSE AGREEMENT TMS1002
Fig 6: Engine Immobiliser System, Smart Access System With Push-Button Start, Starting, Steering Lock And Wireless Door Lock Control - Wiring Diagram (6 Of 25)
G08940560Courtesy of © TOYOTA, LICENSE AGREEMENT TMS1002
Fig 7: Engine Immobiliser System, Smart Access System With Push-Button Start, Starting, Steering Lock And Wireless Door Lock Control - Wiring Diagram (7 Of 25)
G08940561Courtesy of © TOYOTA, LICENSE AGREEMENT TMS1002
Fig 8: Engine Immobiliser System, Smart Access System With Push-Button Start, Starting, Steering Lock And Wireless Door Lock Control - Wiring Diagram (8 Of 25)
G08940562Courtesy of © TOYOTA, LICENSE AGREEMENT TMS1002
Fig 9: Engine Immobiliser System, Smart Access System With Push-Button Start, Starting, Steering Lock And Wireless Door Lock Control - Wiring Diagram (9 Of 25)
G08940563Courtesy of © TOYOTA, LICENSE AGREEMENT TMS1002
Fig 10: Engine Immobiliser System, Smart Access System With Push-Button Start, Starting, Steering Lock And Wireless Door Lock Control - Wiring Diagram (10 Of 25)
G08940564Courtesy of © TOYOTA, LICENSE AGREEMENT TMS1002
Fig 11: Engine Immobiliser System, Smart Access System With Push-Button Start, Starting, Steering Lock And Wireless Door Lock Control - Wiring Diagram (11 Of 25)
G08940565Courtesy of © TOYOTA, LICENSE AGREEMENT TMS1002
Fig 12: Engine Immobiliser System, Smart Access System With Push-Button Start, Starting, Steering Lock And Wireless Door Lock Control - Wiring Diagram (12 Of 25)
G08940566Courtesy of © TOYOTA, LICENSE AGREEMENT TMS1002
Fig 13: Engine Immobiliser System, Smart Access System With Push-Button Start, Starting, Steering Lock And Wireless Door Lock Control - Wiring Diagram (13 Of 25)
G08940567Courtesy of © TOYOTA, LICENSE AGREEMENT TMS1002
Fig 14: Engine Immobiliser System, Smart Access System With Push-Button Start, Starting, Steering Lock And Wireless Door Lock Control - Wiring Diagram (14 Of 25)
G08940568Courtesy of © TOYOTA, LICENSE AGREEMENT TMS1002
Fig 15: Engine Immobiliser System, Smart Access System With Push-Button Start, Starting, Steering Lock And Wireless Door Lock Control - Wiring Diagram (15 Of 25)
G08940569Courtesy of © TOYOTA, LICENSE AGREEMENT TMS1002
Fig 16: Engine Immobiliser System, Smart Access System With Push-Button Start, Starting, Steering Lock And Wireless Door Lock Control - Wiring Diagram (16 Of 25)
G08940570Courtesy of © TOYOTA, LICENSE AGREEMENT TMS1002
Fig 17: Engine Immobiliser System, Smart Access System With Push-Button Start, Starting, Steering Lock And Wireless Door Lock Control - Wiring Diagram (17 Of 25)
G08940571Courtesy of © TOYOTA, LICENSE AGREEMENT TMS1002
Fig 18: Engine Immobiliser System, Smart Access System With Push-Button Start, Starting, Steering Lock And Wireless Door Lock Control - Wiring Diagram (18 Of 25)
G08940572Courtesy of © TOYOTA, LICENSE AGREEMENT TMS1002
Fig 19: Engine Immobiliser System, Smart Access System With Push-Button Start, Starting, Steering Lock And Wireless Door Lock Control - Wiring Diagram (19 Of 25)
G08940573Courtesy of © TOYOTA, LICENSE AGREEMENT TMS1002
Fig 20: Engine Immobiliser System, Smart Access System With Push-Button Start, Starting, Steering Lock And Wireless Door Lock Control - Wiring Diagram (20 Of 25)
G08940574Courtesy of © TOYOTA, LICENSE AGREEMENT TMS1002
Fig 21: Engine Immobiliser System, Smart Access System With Push-Button Start, Starting, Steering Lock And Wireless Door Lock Control - Wiring Diagram (21 Of 25)
G08940575Courtesy of © TOYOTA, LICENSE AGREEMENT TMS1002
Fig 22: Engine Immobiliser System, Smart Access System With Push-Button Start, Starting, Steering Lock And Wireless Door Lock Control - Wiring Diagram (22 Of 25)
G08940576Courtesy of © TOYOTA, LICENSE AGREEMENT TMS1002
Fig 23: Engine Immobiliser System, Smart Access System With Push-Button Start, Starting, Steering Lock And Wireless Door Lock Control - Wiring Diagram (23 Of 25)
G08940577Courtesy of © TOYOTA, LICENSE AGREEMENT TMS1002
Fig 24: Engine Immobiliser System, Smart Access System With Push-Button Start, Starting, Steering Lock And Wireless Door Lock Control - Wiring Diagram (24 Of 25)
G08940578Courtesy of © TOYOTA, LICENSE AGREEMENT TMS1002
Fig 25: Engine Immobiliser System, Smart Access System With Push-Button Start, Starting, Steering Lock And Wireless Door Lock Control - Wiring Diagram (25 Of 25)
G08940579Courtesy of © TOYOTA, LICENSE AGREEMENT TMS1002