LEMON Manuals: Even more car manuals for everyone: 1960-2025
Home >> Lexus >> 2012 >> LS 460L AWD >> Repair and Diagnosis >> External Pages >> Different car >> Section 47 (Electric Power Control System (Diagnostic Codes)) >> Electric Power Control System >> DTC B22A1: Battery Current Sensor >> Wiring Diagram
April 5, 2026: LEMON Manuals is launched! Read the announcement.

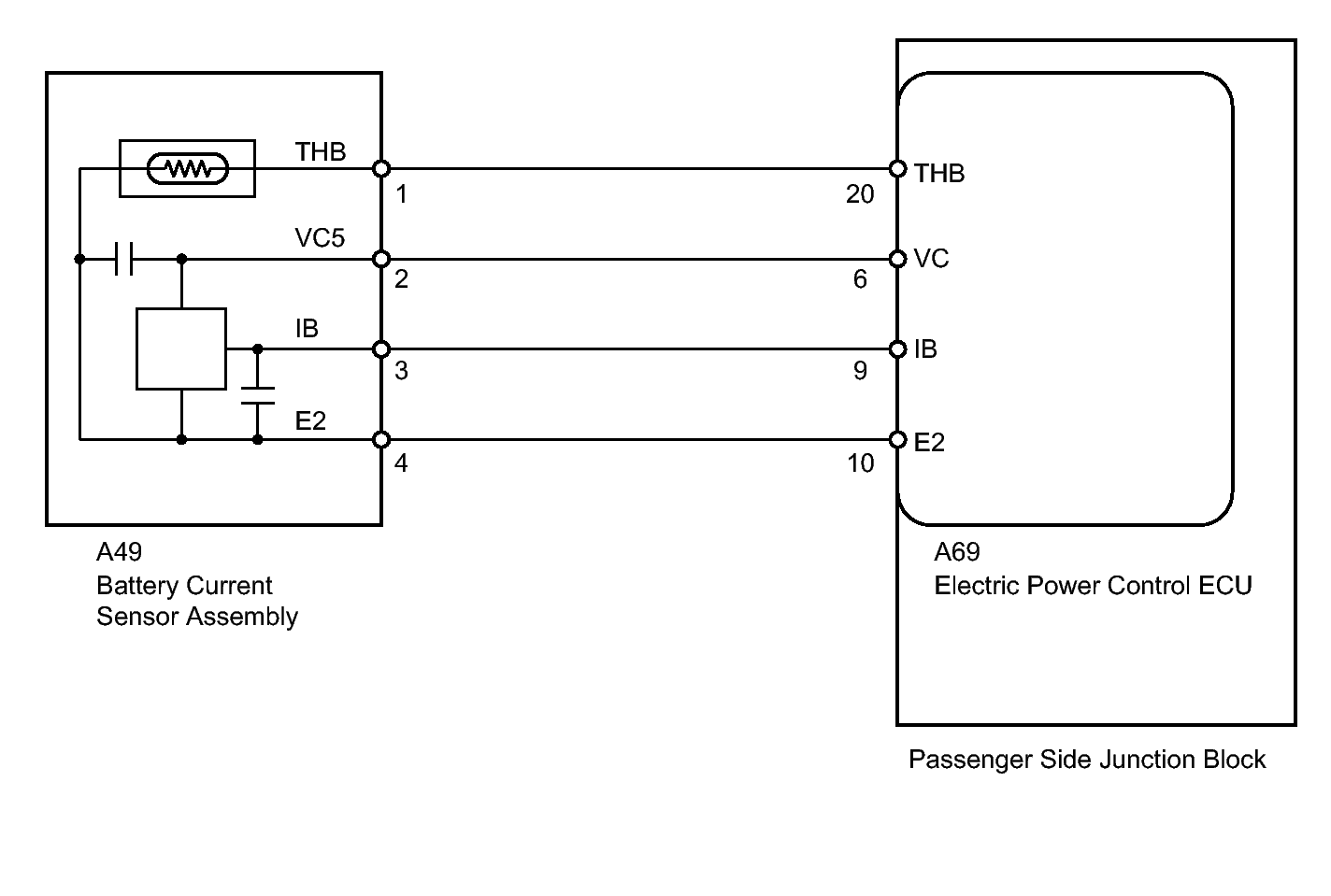
DTC B22A1: Battery Current Sensor: Wiring Diagram

WARNING: This page is about a different car, the 2012 Lexus LS 460. However, it is still accessible from the selected car via links, so may be relevant.
Fig 1: Battery Current Sensor - Wiring Diagram
GTY282478Courtesy of © TOYOTA, LICENSE AGREEMENT TMS1002