LEMON Manuals: Even more car manuals for everyone: 1960-2025
Home >> Lexus >> 2012 >> LS 460L RWD >> Repair and Diagnosis >> Electrical >> Body Electrical >> OEM System Circuits >> Interior Light >> Notes
April 5, 2026: LEMON Manuals is launched! Read the announcement.

Interior Light: Notes

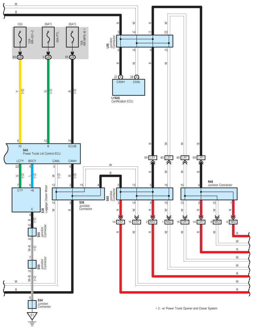
Fig 1: Interior Light - Wiring Diagram (1 Of 10)
G08940635Courtesy of © TOYOTA, LICENSE AGREEMENT TMS1002
Fig 2: Interior Light - Wiring Diagram (2 Of 10)
G08940636Courtesy of © TOYOTA, LICENSE AGREEMENT TMS1002
Fig 3: Interior Light - Wiring Diagram (3 Of 10)
G08940637Courtesy of © TOYOTA, LICENSE AGREEMENT TMS1002
Fig 4: Interior Light - Wiring Diagram (4 Of 10)
G08940638Courtesy of © TOYOTA, LICENSE AGREEMENT TMS1002
Fig 5: Interior Light - Wiring Diagram (5 Of 10)
G08940639Courtesy of © TOYOTA, LICENSE AGREEMENT TMS1002
Fig 6: Interior Light - Wiring Diagram (6 Of 10)
G08940640Courtesy of © TOYOTA, LICENSE AGREEMENT TMS1002
Fig 7: Interior Light - Wiring Diagram (7 Of 10)
G08940641Courtesy of © TOYOTA, LICENSE AGREEMENT TMS1002
Fig 8: Interior Light - Wiring Diagram (8 Of 10)
G08940642Courtesy of © TOYOTA, LICENSE AGREEMENT TMS1002
Fig 9: Interior Light - Wiring Diagram (9 Of 10)
G08940643Courtesy of © TOYOTA, LICENSE AGREEMENT TMS1002
Fig 10: Interior Light - Wiring Diagram (10 Of 10)
G08940644Courtesy of © TOYOTA, LICENSE AGREEMENT TMS1002