LEMON Manuals: Even more car manuals for everyone: 1960-2025
Home >> Lexus >> 2012 >> LS 460L RWD >> Repair and Diagnosis >> Electrical >> Body Electrical >> OEM System Circuits >> Mirror Heater and Rear Window Defogger >> Notes
April 5, 2026: LEMON Manuals is launched! Read the announcement.

Mirror Heater and Rear Window Defogger: Notes

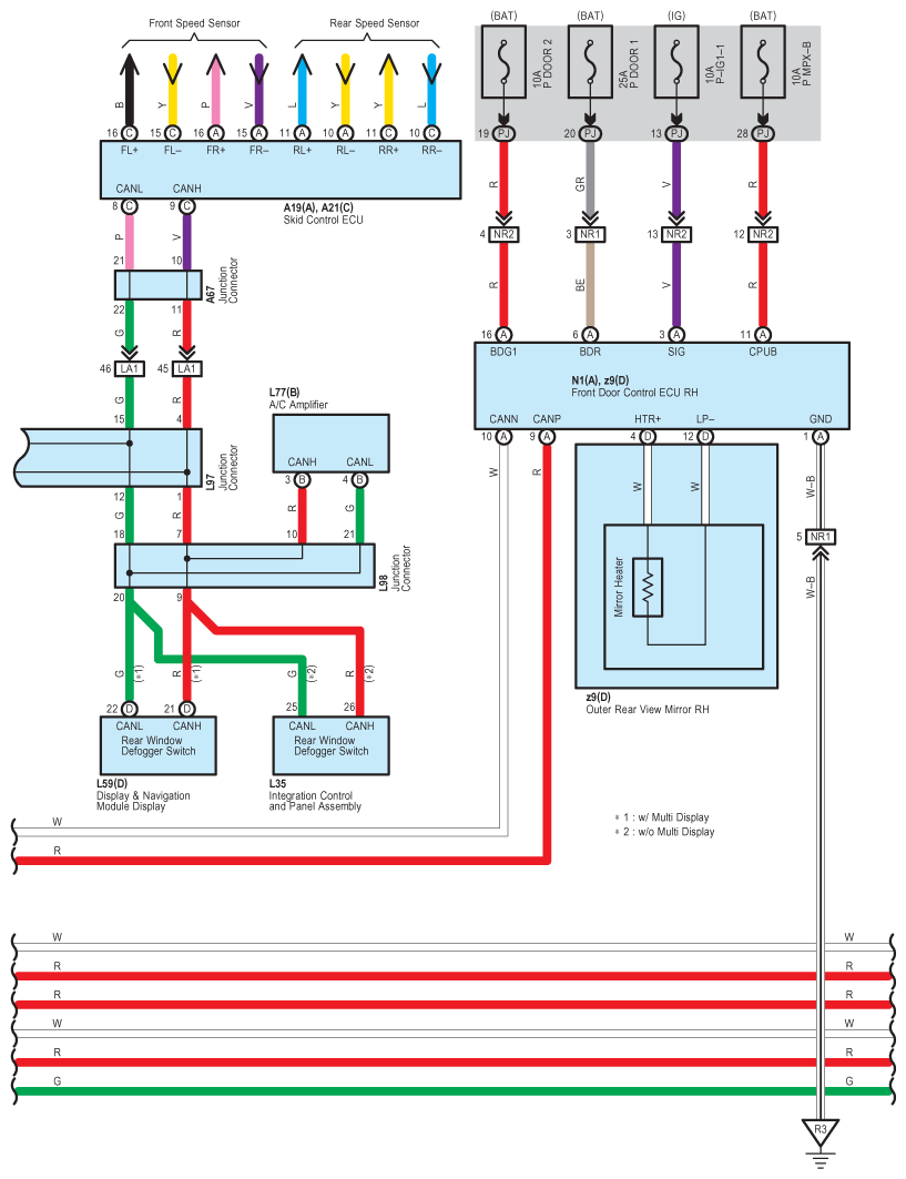
Fig 1: Mirror Heater And Rear Window Defogger - Wiring Diagram (1 Of 6)
G08940947Courtesy of © TOYOTA, LICENSE AGREEMENT TMS1002
Fig 2: Mirror Heater And Rear Window Defogger - Wiring Diagram (2 Of 6)
G08940948Courtesy of © TOYOTA, LICENSE AGREEMENT TMS1002
Fig 3: Mirror Heater And Rear Window Defogger - Wiring Diagram (3 Of 6)
G08940949Courtesy of © TOYOTA, LICENSE AGREEMENT TMS1002
Fig 4: Mirror Heater And Rear Window Defogger - Wiring Diagram (4 Of 6)
G08940950Courtesy of © TOYOTA, LICENSE AGREEMENT TMS1002
Fig 5: Mirror Heater And Rear Window Defogger - Wiring Diagram (5 Of 6)
G08940951Courtesy of © TOYOTA, LICENSE AGREEMENT TMS1002
Fig 6: Mirror Heater And Rear Window Defogger - Wiring Diagram (6 Of 6)
G08940952Courtesy of © TOYOTA, LICENSE AGREEMENT TMS1002