LEMON Manuals: Even more car manuals for everyone: 1960-2025
Home >> Lexus >> 2012 >> LS 600hL >> Repair and Diagnosis (Single Page) >> Electrical >> Body Electrical >> OEM System Circuits >> Dynamic Radar Cruise Control >> Notes
April 5, 2026: LEMON Manuals is launched! Read the announcement.

Dynamic Radar Cruise Control: Notes

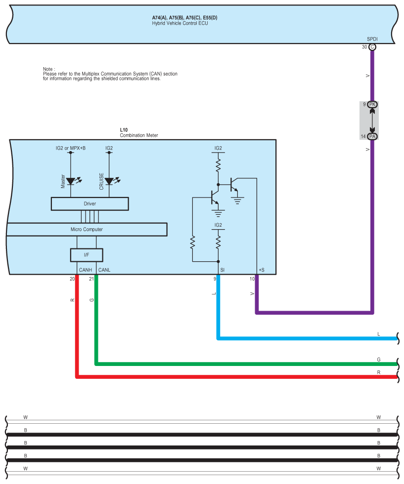
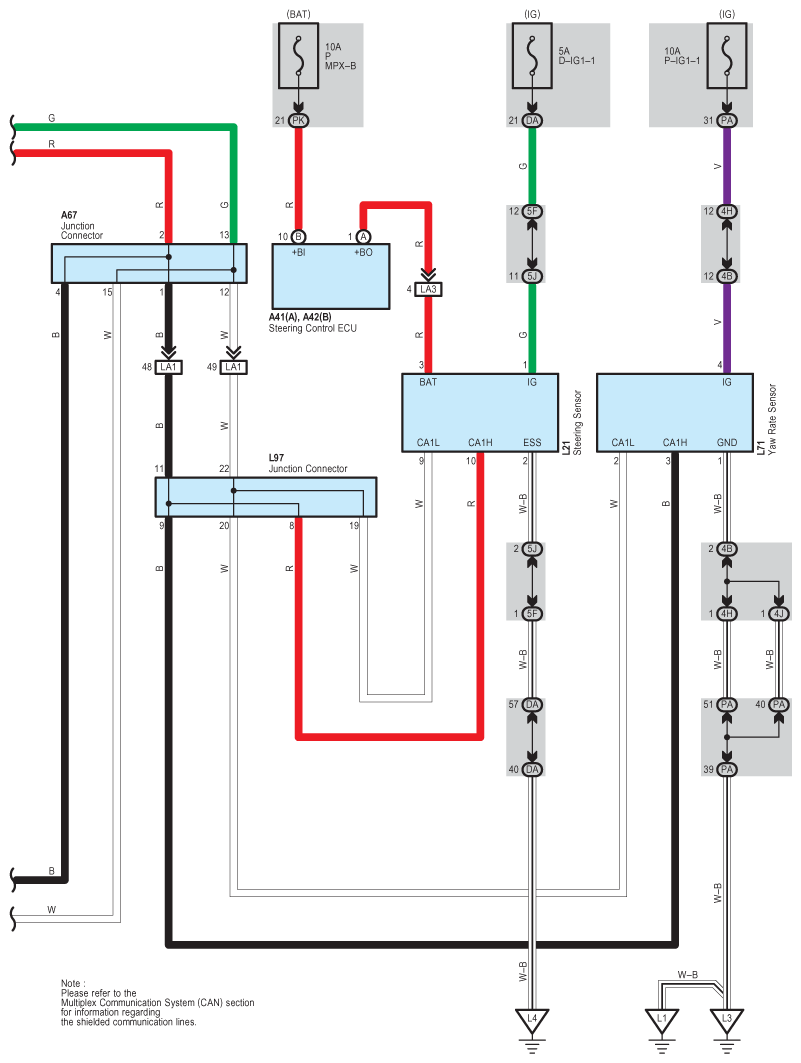
Fig 1: Dynamic Radar Cruise Control - Wiring Diagram (1 Of 22)
G08936850Courtesy of © TOYOTA, LICENSE AGREEMENT TMS1002
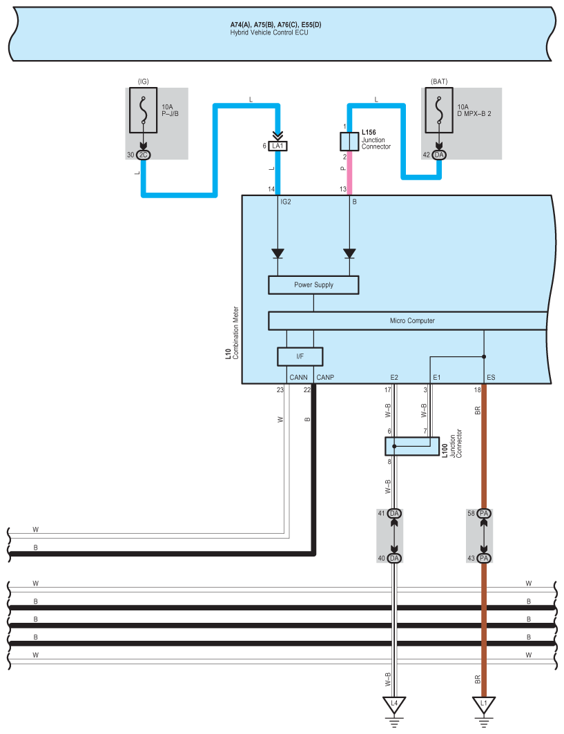
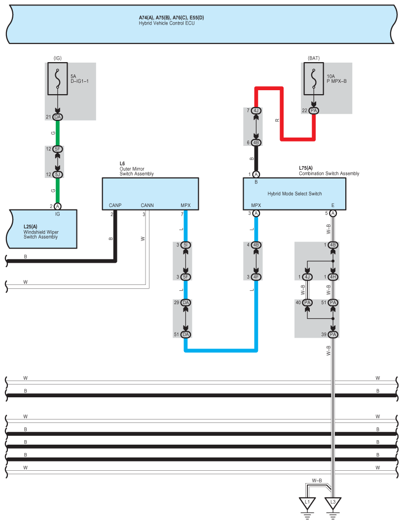
Fig 2: Dynamic Radar Cruise Control - Wiring Diagram (2 Of 22)
G08936851Courtesy of © TOYOTA, LICENSE AGREEMENT TMS1002
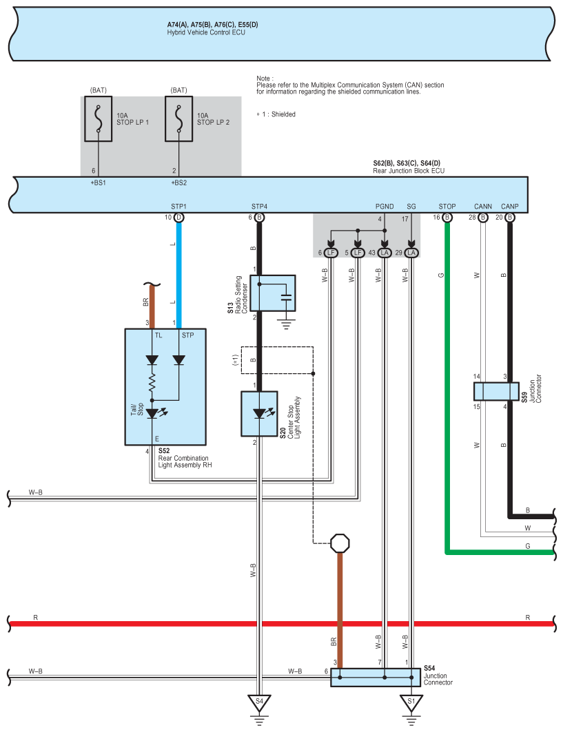
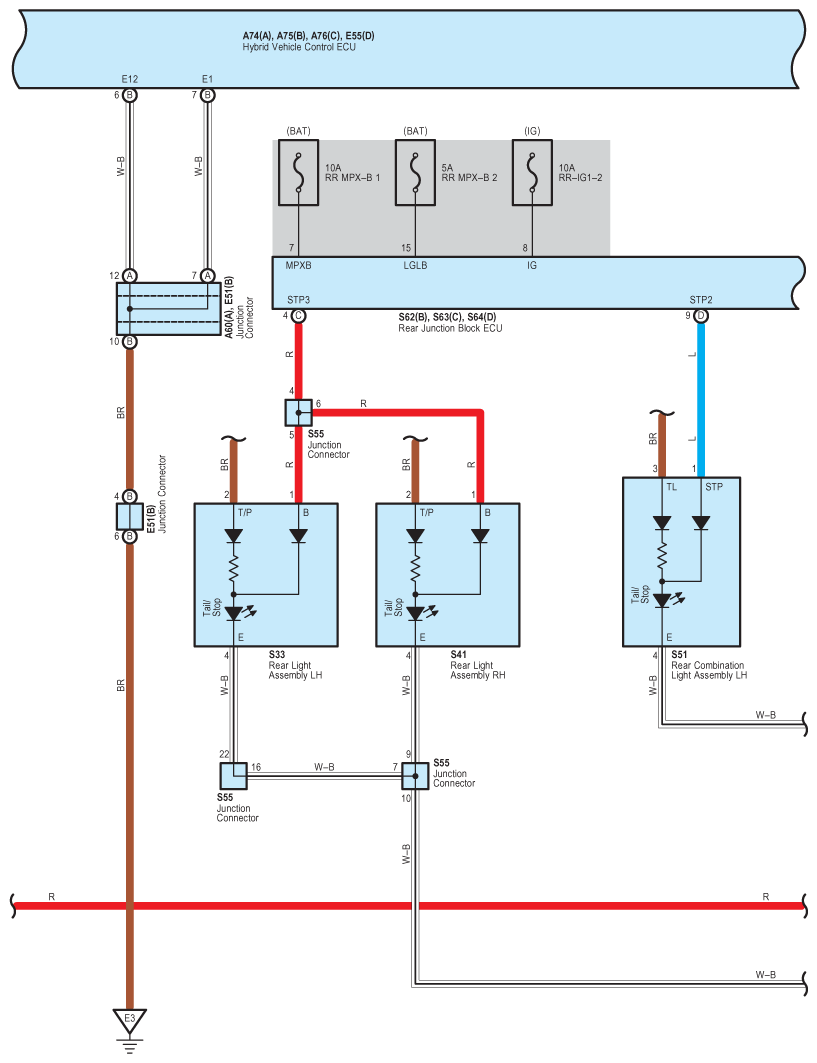
Fig 3: Dynamic Radar Cruise Control - Wiring Diagram (3 Of 22)
G08936852Courtesy of © TOYOTA, LICENSE AGREEMENT TMS1002
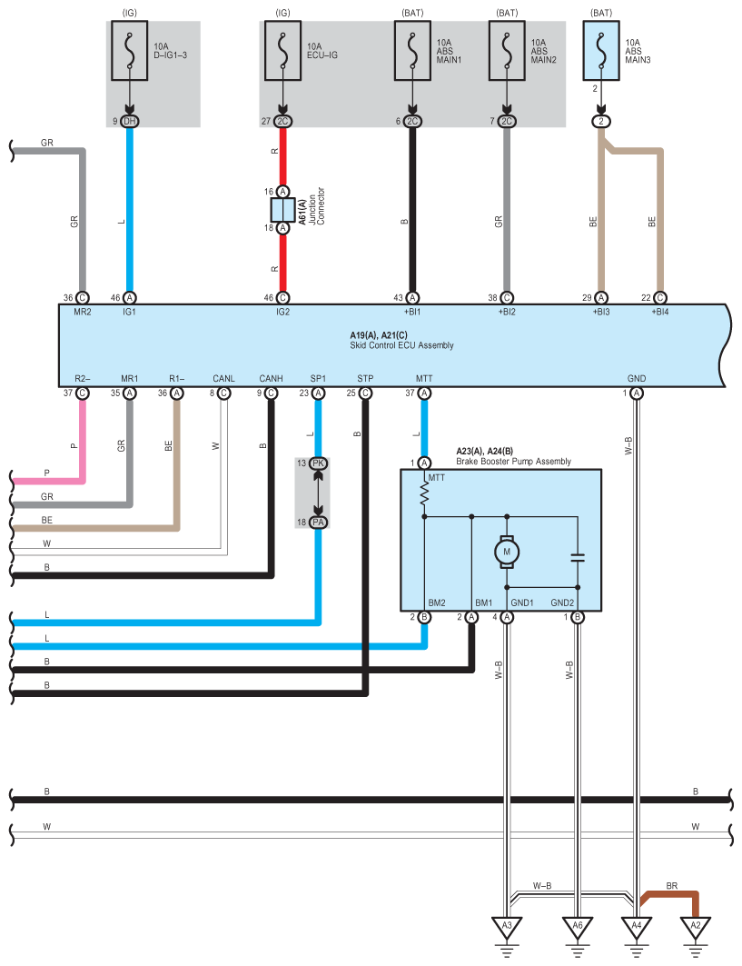
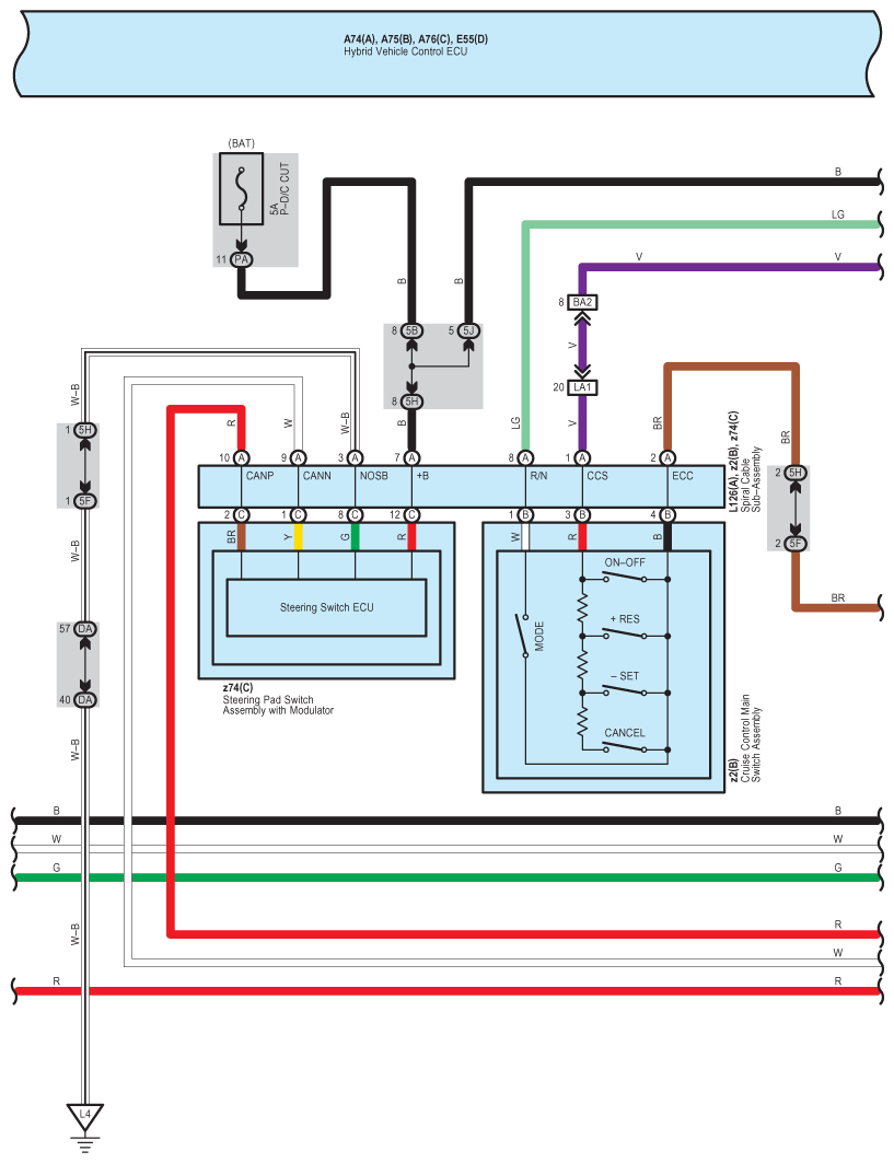
Fig 4: Dynamic Radar Cruise Control - Wiring Diagram (4 Of 22)
G08936853Courtesy of © TOYOTA, LICENSE AGREEMENT TMS1002
Fig 5: Dynamic Radar Cruise Control - Wiring Diagram (5 Of 22)
G08936854Courtesy of © TOYOTA, LICENSE AGREEMENT TMS1002
Fig 6: Dynamic Radar Cruise Control - Wiring Diagram (6 Of 22)
G08936855Courtesy of © TOYOTA, LICENSE AGREEMENT TMS1002
Fig 7: Dynamic Radar Cruise Control - Wiring Diagram (7 Of 22)
G08936856Courtesy of © TOYOTA, LICENSE AGREEMENT TMS1002
Fig 8: Dynamic Radar Cruise Control - Wiring Diagram (8 Of 22)
G08936857Courtesy of © TOYOTA, LICENSE AGREEMENT TMS1002
Fig 9: Dynamic Radar Cruise Control - Wiring Diagram (9 Of 22)
G08936858Courtesy of © TOYOTA, LICENSE AGREEMENT TMS1002
Fig 10: Dynamic Radar Cruise Control - Wiring Diagram (10 Of 22)
G08936859Courtesy of © TOYOTA, LICENSE AGREEMENT TMS1002
Fig 11: Dynamic Radar Cruise Control - Wiring Diagram (11 Of 22)
G08936860Courtesy of © TOYOTA, LICENSE AGREEMENT TMS1002
Fig 12: Dynamic Radar Cruise Control - Wiring Diagram (12 Of 22)
G08936861Courtesy of © TOYOTA, LICENSE AGREEMENT TMS1002
Fig 13: Dynamic Radar Cruise Control - Wiring Diagram (13 Of 22)
G08936862Courtesy of © TOYOTA, LICENSE AGREEMENT TMS1002
Fig 14: Dynamic Radar Cruise Control - Wiring Diagram (14 Of 22)
G08936863Courtesy of © TOYOTA, LICENSE AGREEMENT TMS1002
Fig 15: Dynamic Radar Cruise Control - Wiring Diagram (15 Of 22)
G08936864Courtesy of © TOYOTA, LICENSE AGREEMENT TMS1002
Fig 16: Dynamic Radar Cruise Control - Wiring Diagram (16 Of 22)
G08936865Courtesy of © TOYOTA, LICENSE AGREEMENT TMS1002
Fig 17: Dynamic Radar Cruise Control - Wiring Diagram (17 Of 22)
G08936866Courtesy of © TOYOTA, LICENSE AGREEMENT TMS1002
Fig 18: Dynamic Radar Cruise Control - Wiring Diagram (18 Of 22)
G08936867Courtesy of © TOYOTA, LICENSE AGREEMENT TMS1002
Fig 19: Dynamic Radar Cruise Control - Wiring Diagram (19 Of 22)
G08936868Courtesy of © TOYOTA, LICENSE AGREEMENT TMS1002
Fig 20: Dynamic Radar Cruise Control - Wiring Diagram (20 Of 22)
G08936869Courtesy of © TOYOTA, LICENSE AGREEMENT TMS1002
Fig 21: Dynamic Radar Cruise Control - Wiring Diagram (21 Of 22)
G08936870Courtesy of © TOYOTA, LICENSE AGREEMENT TMS1002
Fig 22: Dynamic Radar Cruise Control - Wiring Diagram (22 Of 22)
G08936871Courtesy of © TOYOTA, LICENSE AGREEMENT TMS1002