LEMON Manuals: Even more car manuals for everyone: 1960-2025
Home >> Lexus >> 2012 >> LS 600hL >> Repair and Diagnosis >> Electrical >> Body Electrical >> OEM System Circuits >> Brake Hold System >> Notes
April 5, 2026: LEMON Manuals is launched! Read the announcement.

Brake Hold System: Notes

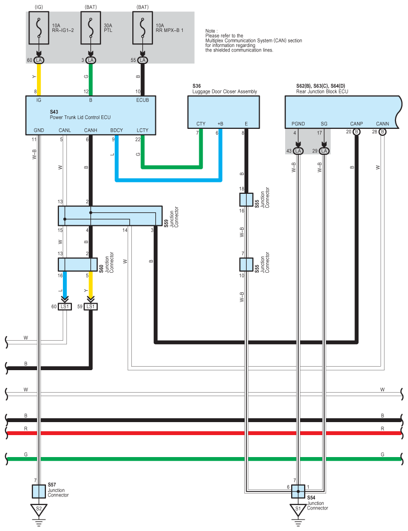
Fig 1: Brake Hold System - Wiring Diagram (1 Of 11)
G08936907Courtesy of © TOYOTA, LICENSE AGREEMENT TMS1002
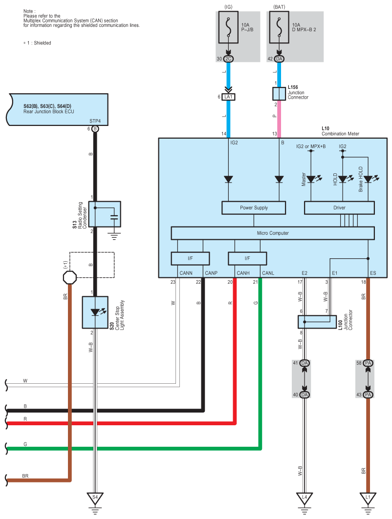
Fig 2: Brake Hold System - Wiring Diagram (2 Of 11)
G08936908Courtesy of © TOYOTA, LICENSE AGREEMENT TMS1002
Fig 3: Brake Hold System - Wiring Diagram (3 Of 11)
G08936909Courtesy of © TOYOTA, LICENSE AGREEMENT TMS1002
Fig 4: Brake Hold System - Wiring Diagram (4 Of 11)
G08936910Courtesy of © TOYOTA, LICENSE AGREEMENT TMS1002
Fig 5: Brake Hold System - Wiring Diagram (5 Of 11)
G08936911Courtesy of © TOYOTA, LICENSE AGREEMENT TMS1002
Fig 6: Brake Hold System - Wiring Diagram (6 Of 11)
G08936912Courtesy of © TOYOTA, LICENSE AGREEMENT TMS1002
Fig 7: Brake Hold System - Wiring Diagram (7 Of 11)
G08936913Courtesy of © TOYOTA, LICENSE AGREEMENT TMS1002
Fig 8: Brake Hold System - Wiring Diagram (8 Of 11)
G08936914Courtesy of © TOYOTA, LICENSE AGREEMENT TMS1002
Fig 9: Brake Hold System - Wiring Diagram (9 Of 11)
G08936915Courtesy of © TOYOTA, LICENSE AGREEMENT TMS1002
Fig 10: Brake Hold System - Wiring Diagram (10 Of 11)
G08936916Courtesy of © TOYOTA, LICENSE AGREEMENT TMS1002
Fig 11: Brake Hold System - Wiring Diagram (11 Of 11)
G08936917Courtesy of © TOYOTA, LICENSE AGREEMENT TMS1002