LEMON Manuals: Even more car manuals for everyone: 1960-2025
Home >> Lexus >> 2012 >> LS 600hL >> Repair and Diagnosis >> Electrical >> Body Electrical >> OEM System Circuits >> Garage Door Opener >> Notes
April 5, 2026: LEMON Manuals is launched! Read the announcement.

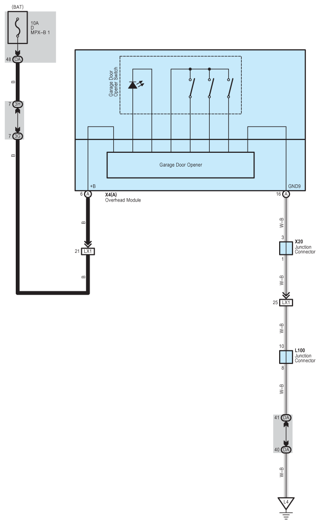
Garage Door Opener: Notes

Fig 1: Garage Door Opener - Wiring Diagram
G08937041Courtesy of © TOYOTA, LICENSE AGREEMENT TMS1002