LEMON Manuals: Even more car manuals for everyone: 1960-2025
Home >> Lexus >> 2012 >> RX 350 AWD V6-3.5L (2GR-FE) >> Repair and Diagnosis >> Diagrams >> Electrical Diagrams >> Keyless Starting System >> Keyless Start Control Module
April 5, 2026: LEMON Manuals is launched! Read the announcement.

Keyless Start Control Module

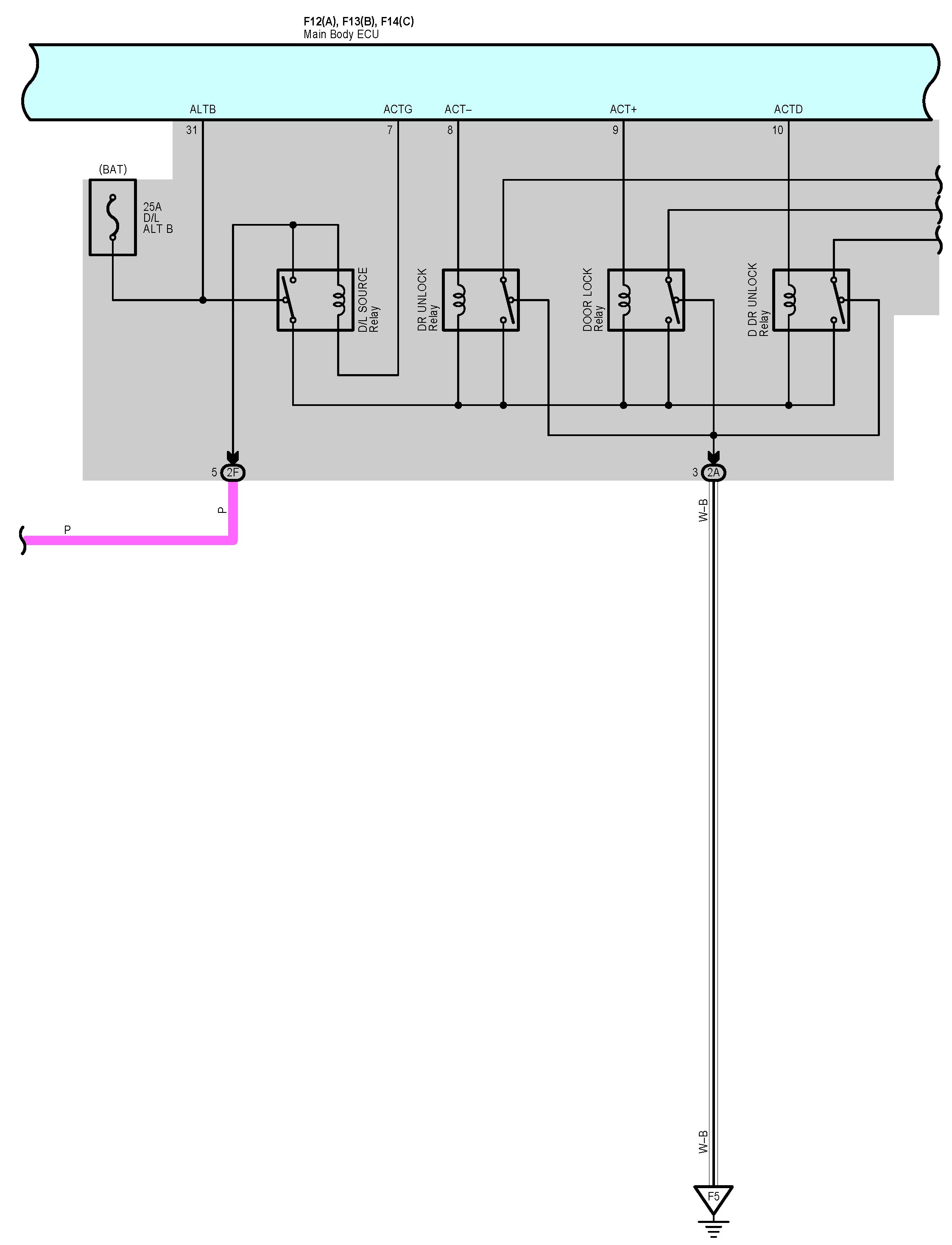
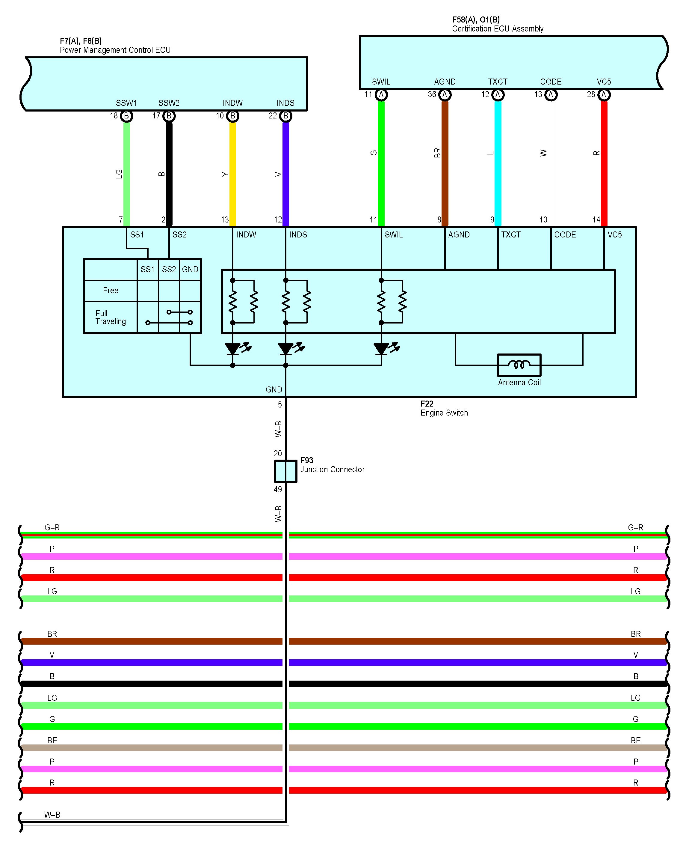
Smart Access System With Push-Button Start, Back Door Opener (w/o Power Back Door) And Remote Engine Starter System Part 1:




Smart Access System With Push-Button Start, Back Door Opener (w/o Power Back Door) And Remote Engine Starter System Part 2:




Smart Access System With Push-Button Start, Back Door Opener (w/o Power Back Door) And Remote Engine Starter System Part 3:




Smart Access System With Push-Button Start, Back Door Opener (w/o Power Back Door) And Remote Engine Starter System Part 4:




Smart Access System With Push-Button Start, Back Door Opener (w/o Power Back Door) And Remote Engine Starter System Part 5:




Smart Access System With Push-Button Start, Back Door Opener (w/o Power Back Door) And Remote Engine Starter System Part 6:




Smart Access System With Push-Button Start, Back Door Opener (w/o Power Back Door) And Remote Engine Starter System Part 7:




Smart Access System With Push-Button Start, Back Door Opener (w/o Power Back Door) And Remote Engine Starter System Part 8:




Smart Access System With Push-Button Start, Back Door Opener (w/o Power Back Door) And Remote Engine Starter System Part 9:




Smart Access System With Push-Button Start, Back Door Opener (w/o Power Back Door) And Remote Engine Starter System Part 10:




Smart Access System With Push-Button Start, Back Door Opener (w/o Power Back Door) And Remote Engine Starter System Part 11:




Smart Access System With Push-Button Start, Back Door Opener (w/o Power Back Door) And Remote Engine Starter System Part 12:




Smart Access System With Push-Button Start, Back Door Opener (w/o Power Back Door) And Remote Engine Starter System Part 13:




Smart Access System With Push-Button Start, Back Door Opener (w/o Power Back Door) And Remote Engine Starter System Part 14:




Smart Access System With Push-Button Start, Back Door Opener (w/o Power Back Door) And Remote Engine Starter System Part 15:




Smart Access System With Push-Button Start, Back Door Opener (w/o Power Back Door) And Remote Engine Starter System Part 16:




Smart Access System With Push-Button Start, Back Door Opener (w/o Power Back Door) And Remote Engine Starter System Part 17:




Smart Access System With Push-Button Start, Back Door Opener (w/o Power Back Door) And Remote Engine Starter System Part 18:




Smart Access System With Push-Button Start, Back Door Opener (w/o Power Back Door) And Remote Engine Starter System Part 19:




Smart Access System With Push-Button Start, Back Door Opener (w/o Power Back Door) And Remote Engine Starter System Part 20:




Smart Access System With Push-Button Start, Back Door Opener (w/o Power Back Door) And Remote Engine Starter System Part 21:




Smart Access System With Push-Button Start, Back Door Opener (w/o Power Back Door) And Remote Engine Starter System Part 22:




Smart Access System With Push-Button Start, Back Door Opener (w/o Power Back Door) And Remote Engine Starter System Part 23:












Locations: The locations of components, connectors, ground points, and splices referred to within these diagrams can be found at Vehicle Locations. Locations

Connector Views: Diagrams of the connectors referred to within these diagrams can be found at Connector Views by Connector Number. Connector Views By Connector Number