LEMON Manuals: Even more car manuals for everyone: 1960-2025
Home >> Lexus >> 2012 >> RX 350 AWD V6-3.5L (2GR-FE) >> Repair and Diagnosis >> Powertrain Management >> Computers and Control Systems >> Main Relay (Computer/Fuel System) >> Testing and Inspection >> Integration Relay
April 5, 2026: LEMON Manuals is launched! Read the announcement.

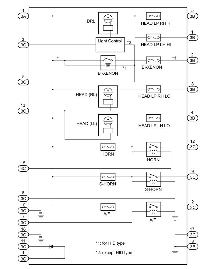
Integration Relay





POWER DISTRIBUTION: INTEGRATION RELAY: INSPECTION

1. INSPECT INTEGRATION RELAY

(a) Inner circuit





(1) for A/F relay

1 Measure the resistance according to the value(s) in the table below.





Standard Resistance:





Text in Illustration





HINT
If the result is not as specified, replace the integration relay.

(2) for Bi-XENON relay (for HID type)

1 Measure the resistance according to the value(s) in the table below.





Standard Resistance:





2 Measure the voltage according to the value(s) in the table below.

Standard Voltage:





Text in Illustration





HINT
If the result is not as specified, replace the integration relay.

(3) for S-HORN relay

1 Measure the resistance according to the value(s) in the table below.





Standard Resistance:





2 Measure the voltage according to the value(s) in the table below.

Standard Voltage:





Text in Illustration





HINT
If the result is not as specified, replace the integration relay.

(4) for HORN relay

1 Measure the resistance according to the value(s) in the table below.





Standard Resistance:





2 Measure the voltage according to the value(s) in the table below.

Standard Voltage:





Text in Illustration





HINT
If the result is not as specified, replace the integration relay.

(5) for HEAD (RL) relay

1 Measure the resistance according to the value(s) in the table below.





Standard Resistance:





2 Measure the voltage according to the value(s) in the table below.

Standard Voltage:





Text in Illustration





HINT
If the result is not as specified, replace the integration relay.

(6) for HEAD (LL) relay

1 Measure the resistance according to the value(s) in the table below.





Standard Resistance:





2 Measure the voltage according to the value(s) in the table below.

Standard Voltage:





Text in Illustration





HINT
If the result is not as specified, replace the integration relay.

(7) for DRL relay

1 Measure the resistance according to the value(s) in the table below.

Standard Resistance:





2 Measure the voltage and check for pulses according to the value(s) in the table below.





Standard:





Text in Illustration





HINT
If the result is not as specified, replace the integration relay.