LEMON Manuals: Even more car manuals for everyone: 1960-2025
Home >> Lexus >> 2012 >> RX 350 FWD >> Repair and Diagnosis >> Electrical >> Body Electrical >> OEM System Circuits >> Climate Control Seat >> Notes
April 5, 2026: LEMON Manuals is launched! Read the announcement.

Climate Control Seat: Notes

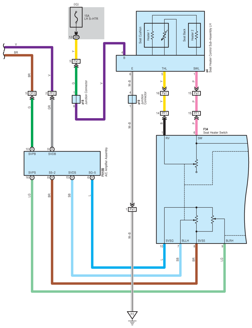
Fig 1: Climate Control Seat - Wiring Diagram (1 Of 4)
G08938398Courtesy of © TOYOTA, LICENSE AGREEMENT TMS1002
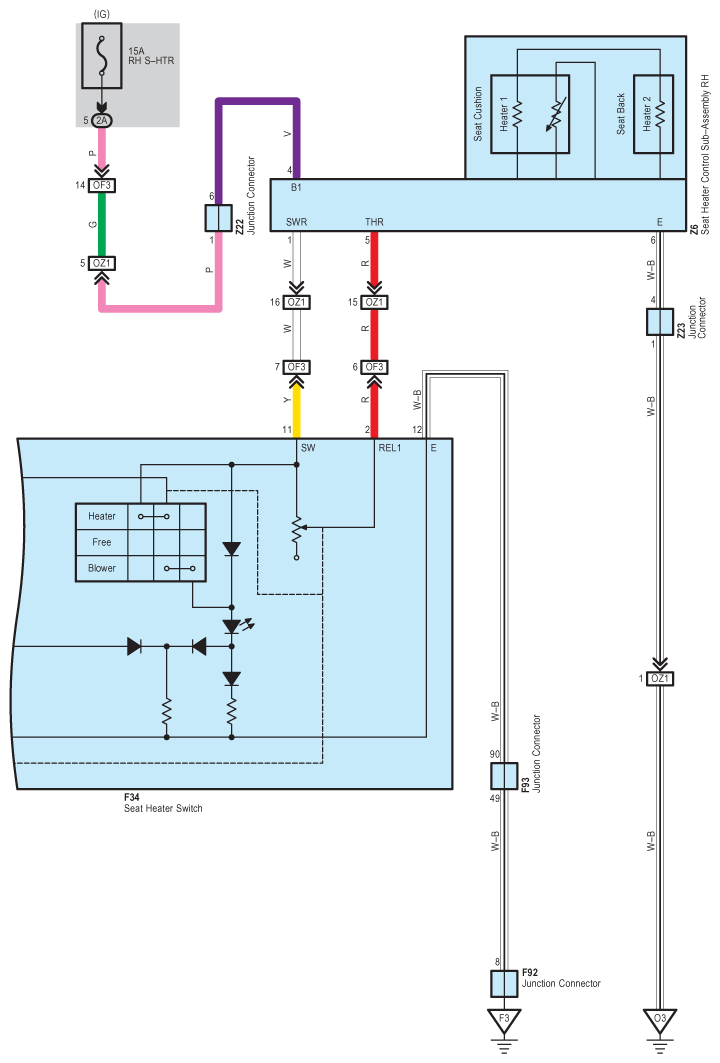
Fig 2: Climate Control Seat - Wiring Diagram (2 Of 4)
G08938399Courtesy of © TOYOTA, LICENSE AGREEMENT TMS1002
Fig 3: Climate Control Seat - Wiring Diagram (3 Of 4)
G08938400Courtesy of © TOYOTA, LICENSE AGREEMENT TMS1002
Fig 4: Climate Control Seat - Wiring Diagram (4 Of 4)
G08938401Courtesy of © TOYOTA, LICENSE AGREEMENT TMS1002