LEMON Manuals: Even more car manuals for everyone: 1960-2025
Home >> Lexus >> 2013 >> CT 200h Base >> Repair and Diagnosis >> Electrical >> Body Electrical >> OEM System Circuits >> Headlight Beam Level Control (Manual) >> Notes
April 5, 2026: LEMON Manuals is launched! Read the announcement.

Headlight Beam Level Control (Manual): Notes

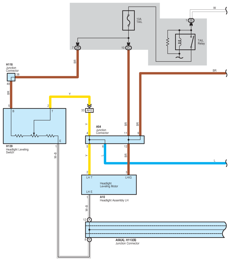
Fig 1: Manual Headlight Beam Level Control System Wiring Diagram (1 Of 2)
G09113658Courtesy of © TOYOTA, LICENSE AGREEMENT TMS1002
Fig 2: Manual Headlight Beam Level Control System Wiring Diagram (2 Of 2)
G09113659Courtesy of © TOYOTA, LICENSE AGREEMENT TMS1002