LEMON Manuals: Even more car manuals for everyone: 1960-2025
Home >> Lexus >> 2013 >> ES 300h >> Repair and Diagnosis >> Electrical >> Body Electrical >> OEM System Circuits >> Immobilizer System, Smart Access System with Push-Button Start, Starting, Steering Lock and Wireless Door Lock Control >> Notes
April 5, 2026: LEMON Manuals is launched! Read the announcement.

Immobilizer System, Smart Access System with Push-Button Start, Starting, Steering Lock and Wireless Door Lock Control: Notes

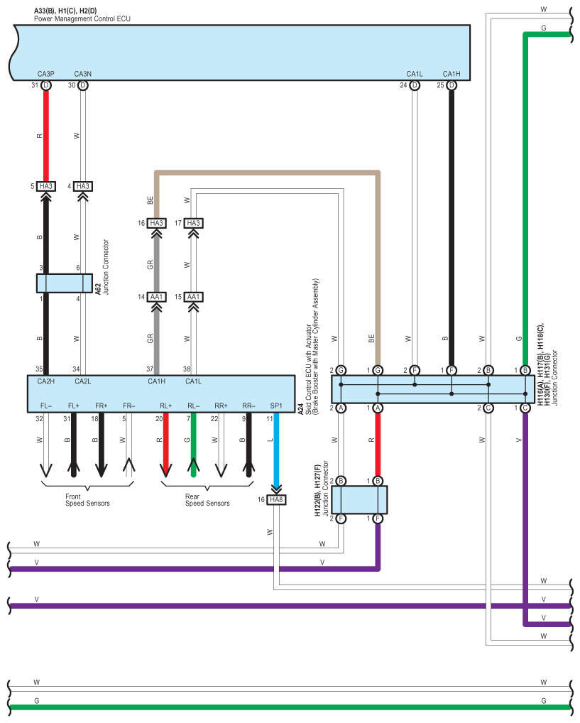
Fig 1: Immobilizer System, Smart Access System With Push-Button Start, Starting, Steering Lock And Wireless Door Lock Control - Circuit Diagram (1 Of 19)
G08953574Courtesy of © TOYOTA, LICENSE AGREEMENT TMS1002
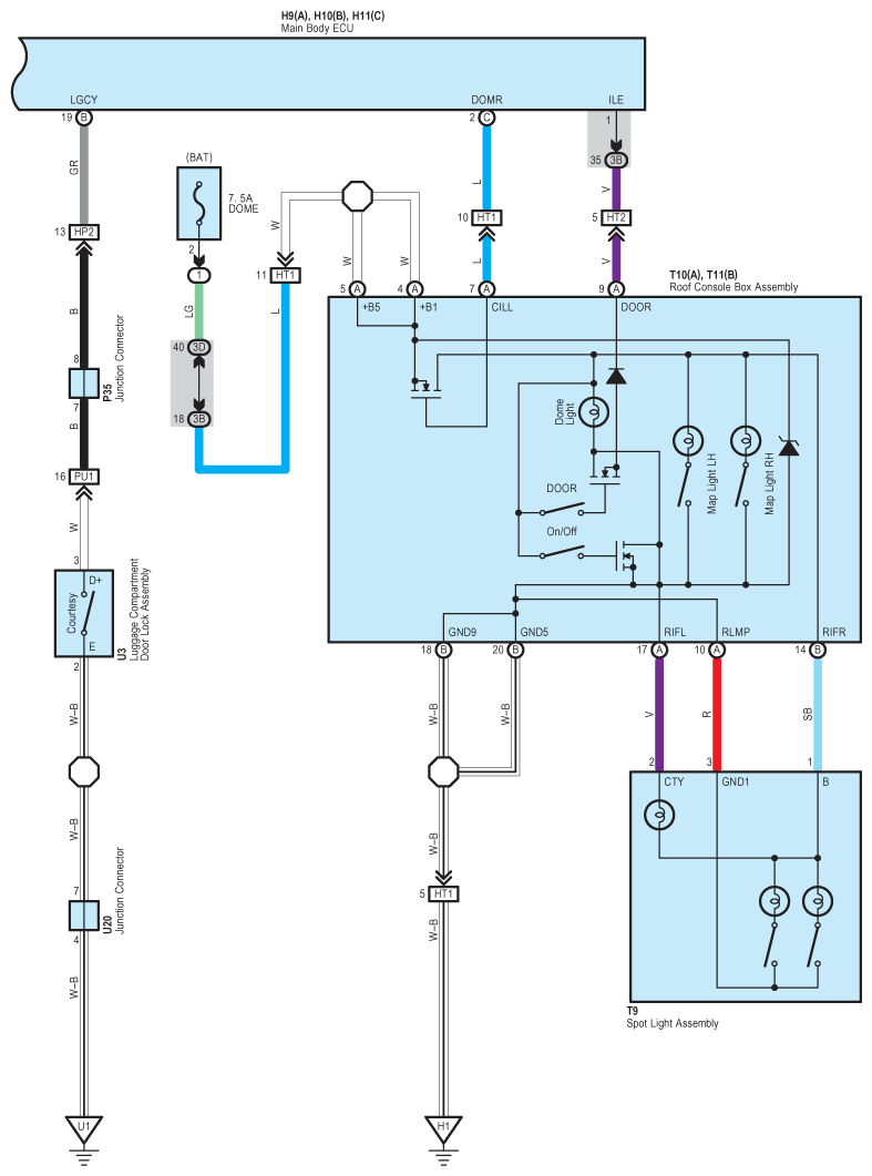
Fig 2: Immobilizer System, Smart Access System With Push-Button Start, Starting, Steering Lock And Wireless Door Lock Control - Circuit Diagram (2 Of 19)
G08953575Courtesy of © TOYOTA, LICENSE AGREEMENT TMS1002
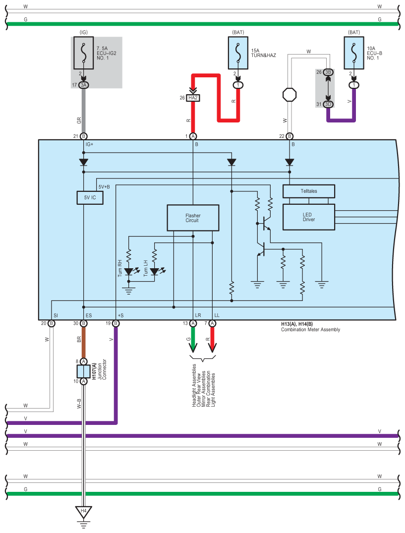
Fig 3: Immobilizer System, Smart Access System With Push-Button Start, Starting, Steering Lock And Wireless Door Lock Control - Circuit Diagram (3 Of 19)
G08953576Courtesy of © TOYOTA, LICENSE AGREEMENT TMS1002
Fig 4: Immobilizer System, Smart Access System With Push-Button Start, Starting, Steering Lock And Wireless Door Lock Control - Circuit Diagram (4 Of 19)
G08953577Courtesy of © TOYOTA, LICENSE AGREEMENT TMS1002
Fig 5: Immobilizer System, Smart Access System With Push-Button Start, Starting, Steering Lock And Wireless Door Lock Control - Circuit Diagram (5 Of 19)
G08953578Courtesy of © TOYOTA, LICENSE AGREEMENT TMS1002
Fig 6: Immobilizer System, Smart Access System With Push-Button Start, Starting, Steering Lock And Wireless Door Lock Control - Circuit Diagram (6 Of 19)
G08953579Courtesy of © TOYOTA, LICENSE AGREEMENT TMS1002
Fig 7: Immobilizer System, Smart Access System With Push-Button Start, Starting, Steering Lock And Wireless Door Lock Control - Circuit Diagram (7 Of 19)
G08953580Courtesy of © TOYOTA, LICENSE AGREEMENT TMS1002
Fig 8: Immobilizer System, Smart Access System With Push-Button Start, Starting, Steering Lock And Wireless Door Lock Control - Circuit Diagram (8 Of 19)
G08953581Courtesy of © TOYOTA, LICENSE AGREEMENT TMS1002
Fig 9: Immobilizer System, Smart Access System With Push-Button Start, Starting, Steering Lock And Wireless Door Lock Control - Circuit Diagram (9 Of 19)
G08953582Courtesy of © TOYOTA, LICENSE AGREEMENT TMS1002
Fig 10: Immobilizer System, Smart Access System With Push-Button Start, Starting, Steering Lock And Wireless Door Lock Control - Circuit Diagram (10 Of 19)
G08953583Courtesy of © TOYOTA, LICENSE AGREEMENT TMS1002
Fig 11: Immobilizer System, Smart Access System With Push-Button Start, Starting, Steering Lock And Wireless Door Lock Control - Circuit Diagram (11 Of 19)
G08953584Courtesy of © TOYOTA, LICENSE AGREEMENT TMS1002
Fig 12: Immobilizer System, Smart Access System With Push-Button Start, Starting, Steering Lock And Wireless Door Lock Control - Circuit Diagram (12 Of 19)
G08953585Courtesy of © TOYOTA, LICENSE AGREEMENT TMS1002
Fig 13: Immobilizer System, Smart Access System With Push-Button Start, Starting, Steering Lock And Wireless Door Lock Control - Circuit Diagram (13 Of 19)
G08953586Courtesy of © TOYOTA, LICENSE AGREEMENT TMS1002
Fig 14: Immobilizer System, Smart Access System With Push-Button Start, Starting, Steering Lock And Wireless Door Lock Control - Circuit Diagram (14 Of 19)
G08953587Courtesy of © TOYOTA, LICENSE AGREEMENT TMS1002
Fig 15: Immobilizer System, Smart Access System With Push-Button Start, Starting, Steering Lock And Wireless Door Lock Control - Circuit Diagram (15 Of 19)
G08953588Courtesy of © TOYOTA, LICENSE AGREEMENT TMS1002
Fig 16: Immobilizer System, Smart Access System With Push-Button Start, Starting, Steering Lock And Wireless Door Lock Control - Circuit Diagram (16 Of 19)
G08953589Courtesy of © TOYOTA, LICENSE AGREEMENT TMS1002
Fig 17: Immobilizer System, Smart Access System With Push-Button Start, Starting, Steering Lock And Wireless Door Lock Control - Circuit Diagram (17 Of 19)
G08953590Courtesy of © TOYOTA, LICENSE AGREEMENT TMS1002
Fig 18: Immobilizer System, Smart Access System With Push-Button Start, Starting, Steering Lock And Wireless Door Lock Control - Circuit Diagram (18 Of 19)
G08953591Courtesy of © TOYOTA, LICENSE AGREEMENT TMS1002
Fig 19: Immobilizer System, Smart Access System With Push-Button Start, Starting, Steering Lock And Wireless Door Lock Control - Circuit Diagram (19 Of 19)
G08953592Courtesy of © TOYOTA, LICENSE AGREEMENT TMS1002