LEMON Manuals: Even more car manuals for everyone: 1960-2025
Home >> Lexus >> 2013 >> ES 300h >> Repair and Diagnosis >> Electrical >> Body Electrical >> OEM System Circuits >> LEXUS ENFORM or Safety Connect >> Notes
April 5, 2026: LEMON Manuals is launched! Read the announcement.

LEXUS ENFORM or Safety Connect: Notes

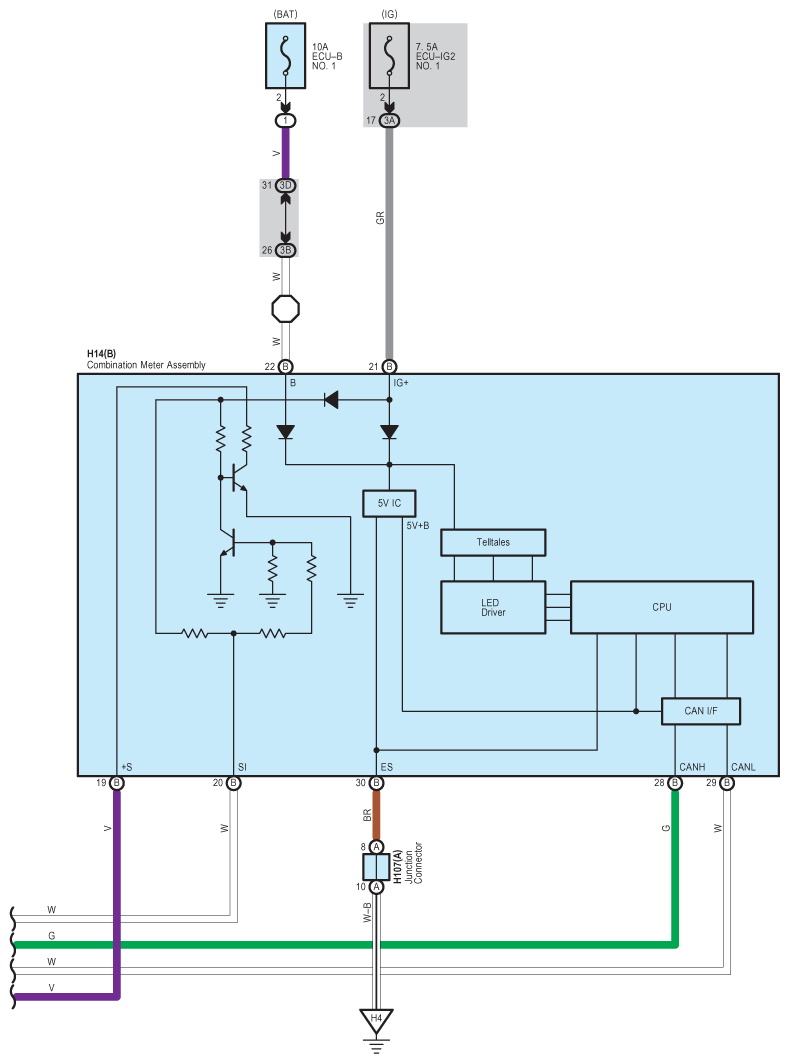
Fig 1: Lexus Enform Or Safety Connect - Circuit Diagram (1 Of 5)
G08953837Courtesy of © TOYOTA, LICENSE AGREEMENT TMS1002
Fig 2: Lexus Enform Or Safety Connect - Circuit Diagram (2 Of 5)
G08953838Courtesy of © TOYOTA, LICENSE AGREEMENT TMS1002
Fig 3: Lexus Enform Or Safety Connect - Circuit Diagram (3 Of 5)
G08953839Courtesy of © TOYOTA, LICENSE AGREEMENT TMS1002
Fig 4: Lexus Enform Or Safety Connect - Circuit Diagram (4 Of 5)
G08953840Courtesy of © TOYOTA, LICENSE AGREEMENT TMS1002
Fig 5: Lexus Enform Or Safety Connect - Circuit Diagram (5 Of 5)
G08953841Courtesy of © TOYOTA, LICENSE AGREEMENT TMS1002