LEMON Manuals: Even more car manuals for everyone: 1960-2025
Home >> Lexus >> 2013 >> ES 300h >> Repair and Diagnosis >> Electrical >> Body Electrical >> OEM System Circuits >> Sliding Roof >> Notes
April 5, 2026: LEMON Manuals is launched! Read the announcement.

Sliding Roof: Notes

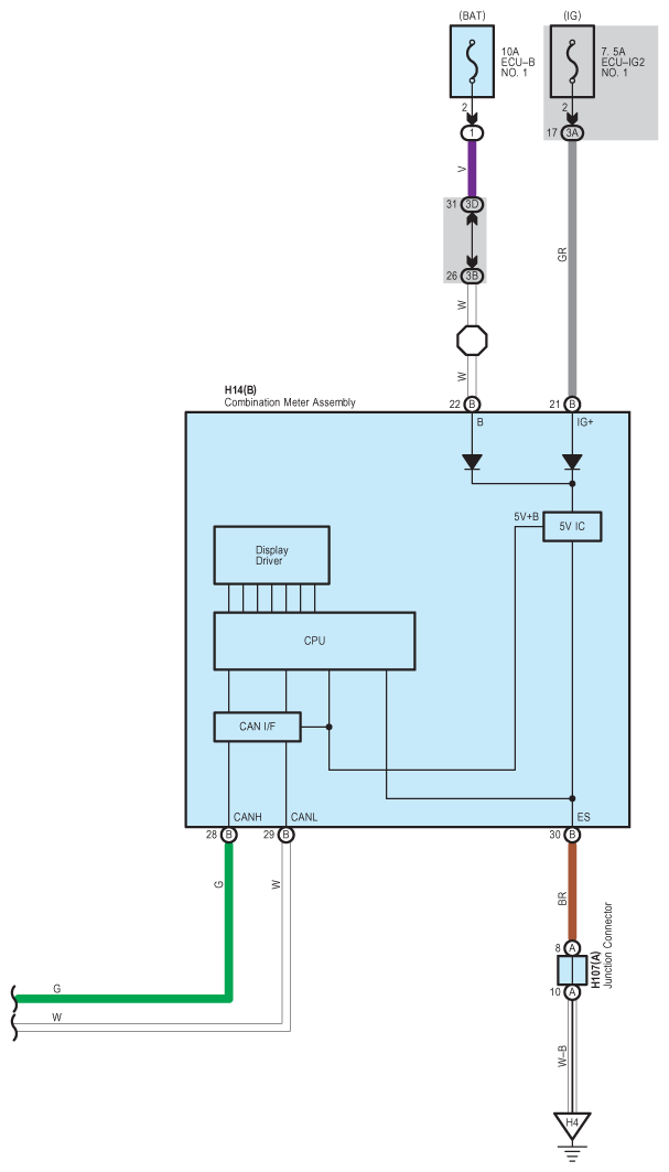
Fig 1: Sliding Roof - Circuit Diagram (1 Of 3)
G08953751Courtesy of © TOYOTA, LICENSE AGREEMENT TMS1002
Fig 2: Sliding Roof - Circuit Diagram (2 Of 3)
G08953752Courtesy of © TOYOTA, LICENSE AGREEMENT TMS1002
Fig 3: Sliding Roof - Circuit Diagram (3 Of 3)
G08953753Courtesy of © TOYOTA, LICENSE AGREEMENT TMS1002