LEMON Manuals: Even more car manuals for everyone: 1960-2025
Home >> Lexus >> 2013 >> ES 300h >> Repair and Diagnosis >> Electrical >> Body Electrical >> OEM System Circuits >> Stop Light >> Notes
April 5, 2026: LEMON Manuals is launched! Read the announcement.

Stop Light: Notes

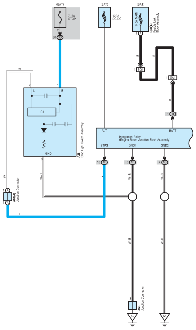
Fig 1: Stop Light - Circuit Diagram (1 Of 2)
G08953687Courtesy of © TOYOTA, LICENSE AGREEMENT TMS1002
Fig 2: Stop Light - Circuit Diagram (2 Of 2)
G08953688Courtesy of © TOYOTA, LICENSE AGREEMENT TMS1002