LEMON Manuals: Even more car manuals for everyone: 1960-2025
Home >> Lexus >> 2013 >> ES 300h >> Repair and Diagnosis >> Steering >> Manual Steering >> Power Steering System (Diagnostics - Introduction) >> Power Steering System >> System Diagram [06/2012 - ] >> System Diagram [06/2012 - ]
April 5, 2026: LEMON Manuals is launched! Read the announcement.

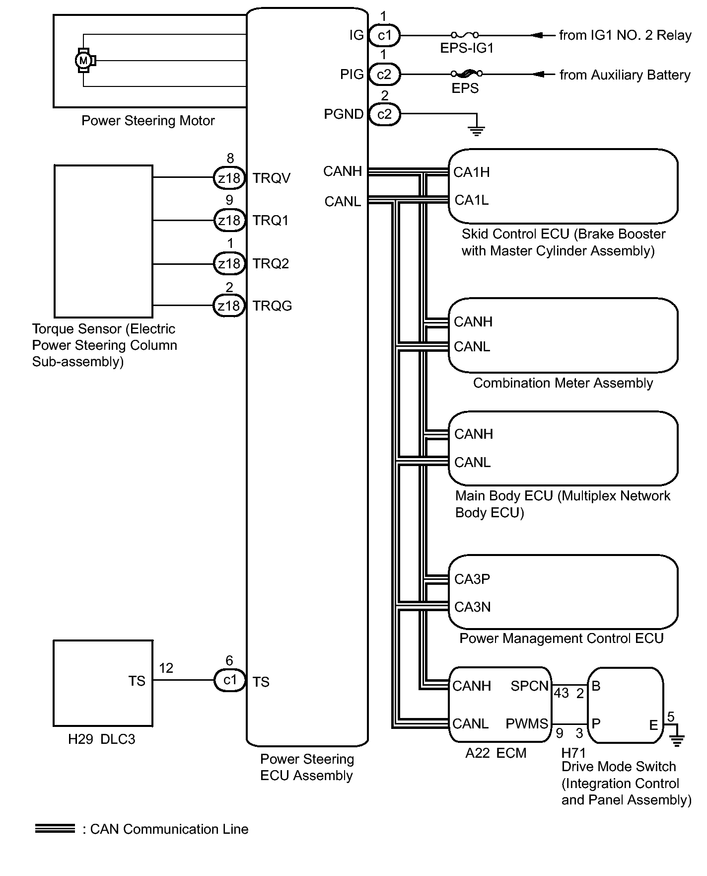
System Diagram [06/2012 - ]

Fig 1: Identifying Power Steering System Wiring Diagram
GTY415653Courtesy of © TOYOTA, LICENSE AGREEMENT TMS1002