LEMON Manuals: Even more car manuals for everyone: 1960-2025
Home >> Lexus >> 2013 >> ES 350 >> Repair and Diagnosis >> Electrical >> Body Electrical >> OEM Ground Points >> Ground Point >> Notes
April 5, 2026: LEMON Manuals is launched! Read the announcement.

Ground Point: Notes

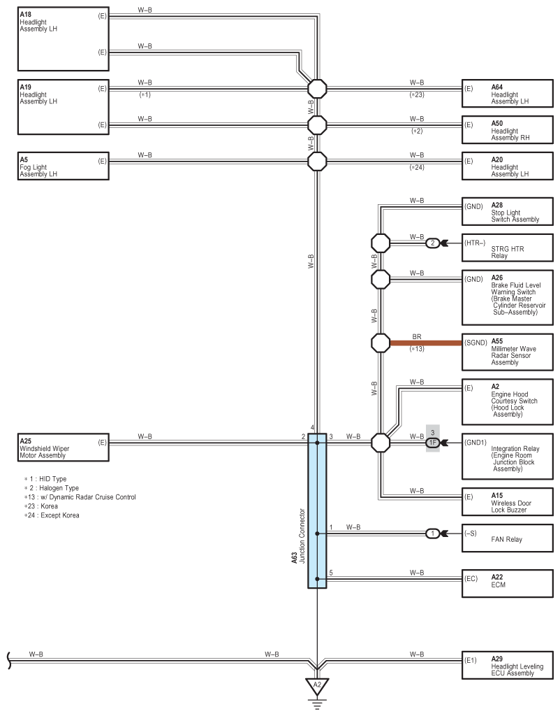
Fig 1: Ground Point Wiring Diagram (1 Of 11)
G08948410Courtesy of © TOYOTA, LICENSE AGREEMENT TMS1002
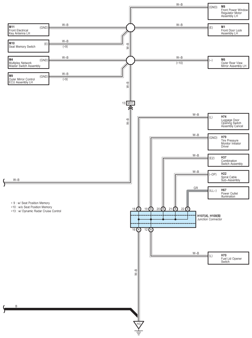
Fig 2: Ground Point Wiring Diagram (2 Of 11)
G08948411Courtesy of © TOYOTA, LICENSE AGREEMENT TMS1002
Fig 3: Ground Point Wiring Diagram (3 Of 11)
G08948412Courtesy of © TOYOTA, LICENSE AGREEMENT TMS1002
Fig 4: Ground Point Wiring Diagram (4 Of 11)
G08948413Courtesy of © TOYOTA, LICENSE AGREEMENT TMS1002
Fig 5: Ground Point Wiring Diagram (5 Of 11)
G08948414Courtesy of © TOYOTA, LICENSE AGREEMENT TMS1002
Fig 6: Ground Point Wiring Diagram (6 Of 11)
G08948415Courtesy of © TOYOTA, LICENSE AGREEMENT TMS1002
Fig 7: Ground Point Wiring Diagram (7 Of 11)
G08948416Courtesy of © TOYOTA, LICENSE AGREEMENT TMS1002
Fig 8: Ground Point Wiring Diagram (8 Of 11)
G08948417Courtesy of © TOYOTA, LICENSE AGREEMENT TMS1002
Fig 9: Ground Point Wiring Diagram (9 Of 11)
G08948418Courtesy of © TOYOTA, LICENSE AGREEMENT TMS1002
Fig 10: Ground Point Wiring Diagram (10 Of 11)
G08948419Courtesy of © TOYOTA, LICENSE AGREEMENT TMS1002
Fig 11: Ground Point Wiring Diagram (11 Of 11)
G08948420Courtesy of © TOYOTA, LICENSE AGREEMENT TMS1002