LEMON Manuals: Even more car manuals for everyone: 1960-2025
Home >> Lexus >> 2013 >> ES 350 >> Repair and Diagnosis >> Electrical >> Body Electrical >> OEM System Circuits >> Audio System (w/o LEXUS Navigation System w/Accessory Meter Assembly) >> Notes
April 5, 2026: LEMON Manuals is launched! Read the announcement.

Audio System (w/o LEXUS Navigation System w/Accessory Meter Assembly): Notes

Fig 1: Audio System (W/O Lexus Navigation System W/Accessory Meter Assembly) - Circuit Diagram (1 Of 8)
G08948382Courtesy of © TOYOTA, LICENSE AGREEMENT TMS1002
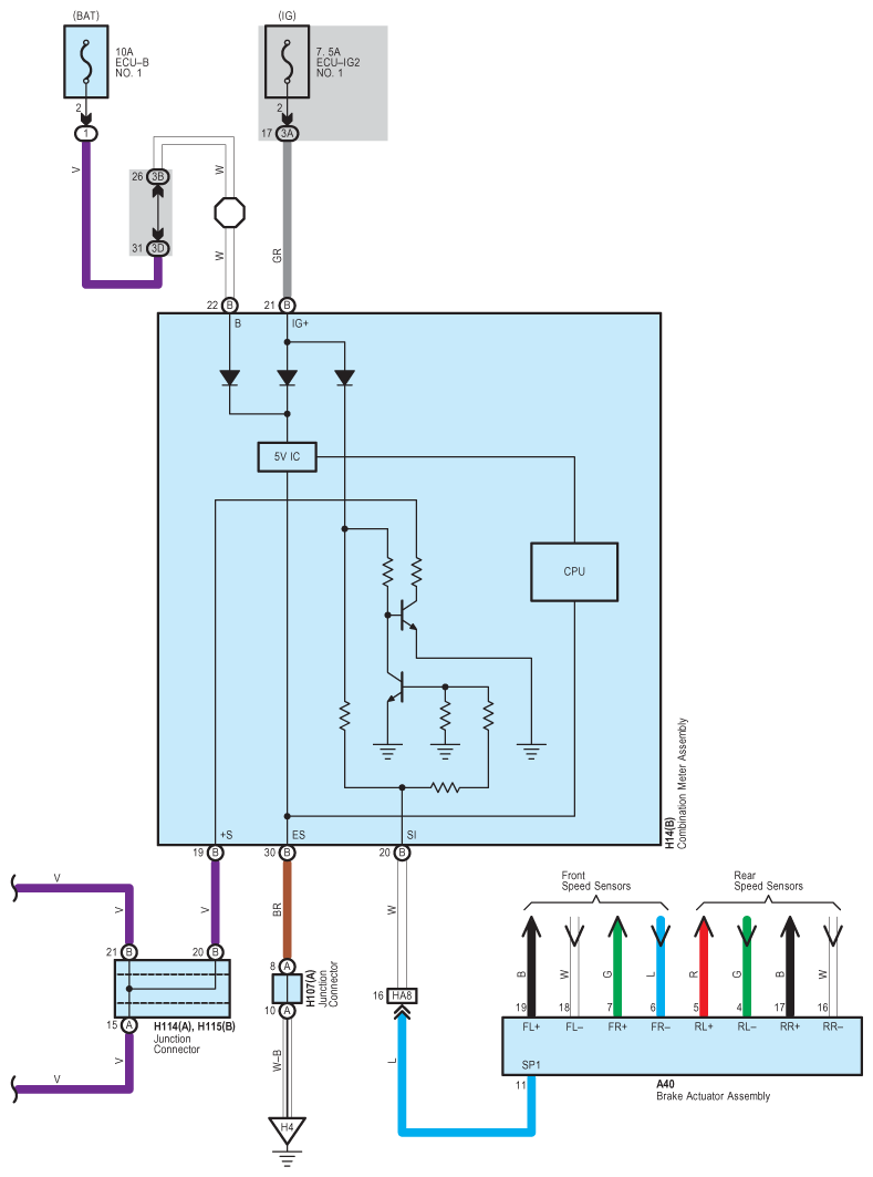
Fig 2: Audio System (W/O Lexus Navigation System W/Accessory Meter Assembly) - Circuit Diagram (2 Of 8)
G08948383Courtesy of © TOYOTA, LICENSE AGREEMENT TMS1002
Fig 3: Audio System (W/O Lexus Navigation System W/Accessory Meter Assembly) - Circuit Diagram (3 Of 8)
G08948384Courtesy of © TOYOTA, LICENSE AGREEMENT TMS1002
Fig 4: Audio System (W/O Lexus Navigation System W/Accessory Meter Assembly) - Circuit Diagram (4 Of 8)
G08948385Courtesy of © TOYOTA, LICENSE AGREEMENT TMS1002
Fig 5: Audio System (W/O Lexus Navigation System W/Accessory Meter Assembly) - Circuit Diagram (5 Of 8)
G08948386Courtesy of © TOYOTA, LICENSE AGREEMENT TMS1002
Fig 6: Audio System (W/O Lexus Navigation System W/Accessory Meter Assembly) - Circuit Diagram (6 Of 8)
G08948387Courtesy of © TOYOTA, LICENSE AGREEMENT TMS1002
Fig 7: Audio System (W/O Lexus Navigation System W/Accessory Meter Assembly) - Circuit Diagram (7 Of 8)
G08948388Courtesy of © TOYOTA, LICENSE AGREEMENT TMS1002
Fig 8: Audio System (W/O Lexus Navigation System W/Accessory Meter Assembly) - Circuit Diagram (8 Of 8)
G08948389Courtesy of © TOYOTA, LICENSE AGREEMENT TMS1002