LEMON Manuals: Even more car manuals for everyone: 1960-2025
Home >> Lexus >> 2013 >> ES 350 >> Repair and Diagnosis >> Electrical >> Body Electrical >> OEM System Circuits >> Charging >> Notes
April 5, 2026: LEMON Manuals is launched! Read the announcement.

OEM System Circuits: Charging: Notes

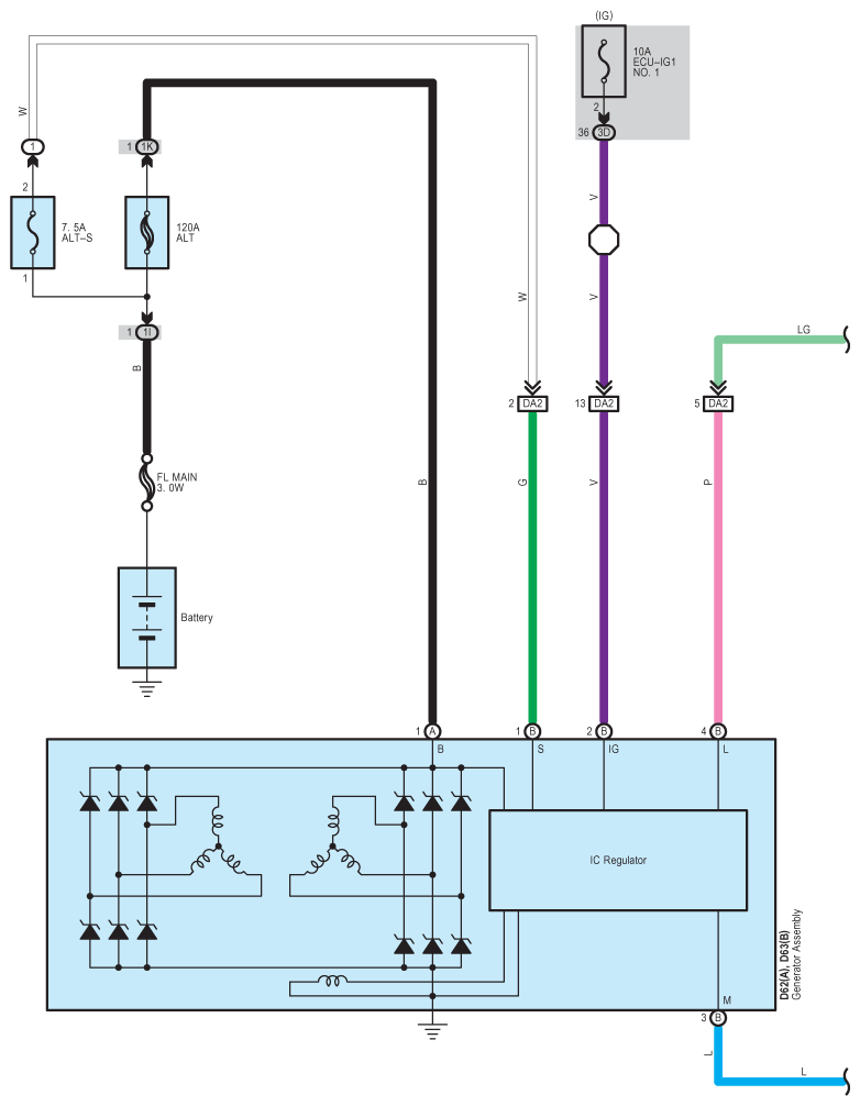
Fig 1: Charging - Circuit Diagram (1 Of 2)
G08948136Courtesy of © TOYOTA, LICENSE AGREEMENT TMS1002
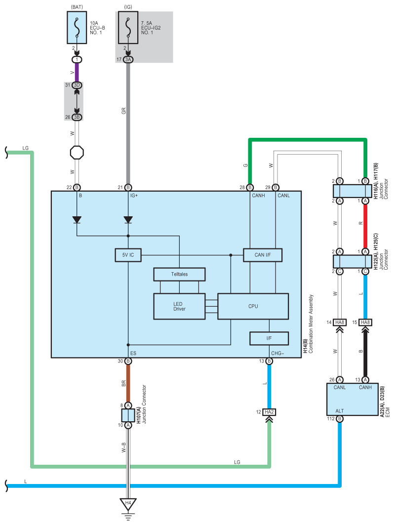
Fig 2: Charging - Circuit Diagram (2 Of 2)
G08948137Courtesy of © TOYOTA, LICENSE AGREEMENT TMS1002