LEMON Manuals: Even more car manuals for everyone: 1960-2025
Home >> Lexus >> 2013 >> ES 350 >> Repair and Diagnosis >> Electrical >> Body Electrical >> OEM System Circuits >> Headlight >> Notes
April 5, 2026: LEMON Manuals is launched! Read the announcement.

OEM System Circuits: Headlight: Notes

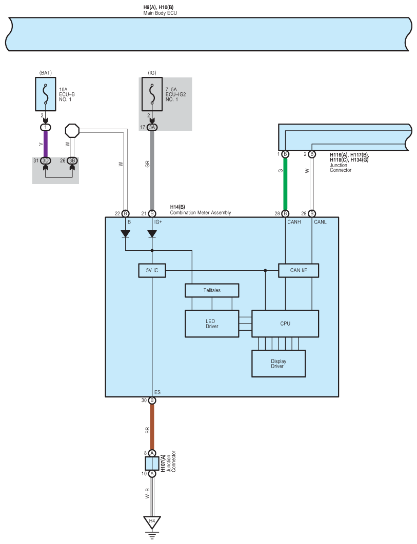
Fig 1: Headlight - Circuit Diagram (1 Of 7)
G08948171Courtesy of © TOYOTA, LICENSE AGREEMENT TMS1002
Fig 2: Headlight - Circuit Diagram (2 Of 7)
G08948172Courtesy of © TOYOTA, LICENSE AGREEMENT TMS1002
Fig 3: Headlight - Circuit Diagram (3 Of 7)
G08948173Courtesy of © TOYOTA, LICENSE AGREEMENT TMS1002
Fig 4: Headlight - Circuit Diagram (4 Of 7)
G08948174Courtesy of © TOYOTA, LICENSE AGREEMENT TMS1002
Fig 5: Headlight - Circuit Diagram (5 Of 7)
G08948175Courtesy of © TOYOTA, LICENSE AGREEMENT TMS1002
Fig 6: Headlight - Circuit Diagram (6 Of 7)
G08948176Courtesy of © TOYOTA, LICENSE AGREEMENT TMS1002
Fig 7: Headlight - Circuit Diagram (7 Of 7)
G08948177Courtesy of © TOYOTA, LICENSE AGREEMENT TMS1002