LEMON Manuals: Even more car manuals for everyone: 1960-2025
Home >> Lexus >> 2013 >> ES 350 >> Repair and Diagnosis >> Electrical >> Body Electrical >> OEM System Circuits >> LEXUS ENFORM or Safety Connect >> Notes
April 5, 2026: LEMON Manuals is launched! Read the announcement.

LEXUS ENFORM or Safety Connect: Notes

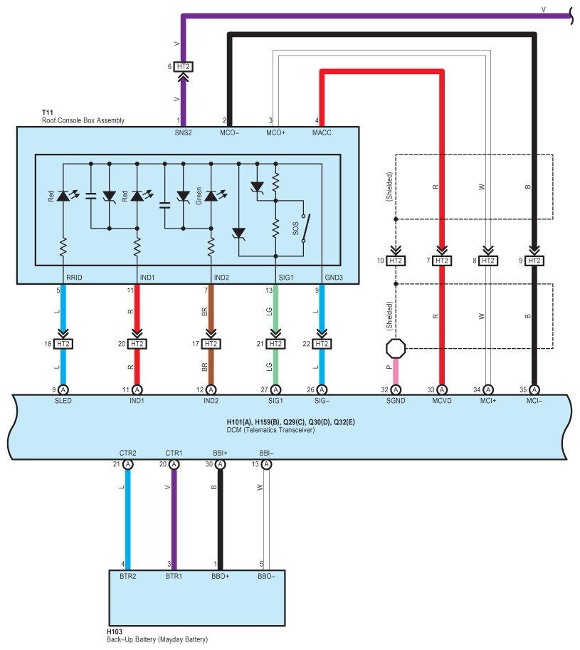
Fig 1: Lexus Enform Or Safety Connect - Circuit Diagram (1 Of 5)
G08948350Courtesy of © TOYOTA, LICENSE AGREEMENT TMS1002
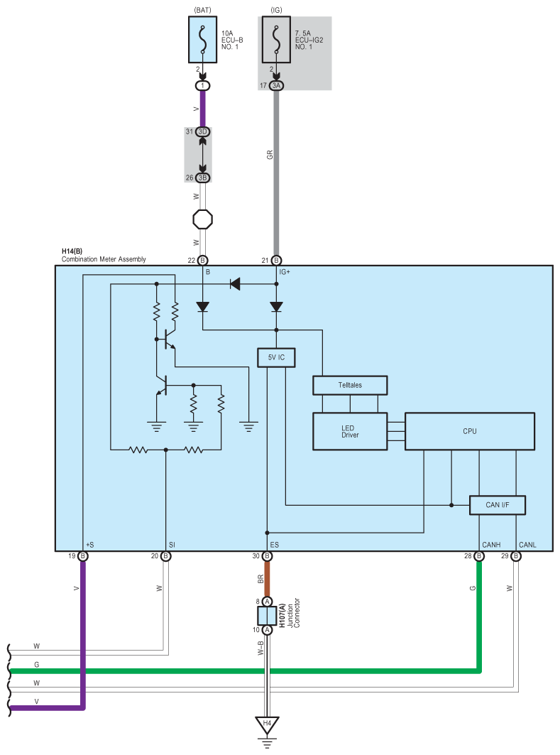
Fig 2: Lexus Enform Or Safety Connect - Circuit Diagram (2 Of 5)
G08948351Courtesy of © TOYOTA, LICENSE AGREEMENT TMS1002
Fig 3: Lexus Enform Or Safety Connect - Circuit Diagram (3 Of 5)
G08948352Courtesy of © TOYOTA, LICENSE AGREEMENT TMS1002
Fig 4: Lexus Enform Or Safety Connect - Circuit Diagram (4 Of 5)
G08948353Courtesy of © TOYOTA, LICENSE AGREEMENT TMS1002
Fig 5: Lexus Enform Or Safety Connect - Circuit Diagram (5 Of 5)
G08948354Courtesy of © TOYOTA, LICENSE AGREEMENT TMS1002