LEMON Manuals: Even more car manuals for everyone: 1960-2025
Home >> Lexus >> 2013 >> ES 350 >> Repair and Diagnosis >> Engine Performance >> System >> Engine Control System (Diagnostic Codes (P1604-U0101) & Circuit Tests) >> SFI System >> Circuit Tests >> ACIS Control Circuit >> Wiring Diagram
April 5, 2026: LEMON Manuals is launched! Read the announcement.

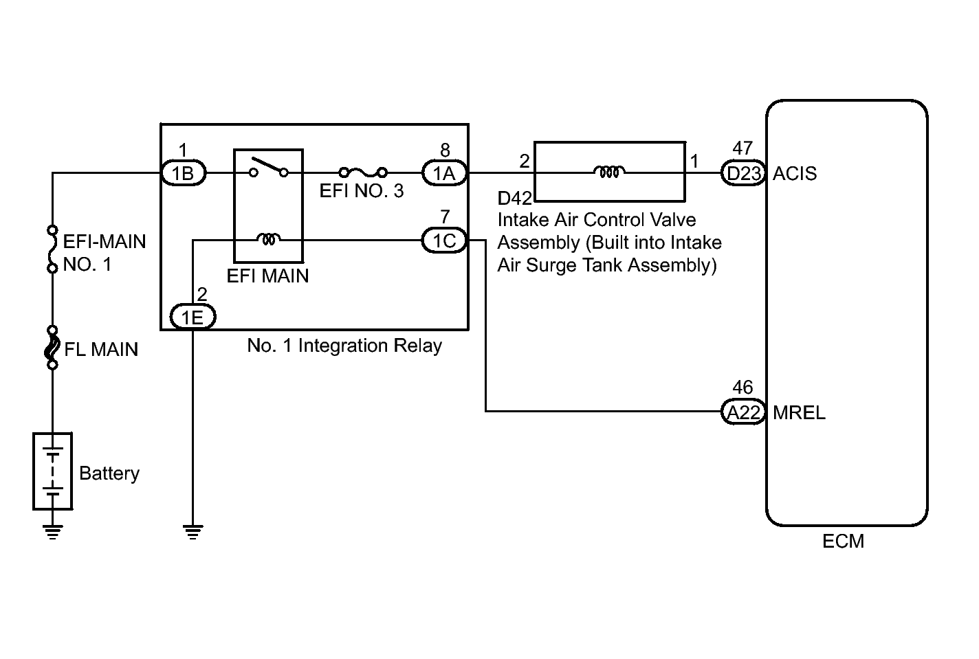
ACIS Control Circuit: Wiring Diagram

Fig 1: Identifying Intake Air Control Valve Wiring Diagram
GTY399518Courtesy of © TOYOTA, LICENSE AGREEMENT TMS1002